阿摩線上測驗
登入
首頁
>
轉學考-工程力學
> 103年 - 103 淡江大學 轉學考 工程力學#55901
103年 - 103 淡江大學 轉學考 工程力學#55901
科目:
轉學考-工程力學 |
年份:
103年 |
選擇題數:
0 |
申論題數:
6
試卷資訊
所屬科目:
轉學考-工程力學
選擇題 (0)
申論題 (6)
(a) Draw the shear and bending-moment diagrams for the beam and loading shown in Fig. 1.
(b) Write the equations of shear and bending-moment for section AB of the beam
【已刪除】2. Find the reactions and forces in members CF and EF of the truss shown in Fig. 2.
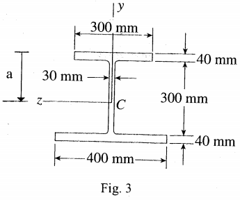
【已刪除】3. A beam having a cross section in the form of an unsymmetric side-flange shape as shown in Fig. 3. Locate the centroids of the plane area (a=?) and determine the moment of inertia of the area about the centroidal z axis (I
z
=?).
(a) Determine the maximum tensile and compressive stresses in the beam
(b) Determine the maximum and minimum shear stresses in the web of the beam
相關試卷
104年 - 104 淡江大學 轉學考 工程力學#53166
104年 · #53166
103年 - 103 淡江大學 轉學考 工程力學#55898
103年 · #55898
102年 - 102 淡江大學 轉學考 工程力學#53091
102年 · #53091
101年 - 101 淡江大學 轉學考 工程力學#54850
101年 · #54850
100年 - 100 淡江大學 轉學考 工程力學#55755
100年 · #55755
99年 - 99 淡江大學 轉學考 工程力學#55925
99年 · #55925
98年 - 98 淡江大學 轉學考 工程力學#55758
98年 · #55758
97年 - 97 淡江大學 轉學考 工程力學#55804
97年 · #55804
96年 - 96 淡江大學 轉學考 工程力學#55956
96年 · #55956
95年 - 95 淡江大學 轉學考 工程力學#55970
95年 · #55970