阿摩線上測驗
登入
首頁
>
轉學考-工程力學
>
103年 - 103 淡江大學 轉學考 工程力學#55901
> 申論題
題組內容
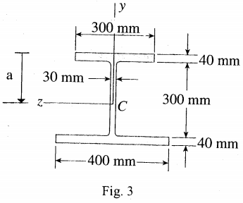
4. A beam having the cross-sectional dimensions as shown in Fig. 3 is subjected to a shear force of 1000 kN and a negative bending moment of 120 kN-m.
(b) Determine the maximum and minimum shear stresses in the web of the beam
相關申論題
(a) Draw the shear and bending-moment diagrams for the beam and loading shown in Fig. 1.
#211568
(b) Write the equations of shear and bending-moment for section AB of the beam
#211569
(a) Determine the maximum tensile and compressive stresses in the beam
#211572
5. Explain the difference between a truss amd a frame. (20%)
#214211
(5) which one is the material with the highest stiffness (E). (4%)
#214033
(4) which one is the most brittle material, (4%) and
#214032
(3) which one is the material exhibiting nonlinear elastic behavior, (4%)
#214031
(2) which one is the material having the highest ultimate stress, (4%)
#214030
(1) which one is the most ductile material, (4%)
#214029
(b) 24,000 psi at 0.2 percent offset yield point. Determine the total strain in the specimen when it is stressed to the yield point. (20%)
#214027
相關試卷
104年 - 104 淡江大學 轉學考 工程力學#53166
104年 · #53166
103年 - 103 淡江大學 轉學考 工程力學#55901
103年 · #55901
103年 - 103 淡江大學 轉學考 工程力學#55898
103年 · #55898
102年 - 102 淡江大學 轉學考 工程力學#53091
102年 · #53091
101年 - 101 淡江大學 轉學考 工程力學#54850
101年 · #54850
100年 - 100 淡江大學 轉學考 工程力學#55755
100年 · #55755
99年 - 99 淡江大學 轉學考 工程力學#55925
99年 · #55925
98年 - 98 淡江大學 轉學考 工程力學#55758
98年 · #55758
97年 - 97 淡江大學 轉學考 工程力學#55804
97年 · #55804
96年 - 96 淡江大學 轉學考 工程力學#55956
96年 · #55956