所屬科目:捷運◆電子學
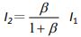
11. 如下圖電路,電壓源 V 等於多少伏特? (A) 40V (B) 50V (C) 60V (D) 70V。
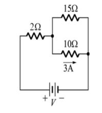
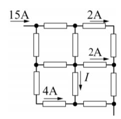
12. 如下圖,請問 I 值為多少? (A) 5A (B) 7A (C) 9A (D) 11A。
13. 如下圖,請問 I 值為多少? (A)5A (B)7A (C)9A (D)11A。
14. 如下圖所示電路,當 t = 0 時,開關 S 閉合,則電感 L 上電壓的波形為:
(A) (B) (C) (D)
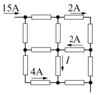
16. 如圖所示,求 a、b 兩端載維寧等效阻抗( )=
(A) (B) (C) (D) 。
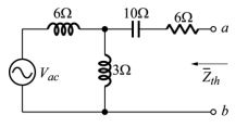
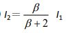
26. 如下圖所示,Q1與 Q2為匹配(matched)之電晶體且皆操作於作用區(active region), 求 I2與 I1 的關係?( β1 = β2 = β ) (A) (B) I2=I1 (C) (D)
27. 如下圖所示,在 iB固定不變的條件下,欲使電晶體容易飽和,可採取下列何種方法? (A) 增加 RB (B)減少 RB (C)增加 RC (D)減少 RC 。
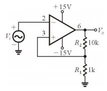
31. 如下圖所示,此一電路之主要應用為: (A)反相放大器 (B)非反相放大器 (C)反相史密特觸發電路 (D)非反相史密特觸發電路。
36. 如下圖所示穩壓電路中,流過齊納二極體的電流為 (A) 0.25mA (B) 0.5mA (C) 1mA (D) 4mA
38. 如下圖所示電路為何種濾波器? (A) 高通濾波器 (B) 低通濾波器 (C) 帶通濾波器 (D) 帶拒濾波器。
39. 以下哪個電路的接法才是正確的全橋整流電路:
40. 如下圖所示,當電流達到終值時,電感器儲存能量為何? (A) 0.018 瓦 (B) 0.036 瓦 (C) 0.018 焦耳 (D) 0.036 焦耳。
42. 如下圖之濾波電路,若輸入一-10V≦Vin≦10V,則 Vo 的輸出波形為何 ? (A) a 圖 (B)b圖 (C) c 圖 (D) d 圖。
43. 如下圖所示主動式濾波器,為何種型式? (A)一階高通濾波器 (B)二階高通濾波器 (C)一階低通濾波器 (D)帶通濾波器。
44. 如下圖所示電路若要獲增益 443 時,請問 R4 電阻值為何? (A) 10KΩ (B) 11KΩ (C) 51KΩ (D) 101KΩ。