所屬科目:捷運◆電子學
1. 下圖所示電阻,其電阻值範圍為何? (A)216Ω~324Ω (B)2160Ω~3240Ω (C)21600Ω~32400Ω (D)216000Ω~324000Ω。
2. 下圖所示電阻之電阻值為 6.1MΩ±10%,其色碼由左至右為何? (A)紫紅藍金 (B)紫紅藍銀 (C)藍棕綠金 (D)藍棕綠銀。
5. 下圖所示電感,其以何方式儲存能量? (A)電壓 (B)電流 (C)電場 (D)磁場。
6. 下圖所示電路,求等效電感之值? (A)7H (B)8H (C)9H (D)10H。
7. 有一 6 亨利電感,流入此電感之電流 i 如下圖所示,當 t=2 秒, 跨於此電感上之電壓為何? (A)6 伏特 (B)9 伏特 (C)-13.5 伏特 (D)- 18 伏特。
21. 總導納為多少歐姆?(A) 0.707 ∠45°(B) 0.707∠ -45°(C) 0.5 ∠60°(D) 0.5 ∠-60°
28. 接續第 26 題,當 t = 6T 時,電容之電壓 vc為多少伏特?( ) (A)10.976 (B)11.976 (C)12.976 (D)13.976。
29. 接續第 26 題,求電路在時間 t ≥ 0 時的電流 i 為多少毫安培? (A) (B) (C) (D)
30. 接續第 26 題,當 t = 0.1 秒時,電流 i 為多少毫安培?
( ) (A)0.4798 (B)0.4781 (C)0.4608 (D)0.3216。
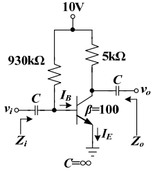
37. 屬於何種形式? (A)共基極 (B)共集極 (C)共射極 (D)共源極。