所屬科目:捷運◆電子學
一、 求下列雙埠網路之 Y 參數(Y11,Y12,Y21與 Y22)。(每個 5 分,共 20 分)
二、 當數位反相器時,相較於右圖,請列出四個左圖的優點。(每 個 5 分,共 20 分)
三、 已知 I=90µA,每個 MOSFET 的參數為 Vt=1V,µnCox=20µA/V2 若忽略 ro的效應,請設計每個 MOS 的(W/L)比,以滿足 V1=1V, V2=–1V。(電流式子 5 分,寬長比各 5 分,共 20 分)
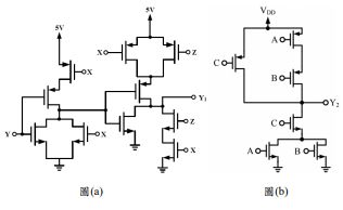
五、 求下兩圖之邏輯函數。其中 Y1 與 Y2 分別為圖(a)與圖(b)之輸 出。(每個 10 分,共 20 分)