所屬科目:捷運◆電機概論
12. 有 A、B 兩個獨立電壓源,A 串接一個 100Ω 的負載電阻,B 串接一個 50Ω 的負載電阻。A 輸出之 電壓為脈波,其工作週期(duty cycle)為 64%,高準位電壓為 5V,低準位電壓為 0V,頻率為 50Hz;B 輸出之電壓為 5 sin(50t)V。則下列敘述何者錯誤? (A)A 的平均值電壓較 B 高 (B)A 的有效值電壓較 B 高 (C)A 的電壓頻率較 B 高 (D)A 輸出的平均功率較 B 高。
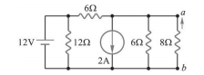
20. 如圖電路中,求 a、b 兩端由箭頭方向看入之戴維寧等效電壓 ETH 與等效電阻 RTH 各為何? (A)ETH =15V,RTH =3Ω (B)ETH =12V,RTH =4.5Ω (C)ETH =12V,RTH =3Ω (D)ETH =15V,RTH =4.5Ω