所屬科目:捷運◆電機概論
1. 如下圖,假設電池提供 5 V 電壓,R1 = 2 kΩ,R2 = 4 kΩ,R3 = 8 kΩ,R4 = 6 kΩ, = 1 kΩ,求通過 電阻的電流大小與方向? (A) 1.0 mA, 向右 (B) 0.2 mA, 向右 (C) 5.0 mA, 向左 (D)2.5 mA, 向左。
3. 如圖所示,求電壓 V 為何? (A) 4V (B) 6V (C) 11V (D) 16V
5. 如圖所示,若電流 I 等於零,則電阻 R 為多少歐姆? (A) 1.5Ω (B) 3Ω (C) 6Ω (D)9Ω
6. 有一電阻、電容串聯的電路,接上交流電源,v(t) = sin(377t) V,電源電流是 i(t) = sin(377t+ 60°) A。請問這電路的虛功率是多少 VAR? (A)(B) 0 (C)(D) 180
11. 如圖所示,下列敘述何者正確? (A)為一濾波器 (B)為正弦波輸入時,為三角波輸出 (C) 輸入 1V 時,為+ (D) 輸入-1V 時,為+
15. 如圖所示,當R1 = 10kΩ,= 100kΩ,求之值為何? (A) -10 (B) -20 (C) 10 (D) 20
16. 如下圖,I1 = 2 A, R1 = 2 Ω, V2 = 3 V, R2 = 1 Ω, R3 = 3 Ω, I3 = 1 A,請問電路中 a 點的電壓是多少? (A) –3V (B) 2V (C) 1.5V (D) 3V
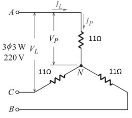
19. 如圖所示電路,有效功率P多少? (A) P=3.3kW (B) P=6.6kW (C) P=12.15kW (D) P=17.15kW
20. 如下圖,假設電池提供 12 V 電壓,R1 = 15 kΩ,R2 = 24 kΩ,R4 = 10 kΩ,流經 R3 的電流是0.16 mA。請問 R3 的阻值是多少? (A) 5 MΩ (B) 10 Kω (C) 36 Ω (D) 15 kΩ
21. 如下圖,Vs = 18 V, R1 = R2 = R3 = 2 Ω, R4 = 12 Ω, R5 = 3 Ω,請問 R5 所消耗的功率是多少? (A) 6W (B) 12W (C) 18W (D) 2W。
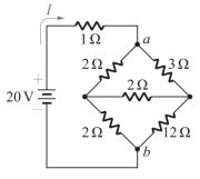
23. 如圖所示,則電路中 a、b 兩端的等效電阻為何? (A) 4Ω (B) 6Ω (C) 7Ω (D) 8Ω
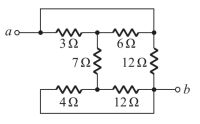
25. 如圖所示,則電路中 a、b 兩端的等效電阻為何? (A) 3Ω (B) 4Ω (C) 7Ω (D) 8Ω
31. 如圖所示電路,虛功率 Q、視在功率 S 分別為多少? (A) Q=0、S=2200VA (B) Q=0、 S=4400VA (C) Q=2200VAR、S=4400VA (D) Q=4400VAR、S=2200VA
34. 如圖所示,該邏輯電路所示的輸出 y 為何? (A) A+BC (B) AB+C (C) A+B (D) B+C
36. 如圖所示,R=18Ω,r=6Ω,則電路中的電流 I 為何? (A) 4A (B) 6A (C) 7A (D) 8A
41. 如圖所示,求電路中 1A 電流源提供的電功率為何? (A) 1W (B) 2W (C) 3W (D) 4W
44. 某一交流電路,其負載為純電感器 L,若電路電流i(t) = Im sin(ωt) A,其電源電壓v(t)為何? (A) (B) (C)(D)
46. 如圖所示,若使用理想運算放大器,求輸出電壓Vo為何? (A) 0.5V (B) 1.0V (C) 1.5V (D)2.0 V
48. 如下圖,假設電池提供 5V 電壓,R1 = 2 kΩ,R2 = 4 kΩ,R3 = 8 kΩ,R4 = 6 kΩ, = 1 kΩ, 求通過 阻的電流大小與方向: (A) 1.0 mA,向右 (B) 0.2 mA,向右 (C) 5.0 mA,向左 (D) 2.5 mA,向左。