所屬科目:台電◆工程力學概要
2.如右圖所示,欲使500 kgf之物體不沿斜面上下滑 動,試問W之範圍為何?(斜面摩擦係數//=0.4) (A) (B) (C)(D)
3. 一桁架系統如右圖所示,試判別其零桿個數為何? (A)6 (B)5(C)4(D)3
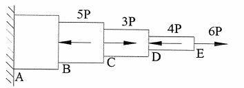
4. 一桁架系統如右圖所示,試計算BC桿、BE桿、BD桿内力之總 合SBC+SBE+SBD為何?(所得内力採拉力為正;壓力為負) (A) (B) (C) (D)
5. 一系統受力如右圖所示,試計算BC段及CD段内力之比 值NBC/NCD為何?(所得内力採拉力為正;壓力為負) (A)(B) (C)(D)
6. —受力系統如右圖所示,AB桿以A端為鉸接,B端以纜繩固定於C點,今 於B端施加一6P之荷重,在欲使AB桿維持水平之前提下,試求纜繩所承 受之内力為何?(所得内力採拉力為正;壓力為負) (A) 10 P (B)-10P (C) 12 P (D) -12 P
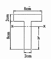
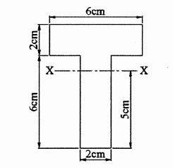
8.某一材料斷面如右圖所示,試計算該斷面形心軸X至底端最外緣之 深度h為何? (A) 5.6 cm (B) 6.5 cm (C) 6.8 cm (D) 7.2 cm
9.某一材料斷面如右圖所示,已知其斷面形心軸X至底端最外緣 之深度h為5 cm,試計算該斷面對形心轴X之慣性矩Ix為何? (A) 136 cm4 (B) 142 cm4 (C) 158 cm4 (D) 164 cm4
10•某一材料斷面如右圖所示,試計算該斷面對形心軸X之迴轉 半徑仏為何? (A) (B) (C) (D)
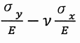
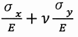
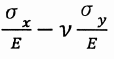
11.某線彈性材料承受應力如右圖所示,已知其彈性係數 E= 5.0x106kgf/cm2 ;蒲松比 =0.25,試計算該材料於 Z方向之應變為何? (A) 2.0X10-4 kgf/cm2 (B) 2.5X10-4 kgC/cm2 (C) 2.0x10-3kg/cm2 (D) 2.5xl0-3 kgf/cm2
12.—均質材料(彈性係數為E)承受軸力作用,各區 間長度及面積如右圖所示,試計算BC段相對變 形σ C/B為何?(拉伸為正;壓縮為負)(A) (B)(C) (D)
13.—均質材料(剪力彈性係數為G)承受扭力作用,各 區間長度及極慣性矩如右圖所示,試計算BC段相 對轉角為何?(所得不考慮方向性) (A)(B)(C)(D)
14. 一受力系統如右為何? (A) (B)(C) (D)
15.已知某材料彈性係數E=5.0xl05kgf/cm2 ;蒲松比=0.25,若其受力後所產生之剪應力,試求其剪應變y為何? (A) 1.5x10-5 rad (B) 3.0x10-4 rad (C) 4.5x10-4 rad (D) 6.0x10-4 rad
16.—受力系統如右圖所示,試計算斷面B處之剪 力及彎矩(VB,MB)為何? (A) (-4.8 tf,58.6 tf-m) (B) (-5.2 tf,56.4 tf-m ) (C) (-5.8 tf,52.8 tf-m ) (D) (-6.4 tf,50.6 tf-m )
17.某應力元素受力如右圖所示,試計算當其垂直面旋轉θ =22.5°時,該平面之平面應力為何? (其中單位均為kgf/cm2) (A) (B) (C)(D)
18.有兩實心斷面如右圖所示,兩者面積關係為,今同時 承受一剪力V作用,則各斷面上最大剪應力可分別表示為 ,試計算 為何? (A) (B)(C) (D)
19.有一應力元素受力如右圖所示,試計算該元素之最大主應力 及最小主應力為何? (A) 4 (B) -4 (C) 5 (D) -5
20.—空心圓管斷面如右圖所示,其内徑為d1 ;外徑為d2,今承受一扭 矩T作用,試求其内徑圓周上之剪應力為何?(A)(B)(C)(D)
21. —簡支梁如右圖所示,於支承A處承受一彎矩M作 用,試分析於支承B處之撓角為何? (撓角以順時旋轉為正,逆時旋轉為負) (A) (B)(C) (D)
22. 一懸臂梁如右圖所示,該梁為線彈性材料,且受力後 符合小變形理論之假設,今於自由端B點處同時承受 集中力P及彎矩M作用,試計算自由端B點之撓度(垂 直向下變位)為何?(其中M=3PL) (A) (B)(C)(D)
23.—簡支梁如右圖所示,其承受一均佈載重作用,試分析支承B 處之撓角為何?(撓角以順時旋轉為正,逆時旋轉為負)(A)(B) (C)(D)
25. 一簡支梁承受均佈載重W= 2 Wm 及集中載重P = 4tf如右圖所示, 該梁為均質等斷面,試求梁中D點 斷面距中性軸下方5 cm處E點之 應力為何? (應力採拉力為正,壓力為負) (A) 62.5 kgf/cm2 (B) -62.5 kg/cm2 (C) 687.5 kgf/cm2 (D) -687.5 kg/cm2
27.如右圖所示,一半徑8cm,重30kgf之球,以2cm之繩懸吊之,不考慮摩擦力,試求繩之張力為若干? (A)40kgf (B)30kgf (C) 50kgf (D) 60kgf
28.如右圖所示之組合梁,當其維持平衡時,在A、B、C、D點 的反作用力分別為RA、RB、RC、RD請問下列何者正確? (A) RA+RC = RB+RD (B) RB = 2RC (C)RA+RD=RC (D) RA+RB = RC+RD
29.如右圖所示,AB梁在A端鉸接於牆上,B端為繩所繫,於C端 懸吊30kgf物體,假設不計摩擦力,AB梁承受60kgf外力作 用於x位置,使梁保持水平平衡,求x值? (A) 6m (B) 3 m (C)4m (D) 5 m
30.如右圖所示桁架,試求a桿之内力為何? (A) 10 kN (壓力) (B) 16 kN (壓力) (C) 7.5 kN (壓力) (D) 24 kN (拉力)
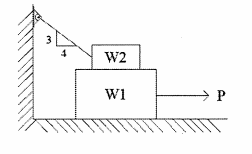
31.如右圖所示,W1= 400 kgf、W2= 50 kgf,接觸之摩擦係數 均為0.2,欲使Wi物體開始向右滑動,求所需最小之P力為 何? (A) 85.4 kgf (B) 87.7 kgf (C) 97.39 kgf (D) 20 kgf
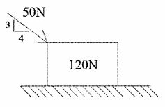
32.物體重為120 N,與地面接觸的靜摩擦係數為0.3、動摩擦 係數為0.2,施加50 N的外力如右圖所示,則接觸面的摩 擦力為若干? (A)30N (B) 40 N (C) 45 N (D) 120 N
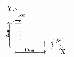
33.如右圖所示之薄板,求其形心位置(x,y)之值? (A) ( 2 m,2 m ) (B) ( 2.5 cm ? 3.5 cm ) (C) (3.5 cm,2.5 cm ) (D) ( 8 cm ,2 cm)
34.如右圖矩形斷面,x轴及y轴經過此斷面之形心0,請問下列敘述 何者正確? (A)此斷面對x軸慣性矩Ix =36 cm4 (B)此斷面對y轴慣性矩Iy =64 cm4 (C)此斷面對x5轴慣性矩Ix,=36 cm4 (D)此斷面對y5轴慣性矩Iy’=16 cm4
37•如右圖之元素受之拉應力,材料之彈性模數E、蒲松比 ,則其於x向之應變為何? (A) (B)(C)(D)
38.如右圖桿ACB,A、B兩端固定,在C點處承受10tf之載 重,則B點之反作用力為何? (A) 2.5 tf (B)10tf (C) 7.5 tf (D) 5 tf
39.如右圖所示,兩支直徑1 cm螺栓連接兩鈑,受外力 P=1570 kgf,求每支螺栓之剪應力為何?(選最接近值) (A) 1570 kgf/cm2 (B) 3140 kgf/cm2 (C) 1000 kgf/cm2 (D) 6280 kgf/cm2
40.如右圖所示方形斷面桿件,兩端受1000 kgf之 拉力,其斷面為5 cm X 5 cm,試求夾角為60° 之斜面上垂直應力dn為何? (cos 60°= 0.5 ) (A) 17.3 kgf/cm2 (B) 40 kg/cm2 (C) 50 kgf/cm2 (D) 10 kgf/cm2
41.如右圖之平面應力元素,試求位於最大剪應力面上時之 平面正交應力為若干kg/cm2? (A) 200 kgf/cm2 (B) 100 kgf/cm2 (C) 300 kgf/cm2 (D) 500 kgf/cm2
42.如右圖,試求A點反力RA為何? (A)9kgf↑(B)9kgf↓ (C) 5 kgf↓ (D) 5 kgf ↑
43.試求右圖簡支梁之最大彎矩值為何? (A) 701.75 kgf-m (B) 843.75 kgf-m (C) 750 kgf-m (D) 450 kgf-m
44.試求右圖簡支梁之最大彎矩值為何? (A) 12.5 tf-m (B) 25 tf-m (C) 77.5 tf-m (D) 37.5 tf-m
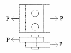
45.有一 T型梁如右圖所示,承受一彎矩M作用,其最 大抗壓應力為最大抗拉應力之3倍,試求b值為何? (A) 45 cm (B) 20 cm (C) 27 cm (D) 37 cm
46.若材料性質及斷面積均相同,下列斷面何者能承受之彎矩值最大?(A)(B)(C)(D)
47.如右圖簡支梁,梁斷面寬度為b,高為h, 求梁中最大彎曲應力為何? (A)(B) (C) (D)
48.如右圖懸臂梁,在自由端受一集中載重P, 若EI為常數,請問B點撓度為何?(A) (B)(C) (D)
49.如右圖所示繩索受150 kgf之外力,試求繩索張力Tab為何? (A)75 kgf (B)150 kgf (C) 129.9 kgf (D) 100 kgf
50.試求解右圖梁中B點之反力為何? (A) 90 kgf (B) 140 kgf (C) 125 kgf (D) 284 kgf