阿摩線上測驗
登入
首頁
>
教甄◆電腦科專業
> 105年 - 105年大安高工教師甄選資訊科#55485
105年 - 105年大安高工教師甄選資訊科#55485
科目:
教甄◆電腦科專業 |
年份:
105年 |
選擇題數:
26 |
申論題數:
24
試卷資訊
所屬科目:
教甄◆電腦科專業
選擇題 (26)
15.以下何者為此元件
之特性曲線?(2 分)
(A)
(B)
(C)
(D)
19. 二進位 1101111010.1011
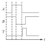
(2)
換算為八進位為 (A)1572.51
(8)
(B)1572.52
(8)
(C)1572.54
(8)
(D)3570.54
(8)
。
20. 如下圖所示,設計布林函數 F(A,B,C)的邏輯電路,請問下列何者正確? (A)F(A,B,C)=
(B)F(A,B,C)=
(C)F(A,B,C)=
(D)F(A,B,C) =
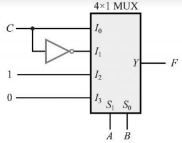
21. 如圖所示中的 F(A,B,C)= (A)Σ(0,1,2,3) (B)Σ(0,2,4,5) (C)Σ(1,4,6,7) (D)Σ(1,2,4,5)
22. 布林函數 f =
可化至最簡式為 (A) AC+ BC (B) BC+
(C) AC+
(D)BC
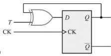
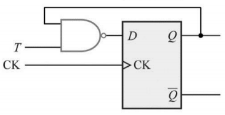
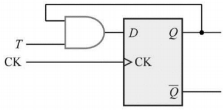
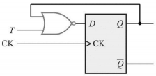
23. 欲將 D 型正反器改為 T 型正反器使用,下列接法何者正確? (A)
(B)
(C)
(D)
24. 有正負號的 2 的補數 10000000
(2)
是代表十進位的 (A)0 (B)-1 (C)127 (D)-128。
25. 如下圖所示之邏輯閘,A、B、C 為輸入端,Y 為輸出端,則 Y 的布林代數為
26. 如下圖所示為一個邊緣取出電路,下列何者為該電路中連接點 A、B 及 Y 之正確波形?(所選用邏 輯閘之延遲時間均相同)
(A)
(B)
(C)
(D)
27. 如右圖之邏輯電路,下列何者為其真值表?
(A)
(B)
(C)
(D)
28. 設計計數器的過程中,已知狀態表如表所示,若選擇以 T 型正反器完成設計,則 Q
1
正反器的輸入 端 T
1
的布林代數經化簡至最簡式應為下列何者?
(A)T
1
=Q
1
(B)T1=Q0 (C)T1=Q0⊕Q1 (D)T1=Q0⊙Q1。
29. 某學生想利用上數模數計數器 IC及邏輯閘 IC設計一計數器電路,其對應輸出為 0, 1, 1, 2, 3, 5, 8, 13 等 8 個狀態的循環計數。請問此計數器電路輸出的次高位元之布林代數式為何(設 MSB 為 Q
2
)? (A)Q
2
Q
0
(B) Q
2
Q
1
(C)
(D)
。
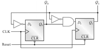
30. 如圖所示之電路,將 Reset 輸入 0 及輸入時脈信號 CLK,使 Q
1
Q
0
輸出成為 00 後,再將 Reset 輸 入 1。此電路在 CLK 驅動下,Q
1
Q
0
將以下列何種順序來計數?
(A)
(B)
(C)
(D)
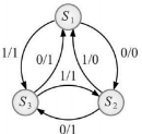
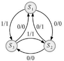
31. 如表所示的狀態表所對應的狀態圖應為下列何者?
(A)
(B)
(C)
(D)
32. 如圖所示的電路等效於何種正反器? (A)RS 正反器 (B)JK 正反器 (C)D 型正反器 (D)T 型正反器。
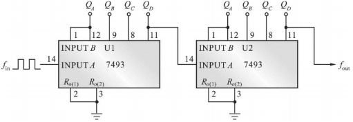
33. 如圖所示邏輯電路,其輸入訊號 f
in
= 64kHz,則輸出訊號 f
out
的頻率為多少 Hz?(A)1kHz (B)500kHz (C)250Hz (D)125kHz。
34. 下列哪種電腦病毒是隱藏於 Office 軟體的各種文件檔中所夾帶的程式碼? (A)電腦蠕蟲 (B)開機型病毒 (C)巨集型病毒 (D)特洛伊木馬。
35. 下列 VB 程式執行後,若輸入 A、B 值分別為 1、2,則執行結果輸出為何? (A) A=-1, B=2 (B)A=1, B=2 (C)A=-2, B=1 (D)A=-2, B=2。
36. 在物件導向程式語言中,有三個機制可稱為其特色,下列何者為非? (A)繼承 (B)封裝 (C)多型 (D)方法。
37. 下列何者非 Big Data 的應用? (A)選舉策略分析 (B)全國收入分析 (C)Google 翻譯 (D)汽車自動停車系統。
38. 下列有關網路傳輸設備的敘述,何者錯誤? (A)集線器(hub)可連接多個網路節點 (B)中繼器(repeater)主要用於連接兩個區域網路 (C)路由器(router)可連接多個網路 (D)交換器(switch)類似集線器可減少訊息發生碰撞的機 率。
39. 從實體層到應用層,電腦處理資訊的順序為: (A)bits-packets-frames-segments-data (B) bits-frames-packets-segments-data (C)data-segments-packets-frames-bits (D) data-segments-frames-packets-bits
40. 如果 12.34.56.78、12.34.56.89、12.34.67.90 這三個 IP 位址是在同一個子網路,請問此時使用 的子網路遮罩為下列哪一個? (A)255.255.255.255 (B)255.255.255.0 (C)255.255.0.0 (D)255.0.0.0。
41. 二元搜尋法在搜尋升冪排序過後的資料時,是將所欲搜尋的數值與資料中的哪一個元素進行比較? (A)任意一個 (B)第一個 (C)最後一個 (D)最中間的。
42. 使用 Windows XP 的搜尋小幫手,當檔案名稱的搜尋條件為 A?C*?時,下列哪一個檔名不符合條件? (A)ABC (B)AACC (C)ABCDEF (D)ACCD。
43. 目前市面上的穿戴式裝置所廣泛使用的無線傳輸技術並不包括下列那一項? (A)BLE (B)IrDA (C)ANT+ (D)NFC。
申論題 (24)
1.在 3 秒內將 10 庫侖的電荷由電位 10V 處移動到 50V 處,再從 50V 處移動到 30V 處,則總共 作功多少焦耳?
2.如下圖所示之直流電路,則其中電流 ?
3.圖(a)所示之電容器 C1 與 C2 串聯電路,以 10 V 之電壓充電穩定後,改為圖(b)之並聯電路,則 其共同電壓 E 為何?
4.如下圖所示,設有兩串聯之電感器 L
1
及 L
2
,通以 5 A 電流,其中L
1
= L
2
= 8 亨利,兩者間之 耦合係數為 0.6,則Lab為何?
5.如下圖所示,磁通密度為 5 韋伯/平方公尺(× 表示磁通方向),導體長度 2 公尺,若導體以 3 公 尺/秒速率朝左移動(如 v 方向),則其應電勢為何?
6.如下圖所示,當開關 S 閉合達穩態後,再將 S 切斷,求切斷瞬間V
L
為何?
7.已知交流電壓υ(t) = υ
1
(t) + υ
2
(t),若υ
1
(t) = 10sin(377t + 30°) V,υ
2
(t) = 10sin(377t − 30°)V, 則υ(t)為何?
8.有一 R-L-C 串聯電路,諧振頻率f
r
=1000Hz,R=10Ω, X
L
=100Ω,則其頻寬為?
9.如下圖所示,欲使電路產生諧振狀態,則 C 應等於?
10.接於三相平衡電源之△接三相平衡負載,每相阻抗為(6+j8)Ω,負載端線電壓有效值為 200V,則 此負載總消耗平均功率為何?
11.如圖所示電路中之 R
C
=?(2 分)與 R
B
=?(2 分),才能滿足Q點之條件?
12.如圖所示電晶體開關電路,電容器的功能為何?(2 分)
(1) 直流工作點電流 I
D
=?(2 分)
(2) 直流工作點電壓V
DS
= ?(2 分)
(3) 交流增益 A
v
=?(2 分)
14.如圖所示電路中稽納二極體為理想型,請繪出輸出波形並標明電壓振幅值?(2 分)
【已刪除】16.如圖所示電路中,二極體為理想型,求電流 I =?(2 分)
17.如圖所示電路中,二極體為理想型,請繪出輸出波形並標明電壓振幅值?(2 分)
(1) OPA1 方塊電路名稱為?(1 分)
(2) OPA2 方塊電路名稱為?(1 分)
(3) R
X
的作用功能為?(1 分)
(4) V
o1
之振幅及波形為?(2 分)
(5) V
o2
之振幅及波形為?(2 分)
(6) 證明振盪週期
(3 分)
相關試卷
113年 - 113 金門縣國民小學教師聯合甄選試題:資訊科技專業科目#120867
113年 · #120867
113年 - 113 高雄市市立國民小學_教師聯合甄選:專長類-資訊試卷#120693
113年 · #120693
112年 - 112 新北市國民小學暨幼兒園教師甄選試題:資訊科#118895
112年 · #118895
112年 - 112-1 國立臺東大學附設實驗國民小學教師甄選試題:資訊專業科目#115036
112年 · #115036
112年 - 112 臺北市市立國民中學正式教師聯合甄選:資訊科技(雙語)科#114640
112年 · #114640
112年 - 112 臺北市市立國民中學正式教師聯合甄選:資訊科技科#114633
112年 · #114633
112年 - 112 高雄市市立高級中等學校聯合教師甄選試題:資料處理科#114465
112年 · #114465
112年 - 112-1 國立東華大學附設實驗國民小學教師甄選題目:資訊專業#114445
112年 · #114445
112年 - 112 臺北市市立普通型暨技術型高級中等學校正式教師聯合甄選:資料處理科#114335
112年 · #114335
112年 - 112 新北市公立高級中等學校教師聯合甄選試題:資訊科#114159
112年 · #114159