阿摩線上測驗
登入
首頁
>
電力系統
> 105年 - 105年鐵路人員高員三級電力系統#53469
105年 - 105年鐵路人員高員三級電力系統#53469
科目:
電力系統 |
年份:
105年 |
選擇題數:
0 |
申論題數:
11
試卷資訊
所屬科目:
電力系統
選擇題 (0)
申論題 (11)
⑴電源線電流 I
s
大小。
⑵負載線電壓V
ab
大小。
⑶負載吸收總實(有效)功率、總虛(無效)功率、總視在功率。
⑷總負載功率因數(PF)。
⑴寫出此系統的搖擺方程式(Swing Equation)。(5 分)
⑵若發電機出口匯流排發生三相短路,再清除此事故,請使用等面積法則,計算此 系統臨界清除時間,單位為秒。(15 分)
⑴繪出計算此短路電流所需相序組合電路。
⑵計算此故障電流的標么值。
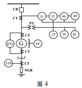
【已刪除】四、圖 4 為一個發電機組保護電驛架構單線圖,其中以 ANSI Code 編號的保護電驛有 51、32、46、49、27、59、81、64、87G、51N,試說明各編號的保護功能與目的。 (20 分)
⑴請計算需並聯多少 MVAR 之三相電容器組。
⑵若此三相電容器為 Y 接線,計算各相電容器所需電容值。
相關試卷
115年 - 115 關務特種考試_三等_電機工程(選試英文):電力系統#138944
115年 · #138944
114年 - 114 地方政府公務特種考試_三等_電力工程:電力系統#134738
114年 · #134738
114年 - 114 專技高考_電機工程技師:電力系統#133708
114年 · #133708
114年 - 114 公務升官等考試_薦任_電力工程:電力系統#133165
114年 · #133165
114年 - 114 高等考試_二級_電力工程:電力系統#131586
114年 · #131586
114年 - 114 高等考試_三級_電力工程:電力系統#128774
114年 · #128774
114年 - 114 關務特種考試_三等_電機工程(選試英文):電力系統#126644
114年 · #126644
113年 - 113 臺灣菸酒股份有限公司_從業職員及從業評價職位人員甄試試題_電子電機:電力系統(含電路學)#133978
113年 · #133978
113年 - 113 地方政府公務特種考試_三等_電力工程:電力系統#124553
113年 · #124553
113年 - 113 專技高考_電機工程技師:電力系統#123952
113年 · #123952