阿摩線上測驗
登入
首頁
>
教甄◆電腦科專業
> 105年 - 105年高雄市高中職教師聯合甄試資訊科試題+解答#55407
105年 - 105年高雄市高中職教師聯合甄試資訊科試題+解答#55407
科目:
教甄◆電腦科專業 |
年份:
105年 |
選擇題數:
25 |
申論題數:
0
試卷資訊
所屬科目:
教甄◆電腦科專業
選擇題 (25)
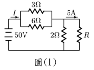
1.在圖(1)中,R=? (A)4 Ω (B)2Ω(C) 8 Ω (D) 1 Ω
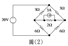
2.如圖(2)所示之電路,流過 2Ω之電流為 (A)1A (B)2A (C)3A (D)4A
3.如圖(3)所示,設有兩串聯之電感器 L
1
及 L
2
,其中 L
1
=L
2
=6 亨利,兩者 間之耦合係數為 0.8,若通過兩電感器之電流為 2A,則兩電感器所儲 存的總能量為多少焦耳? (A)1.2 (B)2.4 (C)3.6 (D)4.8
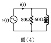
4.如圖(4)所示,v(t) = 240 sin 377tV,總電流 i(t)為(A)5√2sin(377T- 53°) (B)5√2 sin(377t-37°) (C)5√2 sin(377t+53°) (D)5√2 sin(500t+37°)
5.有一負載接於 220V、60Hz 的交流電源,其消耗功率為 12kW 欲將其功 率因素由 0.6 落後提高至 1.0 時,應加電容器多少µF? (A) 13µF (B) 67µF (C) 422µF (D) 877µF
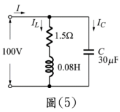
6.如圖(5)所示電路,請問當發生諧振時其品質因數約為 (A) 20 (B) 35 (C) 50 (D) 65
7.圖(6)之三相電路,電源相序為 abc,且 Vab = 173.2∠30°伏特,則 Ic 為多少安培? (A)17.3∠60°A (B)17.3∠90°A (C)10∠90°A (D)10∠60°A
8.如圖(7)電路,假設 OPA 為理想,若輸入 V
i
=0.2V,試求輸出 V
o
為多少? (A)4V (B)4.6V (C)5.8V (D)6V
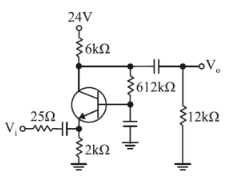
9.如圖(8)之電晶體偏壓電路,已知二極體與電晶體材質均為矽質,試求 出電晶體消耗功率約為何? (A)140 mW (B)14.6mW (C)4mW (D)2.6mW
10.如圖(9)所示之電路,假設 BJT 之β=39,V
BE
=0.7V,V
T
=25mV,試求電 壓增益 V
o
/V
i
約為多少? (A)240 (B)160 (C)120 (D)80
11.如圖(10)所示電路,β=100,下列數值何者 錯誤 ? (A)V
CE
=2.5V (B)V
C
=-4V (C)I
E
=4mA (D)V
B
=-5V
12.如圖(11)所示,為一個二級串接放大器,若第一級之電壓增益為 20dB, 第二級之輸出為 10dBm,且電壓 V
X
=50mV,試問 A
VT
=V
o
/V
i
為何? (A)80dB (B)60dB (C)40dB (D)20dB
13.如圖(12)所示,設 V
CC
=10V、V
BB
=6V、R
C
=4kΩ、R
E
=3.3kΩ,下列敘述 何者正確? (A)I
B
=0.5mA (B)I
C
=1.58mA (C)V
C
=3.68V (D)此電晶體無法導通
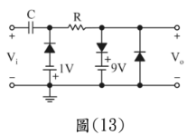
14.如圖(13)所示之電路,假設各元件皆為理想特性,且 Vi 為±3V 方波, 則電路輸出 V
O
電壓範圍為何? (A)0~5V (B)0~9V (C)-1~5V (D)-3~3V
15.如圖(14)所示之二極體電路,假定此電路之二極體切入電壓為 0.7V, η=2,V
T
=25mV,外接小信號 V
i
(t)=10sinωt(mV)。試求此電路中二極 體之動態電阻值(r
d
)? (A)25 歐姆 (B)34 歐姆 (C)65 歐姆 (D)105 歐姆
16.如圖(15)所示電路,已知雙極性接面電晶體β = 94,R
1
=R
2
=10kΩ, R
C
=2.5kΩ,R
E
=1kΩ,V
CC
=18V,C
E
=5μF,C
1
=C
2
=20μF,則集極電流 I
C
為何? (A)7.8mA (B)5.31mA (C)4.93mA (D)2.21mA
17.如圖(16)所示之電路,假設 D
1
、D
2
、D
3
、D
4
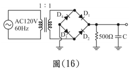
為理想二極體,若輸入電 源為 120V,60Hz,橋式整流後的濾波電容 C 為 2000μF,則在 500Ω負 載端的漣波峰對峰值約為多少? (A)0.1V (B)1V (C)1.5V (D)2V
18. 34.5
(8)
= (A)28.25
(10)
(B)11100.011
(2)
(C)11010.1101
(2)
(D)1C.A
(16)
19.如圖(17)所示邏輯電路中,輸出 F 與輸入 A,B 的關係可表示為:F(A,B) =
20.如圖(18)所示的電晶體邏輯閘電路中,在正常工作下,其輸出函數 Y 等於
21.如圖(19)所示,設 C 為最高位元,A 為最低位元,則 y =
22.如圖(20)所示多工器輸出布林函數 f =
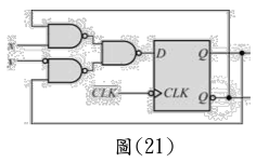
23.如圖(21)所示電路,下列敘述何者正確? (A)是 R-S 正反器,且 x=R、y=S (B)是 R-S 正反器,且 x=S、y=R (C)是 J-K 正反器,且 x=J、y=K (D)是 J-K 正反器,且 x=K、y=J
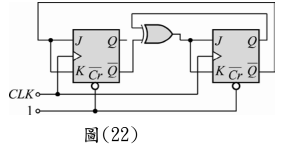
24.如圖(22)所示電路,其可計數的順序範圍為何? (A)0→3→2→0→3→2… (B)1→3→2→1→3→2… (C)3→2→0→1→3→2… (D)2→1→3→0→2→1…
25.如圖(23)所示 4 位元同步計數器,若正反器的傳遞延遲時間為 10ns, 邏輯閘的傳遞延遲時間為 5ns,則其最高工作頻率是多少? (A)20MHz (B)25MHz (C)66.6MHz (D)100MHz
申論題 (0)
相關試卷
113年 - 113 金門縣國民小學教師聯合甄選試題:資訊科技專業科目#120867
113年 · #120867
113年 - 113 高雄市市立國民小學_教師聯合甄選:專長類-資訊試卷#120693
113年 · #120693
112年 - 112 新北市國民小學暨幼兒園教師甄選試題:資訊科#118895
112年 · #118895
112年 - 112-1 國立臺東大學附設實驗國民小學教師甄選試題:資訊專業科目#115036
112年 · #115036
112年 - 112 臺北市市立國民中學正式教師聯合甄選:資訊科技(雙語)科#114640
112年 · #114640
112年 - 112 臺北市市立國民中學正式教師聯合甄選:資訊科技科#114633
112年 · #114633
112年 - 112 高雄市市立高級中等學校聯合教師甄選試題:資料處理科#114465
112年 · #114465
112年 - 112-1 國立東華大學附設實驗國民小學教師甄選題目:資訊專業#114445
112年 · #114445
112年 - 112 臺北市市立普通型暨技術型高級中等學校正式教師聯合甄選:資料處理科#114335
112年 · #114335
112年 - 112 新北市公立高級中等學校教師聯合甄選試題:資訊科#114159
112年 · #114159