阿摩線上測驗
登入
首頁
>
工程力學(包括流體力學與材料力學)
> 105年 - 105 原住民族特種考試_三等_土木工程:工程力學(包括流體力學與材料力學)#57763
105年 - 105 原住民族特種考試_三等_土木工程:工程力學(包括流體力學與材料力學)#57763
科目:
工程力學(包括流體力學與材料力學) |
年份:
105年 |
選擇題數:
0 |
申論題數:
5
試卷資訊
所屬科目:
工程力學(包括流體力學與材料力學)
選擇題 (0)
申論題 (5)
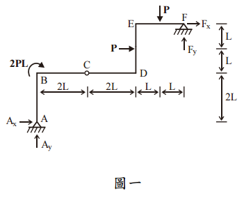
【已刪除】一、圖一結構中 A、F 點為鉸支承,並於 C 點以鉸接方式連結。現於 B 點施加一彎矩 2 PL, 且在桿件 DE 與 EF 間各施加一載重 P,如圖一所示。試求外力作用下,支承 A 及支 承 F 反力 A
x
、A
y
與 F
x
、F
y
之大小及方向。(20 分)
【已刪除】二、圖二為一均質之重量 W、半徑 r = 1 m 的圓盤,靜置於 θ = 30 度的傾斜面上。現圓盤由 靜止釋放往下滾動,假設滾動過程中圓盤與接觸面沒有滑動,試求滾動距離 d = 15.3 m 時,圓盤之質心速度 V
c
為何?(提示:圓盤質量慣性矩 I = mr
2
/2)(20 分)
【已刪除】三、圖三顯示一個厚度 t 及寬度 b、彈性模數為 E 的薄鋼條,其末端 A 固定在半徑為 R 的剛性基座上,鋼條伸出夾具的長度為 5L,假設 L 與 t 的尺寸相較 R 甚小。現於鋼 條伸出端 C 點施加一垂直載重 P,當鋼條之 AB 段(= L)與剛性基座完全接觸時, 試求施加在 C 端之外力 P 為多少?(請以 P = (?)bt
3
表示。)(提示:可近似採用以 下關係 1/R = M/EI
z
)(20 分)
【已刪除】四、圖四為一懸臂梁,均佈載重 w 施加在 AB 段。已知梁的 EI 值為常數,且 a = 2L/3, 試求自由端 C 處之轉角 θc與垂直位移 Δ
c
。(20 分)
【已刪除】五、圖五為一裝液體之容器,a 點位於容器液體表面,該表面積為 A
a
,容器下方 b 點處 有一孔口,孔口 b 處面積 A
b
,相較 A
a
甚小。依照圖示液面高度 H = 4.905 m 情況下, 試求此時孔口 b 處液體之流速 V
b
。(20 分)
相關試卷
114年 - 114 公務升官等考試_薦任_土木工程:工程力學(包括流體力學與材料力學)#133245
114年 · #133245
113年 - 113 地方政府公務特種考試_三等_土木工程:材料力學#124539
113年 · #124539
112年 - 112 公務升官等考試_薦任_土木工程:工程力學(包括流體力學與材料力學)#117162
112年 · #117162
112年 - 112 原住民族特種考試_三等_土木工程:工程力學(包括流體力學與材料力學)#116539
112年 · #116539
111年 - 111 原住民族特種考試_三等_土木工程:工程力學(包括流體力學與材料力學)#110630
111年 · #110630
110年 - 110 公務升官等考試_薦任_土木工程、結構工程:工程力學(包括流體力學與材料力學)#103690
110年 · #103690
110年 - 110 原住民族特種考試_三等_土木工程:工程力學(包括流體力學與材料力學)#101004
110年 · #101004
109年 - 109 原住民族特種考試_三等_土木工程:工程力學(包括流體力學與材料力學)#90831
109年 · #90831
108年 - 108 公務人員升官等公務薦任_土木工程:工程力學(包括流體力學與材料力學)#80522
108年 · #80522
108年 - 108 特種考試原住民族三等 工程力學(包括流體力學與材料力學)#79058
108年 · #79058