所屬科目:工程力學(包括流體力學與材料力學)
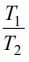
一、已知圖一中之面積對 y 軸的慣性矩為。求此面積之主慣性矩 (principal moments of inertia),及主慣性角(angles of principal axes)θP。(25 分)
二、長為 L,截面積為 A = 500 mm 2 ,熱膨脹係數,楊氏模數 E = 110 GPa 之等截面桿件 AB,在 B 點連接彈力常數 k = 5 MN/m 之彈簧,如圖二所示。若桿件 AB 受到溫度昇高ΔT = 25℃作用,求 rs 截面上之正向應力 σθ及剪應力 τθ 。(25 分)
(一)之大小。(15 分)
(一)若兩桿之最大剪應力=? (13 分)
(二)若兩桿之扭轉角相同,則 ? (12 分)