所屬科目:捷運◆電機概論
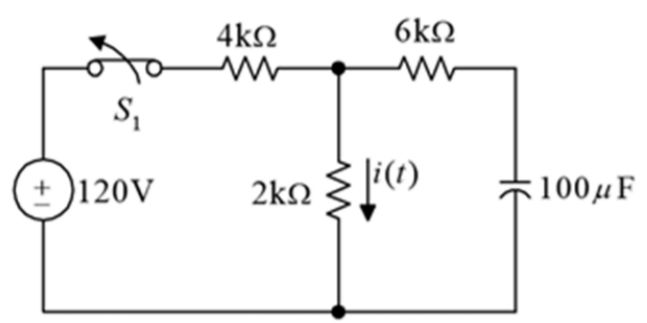
10 如下圖所示,待電源穩定後,在 t1 的時間,瞬間將開關 S1 打開(OFF), 則 i(t1)為? (A)–10mA (B)0mA (C)5mA (D)10mA
11 如下圖所示穩壓電路中,流過齊納二極體的電流為? (A)1mA (B)0.5mA (C)0.75mA (D)0.25Ma
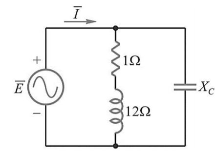
12 如圖電路,若欲發生諧振,則 XC 應為多少? (A)11Ω (B)12Ω(C) 13Ω(D)14Ω
13 如圖,若 IR 及 IL 安培計之指數均為 10A,則安培計 A 之指數為? (A)10A (B)0A (C)10√2 A (D)20A
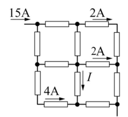
14 如下圖,請問 I 值為多少? (A) 7A (B) 9A (C)11A (D)13A
15 如下圖中之電壓波形,求其平均值為? (A)30V (B)20V (C)10V (D)0V