所屬科目:統測◆03電機類、04資電類◆(一)基本電學、基本電學實習、電子學、電子學實習
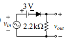
2. 如圖(一)所示之理想稽納(Zener)二極體電路,若VS =18V,則該電路之稽納二極體功率 規格至少應為何? (A) 225mW (B) 180mW (C) 168mW (D) 132mW
4. 下列全波整流電路之接線,何者正確? (A) (B)(C) (D)
5. 某二極體電路實驗之示波器量測波形如圖 ( 二 ) 所示,已知此實驗電路的輸入信號 vin=10sin (ωt)V,且二極體視為理想,則此實驗電路可能為下列何者?
(A) (B) (C) (D)
7. 如圖(三)所示之 LED 驅動電路,若 VBB = 5 V, VCC = 5 V,電晶體之 β = 50,LED 二極體 流過之電流為 10 mA 且順向電壓為 2 V,電晶體工作於飽和區且 V CE之飽和電壓視為零, 則下列何者正確?
(A) RB =30 kΩ,RC =300Ω (B) RB =20 kΩ,RC =300Ω (C) RB =30 kΩ,RC =200Ω (D) RB =20 kΩ,RC =200Ω
9. 如圖(四)所示之集極回授偏壓電路,VCC =12V,VBE =0.7V,電晶體 β=150,RC =1 kΩ, 若 VCE =6V,則RB約為何? (A) 45.5 kΩ (B) 78.5 kΩ (C) 133.4 kΩ (D) 160.4 kΩ
10. 如圖(五)所示之電晶體電路,VBE =0.7V,電晶體 β=50,熱電壓(thermal voltage )VT=26 mV。若正弦波輸入電壓 Vi 的平均值為零,且電晶體操作於主動區,則電壓 Vo 的平均值 為何?
(A) 13.58V (B) 12.43V (C) 10.58V (D) 8.75V
11. 如圖(六)所示之電晶體電路,VBE =0.7V,VT=26mV,則此電路小信號電壓增益 vo / vi約 為何? (A) – 100 (B) – 80 (C) 80 (D) 100
12. 如圖(六)所示之電路,VBE=0.7V,VT=26mV,則此電路小信號電流增益∣io/ii∣約為何? (A) 1.2 (B) 0.49 (C) 0.31 (D) 0.25
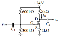
15. 如圖(七)所示之JFET電晶體電路,已知該電晶體截止電壓VGS(off) = – 5V,直流閘源極電壓 VGS = –4V時,ID =0.5mA,則R1 /R2值為何? (A) 0.5 (B) 1 (C) 2 (D) 4
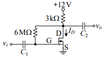
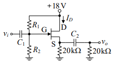
16. 如圖(八)所示之 MOSFET電晶體電路,該電晶體之臨界電壓(threshold voltage )Vt = 4V, 參數K=0.5mA/V 2,電路操作於飽和區工作點之 ID =2mA,則此工作點之 VGS為何? (A) 8V (B) 6V (C) 4V (D) 2V
18. 如圖(九)所示之增強型MOSFET電晶體電路,其參數K=2mA/V 2,直流汲極電流ID=2mA。 若汲極交流電阻rd忽略不計,則小信號電壓增益 vo/vi約為何? (A) – 2.22 (B) – 4.32 (C) – 5.18 (D) – 6.03
19. 如圖 ( 十 ) 所示之 N 通道 JFET 電晶體電路,其截止電壓 VGS(off ) = – 3 V,直流工作點之 VGS=– 1V,汲極電流 ID =8mA。若汲極交流電阻rd忽略不計,則小信號電壓增益 Av = vo / vi與 輸入阻抗Ri為何?
(A) Av =– 24,Ri=62.5Ω (B) Av =– 12,Ri=50Ω (C) Av =15,Ri=50Ω (D) Av =16,Ri=62.5Ω
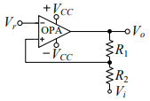
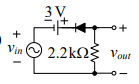
21. 如圖(十一)所示之理想運算放大器電路,其輸出電壓Vo為何? (A) 1.5V (B) 2.5V (C) 6.0V (D) 9.0V
22. 如圖 ( 十二 ) 所示之理想運算放大器電路,若電阻 R1 = R2 = R3 = R4 = 100 kΩ,RA = 10 kΩ, 若欲設計輸出電壓Vo=V1+V2+V3+V4,則RB為何? (A) 5 kΩ (B) 10 kΩ (C) 20 kΩ (D) 30 kΩ
23. 如圖 ( 十三 ) 所示之理想運算放大器 RC 相移振盪器,若此電路已工作於振盪頻率 1300 Hz 且Ri >>R,則下列何者正確?(提示:√ 6≒2.45 ) (A) R=500Ω,C=0.01μF (B) R=1 kΩ,C=0.05μF (C) R=2 kΩ,C=0.01μF (D) R=2 kΩ,C=0.05μF
24. 如圖(十四)所示之電路,在正常振盪情況下,Vo之週期約為何?(提示:ln 2≒0.7)
(A) 0.7RB1C1 (B) 0.7RC1C2 (C) 0.7 (RC1C1+RC2C2) (D) 0.7 (RB1C1+RB2C2 )
25. 如圖 ( 十五 ) 所示之施密特 ( Schmitt ) 觸發電路,VCC為電源電壓,OPA 輸出飽和電壓大小 為Vsat,Vr為參考電壓,Vi為輸入電壓,則其遲滯( hysteresis)電壓Vh為何? (A) 2Vsat(R2 /R1 ) 圖(十五) (B) 2Vsat(R1 /R2 ) (C) (2Vsat R2 )/(R1+R2) (D) (2Vsat R1 )/(R1+R2 )
29. 如圖 ( 十六 ) 所示之電路,試問哪些開關需閉合,才可使規格為 12 V / 24 W 之電阻性負載 符合額定功率? (A) S1、S2、S3 (B) S2、S3、S4 (C) S1、S3、S4 (D) S1、S2、S4
30. 如圖(十六)所示之電路,試問哪些開關需閉合,才可使電流I=1.8A?
(A) S1、S2、S3 (B) S2、S3、S4 (C) S1、S3、S4 (D) S1、S2、S4
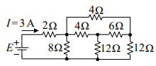
31. 如圖(十七)所示之電路,試求電源電壓E為何? (A) 9V (B) 12V (C) 15V (D) 18V
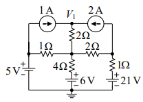
32. 如圖(十八)所示之電路,試求節點電壓V1為何? (A) 10V (B) 12V (C) 16V (D) 18V
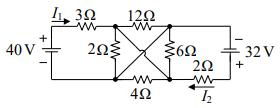
33. 如圖(十九)所示之電路,試求電流I1、I2各為多少? (A) I1=2A,I2=– 2A (B) I1=4A,I2=2A (C) I1=6A,I2=5A (D) I1=8A,I2=8A
34. 如圖(二十)所示之電路,則a、b兩端之戴維寧等效電阻Rab為何? (A) 15Ω (B) 18Ω (C) 20Ω (D) 25Ω
40. 如圖(二十一)所示,電感在開關S 閉合前已無儲能,若開關S 在時間t =0時閉合,則t >0 的電壓v (t)為何? (A) v (t)=20 ( 1– e –100 t ) V (B) v (t)=20 (1 –e –50 t ) V (C) v (t)=20+10 e –100 t V (D) v (t)=20+10e – 50 t V
41. 如圖(二十二)所示為電壓v (t)之週期性波形,則其有效值約為多少伏特? (A) √ 65.33 (B) √54.67 (C) √32.67 (D) √ 21.78
42. 若 =? (A) 4 √2∠45° (B) 4 √2∠135° (C) 4∠90° (D) 4∠-90°
43. 有一個電壓源 vs (t) =100 √2 cos(2500t -30°)V 接 R = 40Ω , C =10μF 之 RC 串聯交流電 路,則下列敘述何者正確? (A) 電路總阻抗 = 40+ j40Ω (B) 電路總阻抗大小 Z = 80Ω (C) 電阻 R 兩端電壓 vR (t) =100cos(2500t -30°)V (D) 電容 C 兩端電壓 vC (t) =100cos(2500t - 75°)V
44. 如圖 ( 二十三 ) 所示 RLC 並聯交流電路,已知 =100∠30°V , R = 20Ω 、 XL =10Ω 、 XC = 20Ω,則下列敘述何者正確? (A) 相角 30° (B) 相角 90° (C) = 5 √2∠-15°A (D) = 5∠0°A
45. 如圖(二十四)所示之交流弦波電路,負載1、負載2及負載3皆為 RLC組合之被動電路,若 =100∠90°A ,則下列敘述何者 正確?
(A) 負載1為純電感性負載 (B) 負載2為純電容性負載 (C) 負載3為純電阻性負載 (D) 負載1為純電阻性負載
47. 如圖(二十五)所示,弦波電壓源 V 之有效值為200V,R = 40Ω 、 XL = 60Ω、 XC = 30Ω, 則下列敘述何者正確? (A) 電路的功率因數 PF=0.8 (B) 電源供給的平均功率 P=1000W (C) 電源供給的虛功率 Q=1000VAR (D) 電源提供的視在功率 S=1000VA
48. 如圖 ( 二十六 ) 所示,可調整頻率之弦波交流電壓源 =110V ,當角頻率 ω = 500rad/sec 時, R =10Ω、 XL = 250Ω 、 XC = 40Ω 。調整電源頻率至諧振時,則下列敘述何者正確? (A) 諧振角頻率 ω0 = 200rad/sec (B) 諧振角頻率 ω0 = 300rad/sec (C) 為 20A (D) 為 10A
49. 如圖 ( 二十七 ) 所示,若弦波交流電壓源 =100V , R = 8Ω, L =1mH ,C =10μF ,則 諧振時之 為何? (A) 6A (B) 8A (C) 10A (D) 12A