所屬科目:捷運◆電子概論
2. 根據下圖,請利用諾頓(Norton)等效電路,計算其等效電阻最接近以下何者? (A)1Ω (B)3 Ω (C)5Ω (D)7Ω
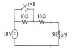
7. 如下圖所示電路中,開關已打開一段很長的時間,在 t=0 開關閉合前已達到穩態狀況,求開關閉合後的電感器電流 i(t) 為何?
(A)1-0.5e-4tA (B)1-0.5e-2tA (C)2-e -4tA (D)2-e -2tA
15. 如下圖所示電路,節點電壓 VC 為何? (A)14V (B)28V (C)42V (D)56V
20. 根據下圖,i 值最接近以下何者? (A)0A (B)1A (C)2A (D)3A
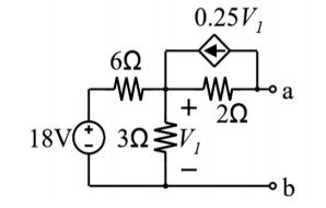
21. 在下圖電路中,求端點 a-b 看入之戴維寧等效電壓 Vth=? (A)6V (B)9V (C)12V (D)15V
38. 效率最高的放大器是 (A)A 類 (B)B 類 (C)A B 類 (D)C 類