所屬科目:教甄◆汽車科
7.一物體從某建築物的頂端由靜止自由落下,若忽略空氣阻力之影響,且物 體自落下經過 1 秒及 3 秒後之落下距離分別為 h1及 h3,則 之比值為何?(A)1/6(B)1/7(C)1/8 (D)1/9
8.如圖一重 20kg 的球,以 1m 長之繩子繫住,將其提至水平位置放開,當球 擺至最低位置時,求繩中之張力為多少 N?(A)196 (B) 392 (C) 588 (D)784
9.如下圖二所示,有三個作用於滑輪之力,試求其合力大小?(A)(B)(C)(D)
11.一物體從高 h 的樓上水平拋射,著地時和水平面成 45° 角,則水平位移 為(A) h (B) 2h (C) 3h (D) h
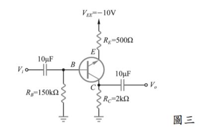
12.如圖三,其電晶體 β = 100、VBE = 0.7V,計算 VCE 電壓值大約為多少? (A)1.2V (B)2.2V (C)3.2V (D)4.2V
14.如圖四的電路中的 D1、D2 為理想二極體,則 Vo =? (A) -4.5V (B) -1.5V (C) 0V (D) 2.5V
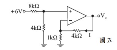
17.如圖五所示之理想運算放大器電路,試求電流I為何? (A) 1 mA (B) 2 mA (C) 3 mA (D) 4 mA
18.如圖六組合邏輯閘其輸入與輸出之組合(A、B、C、F),下列何者正確? (A) (0、1、0、0) (B) (0、0、1、0) (C) (1、1、0、0) (D) (0、0、0、1)
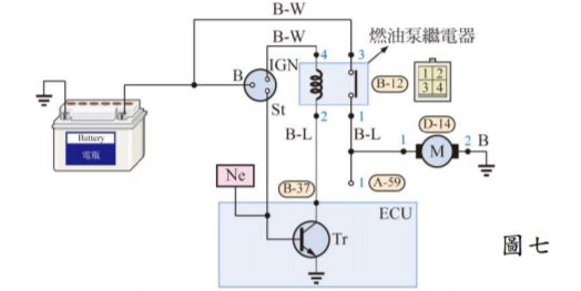
21.如圖七所示之電路圖,若將發火開關 off,利用跳線直接供應 12V 的電源 由 A-59 線盒 1 號接腳輸入,甲、乙、丙三人中,哪幾位的敘述正確?甲: 燃油泵應開始作動。乙:若燃油泵無法作動,很可能是燃油泵馬達故障。 丙:若 D-14 線盒之 2 號接腳搭鐵不良,燃油泵馬達亦無法作動。 (A) 甲、乙 (B)乙、丙 (C)甲、丙 (D)甲、乙、丙
22.如下圖八所示,關於起動繼電器的端子接腳測試值,在1、2 端子接腳 接上電瓶電源;3、5 端子接腳的電阻值應該為: (A)小於100Ω (B)小於1Ω (C)小於10Ω (D)小於1KΩ
30.When used for inspecting connecting rods (Fig.9)the feeler gauge is used to: (A)measure the diameter or the bearing end. (B)identify bending and twisting. (C)measure the piston pin bore. (D)locate cracks.
二、問答與計算題(每題 10 分,共 40 分。未詳列計算過程不予計分)1.如圖十之電路,稽納(Zener)二極體之 VZ = 10V,最大額定功率為 200mW,若負 載電阻 RL兩端電壓要維持在 10V,則 RL之範圍為何?
2.圖十一之陳君體力 80kg,為搬動 W 重之物體,以一繩索固定於 A,穿過 B、再由 C 處施力拖拉。若陳君與地板間之摩擦係數為 0.4,當ψ= 30°時剛好維持平衡 之狀態,試回答下列問題:(1)計算 A 處之反力為何?(2)可以舉起之物重 W 為 多少?