所屬科目:台電◆輸配電學
11. 試求電壓與電流間的相位關係為何? (A)電壓領先電流10° (B)電流領先電壓10° (C)電壓領先電流100° (D)電流領先電壓100° .
13. 一正相序Y接平衡三相電壓源,線電壓ܸ ܸ,經由每相線路阻抗為1 + j 0.5 Ω的 傳輸線,傳送電力到單相阻抗值為9 + j 7.5 Ω的平衡Δ接負載,求a相電流Ia為何? (A) 10∠- 6.87° A (B) 10∠- 36.87° A (C) 10√3∠- 36.87° A (D) 10√3∠-6.87° A .
14. 試求的逆拉普拉斯轉換為何? (A)-3e-3t-2e-4t(B)-2e-3t+3e-4t(C)2e-3t-3e-4t (D)3e-3t-2e-4t
16. 電感器端電壓(v)與電流(i)的數學微分關係式為何? (A) (B) (C) (D)
17. 一單相二線式輸電線路,送受兩端相距20 km,倘輸電線路常,當負載端受電為500 V時,負載電流為10 A,功率因數為60 %滯後,試求送電端電壓為何? (A) 500 V (B) 550 V (C) 580 V (D) 600 V (E)以上皆非
18. 某一輸電線路之突波阻抗ZC = 1/3 kΩ,導線上進行波之傳播速度,則此導線 並聯電容為多少(法拉/公尺)? (A) (B) (C) (D)
20. 有一硬抽銅線規格為7/1.0 mm,其截面積為多少mm2 ? (A) (B) (C) (D)
25. 試求【圖1】電路圖中之Ix、Iy及Iz為何? (A) Ix = 9 mA、Iy = - 2 mA、Iz= - 10 mA (B) Ix = - 2 mA、Iy = - 10 mA、Iz= - 9 mA (C) Ix = - 10 mA、Iy = - 2 mA、Iz= - 9 mA (D) Ix = 9 mA、Iy = - 10 mA、Iz= - 2 mA
28. 試求【圖2】電路圖中之RAB為何? (A) 3 Ω (B) 6 Ω (C) 8 Ω (D) 9 Ω
29. 如【圖3】Y→ᇞ電阻值轉換,試求R1、R2及R3為何? (A) R1 = 14 Ω、R2 = 28 Ω及R3 = 7 Ω (B)R1 =30 Ω、R2 = 15 Ω及R3 = 8 Ω (C) R1 = 8 Ω、R2 = 15 Ω及R3 = 30 Ω (D) R1 = 14 Ω、R2 = 7 Ω及R3 = 28 Ω
39. 如【圖4】三相之3芯電纜芯線對地電容為C1,芯線間電容為C2,其中C1 = 6 微法拉,C2 = 2微法拉,試求等效單相對地電容值為多少微法拉(10-6F)? (A) 8 (B) 12 (C) 14 (D) 16
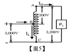
40. 如【圖5】將一2000 V / 200 V、25 kVA雙繞組變壓器改成升壓自 耦變壓器,繞組AB為200 V,繞組BC為2000 V,則輸出額定容 量將成為多少kVA? (A) 25 (B) 125 (C) 175 (D) 275
41. 如【圖6】所示電路,其b、c兩端之電壓Vbc為何? (A) 50V (B) 75V (C) 100V (D) 150V
50. 導線線徑1 MCM等於多少圓密爾(CM)? (A) (B) (C) (D)