所屬科目:台電◆輸配電學
1. 輸送相同之電力,若電壓提高 1 倍,線路損失及線路電壓降分別為原來的幾倍? (A)均為 (B)均為 (C) (D)
23. 如下圖所示之直流二線式配電線路單線圖,,試求及各為多少 A? (A)= 10、= 32 (B)= 16、= 26 (C)= 20.75、= 21.25 (D)= 21.25、= 20.75
27. 如下圖所示為一 π 型線路,送電端及受電端並聯支路為500 歐姆,串聯支路為 1,000 歐姆,送電端及受電端的關係式為,請問其常數A為何? (A) 1 (B) 2 (C) 3 (D) 4
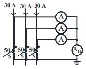
29. 如下圖所示為一三相平衡系統,安培表 An 的讀數為多少 A? (A) 0 (B) 3 (C) 6 (D) 9
39. 如下圖所示為一三相之 3 芯電纜線靜電電容分布,其中 C1 為芯線間相互靜電容,其值為 3 μF/公里;C2為芯線對地間之靜電容,其值為 2 μF/公里。 當三相電壓平衡時,則等效單相對地電容值為多少μF/公里? (A) 3 (B) 5 (C) 9 (D) 11
40. 有一單相電路,瞬間電壓 V(t)為,瞬間電流 I(t)為,則功率因數為多少? (A) 0.5 (B) 0.707 (C) 0.866 (D) 1
41. 3具單相變壓器做三相△-Y連接,下列敘述何者有誤? (A)線電壓提高之功能,適用於發電廠之升壓變壓器 (B)一次側線電壓落後二次側線電壓 30 度 (C)一次側無諧波之害 (D)一具變壓器故障,可改為 U-V 接線繼續供電
45. 如圖所示,若將一台 4 kVA、400 V/800 V之單相雙繞組變壓器經由適當的端點連接成單相 400V/1200 V之升壓自耦變壓器,滿載時低壓側輸入線電流為多少A? (A) 2.875 (B) 5 (C) 10 (D) 15