所屬科目:機械設計
一、如圖所示為一根長度為 800 mm 的鋼製懸臂樑,楊氏係數 E = 200 GPa, 樑的長方形截面寬度為 60 mm、厚度為 12 mm;置於末端之螺旋彈簧, 鋼絲直徑為 12.5 mm,彈簧的外徑為 100 mm,有效圈數為 10 圈,鋼絲 的剛性模數 G 為 83 GPa,試求當末端的撓度(Deflection)為 40 mm 時 之作用力。(20 分)
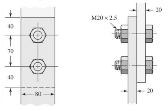
四、如圖所示為以二支 M20 × 2.5 螺栓(bolt)所鎖緊、厚度為 20 mm 的兩片鋼板之接合件,其餘尺寸如圖所示。鋼板的降伏強度為 490 MPa,螺栓的降伏強度為 420MPa 假設每根螺栓在兩片鋼板接合間沒有螺紋且鋼板之軸向拉力為均勻分佈 欲使該接合件的安全係數大於 2.5,試求鋼板所能承受的最小拉力 (20 分)