所屬科目:技檢◆室內配線(屋內線路裝修)-丙級
4. 屋內配線設計圖無熔線開關之符號為(A) (B) (C) (D) 。
5. 屋內配線設計圖之符號 為(A)電路至配電箱(B)線管下行(C)線管上行(D)出線口。
11. 如下圖所示,若加直流電 100V 則有 12.5A 電流通過,若加交流電(正弦波)100 V 則有 10A 的電流 通過,則該電路之電阻(R)及感抗值(X )各為多少 Ω?(A)5,12(B)10,6(C)8,6(D)12,16。
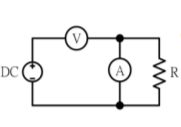
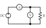
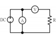
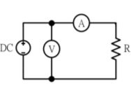
19. 利用電壓表、電流表,測量未知電阻,如屬高電阻時,為減少誤差宜採用下列何種接法? 109 室內配線─屋內線路裝修 丙 4-2(序 001) (A) (B) (C) (D) 。
26. 屋內配線設計圖壁燈之符號為(A) (B) (C) (D) 。
28. 屋內配線設計圖之符號 為(A)矮腳燈(B)需量計(C)瓦時計(D)瓦特計。
50. 屋內配線設計圖接地型專用雙插座之符號為(A) (B) (C) (D) 。
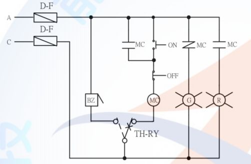
51. 如下圖所示,電路利用三用電表作靜態測試,當按下 ON 按鈕時,若電路接線正確,其所量測電阻值 應(A)不變(B)不一定(C)減少(D)增加。
57. 屋內配線設計圖之符號 為(A)紅色指示燈(B)綠色指示燈(C)接地指示燈(D)接地保護電驛。