所屬科目:教甄◆生活科技專業
3. 在數位邏輯中,反及閘(NAND)的符號為? (A) (B)(C)(D)
6. 如下圖所示之電路,F與A、B關係為何? (A)F=A+B (B)F=A⊕B (C)F=AB (D)F=A-B 20kΩ 。
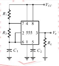
28. 下圖為編號555積體電路所組成之振盪器是屬於下列何者? (A)雙穩態 (B)單穩態 (C)無穩態 (D)以上皆非 。
57. 請判斷下列桁架結構有幾根桿件受力為0?
(A)1 (B)2 (C)3 (D)4 。
58. 如圖所示,此結構的零力桿件有幾個? (A)1 (B)2 (C)3 (D)4 。
59. 下圖是結構柱的平面圖,請問三種鋼筋的重要程度依序為? (A)主筋、箍筋、繫筋 (B)主筋、繫筋、箍筋 (C)箍筋、主筋、繫筋 (D)繫筋、主筋、箍筋 。
60. 下圖為2010年甲仙地震,臺南某國中的校園照片,請問下列敘述何者有誤? (A)箍筋間距太小 (B)保護層已碎裂 (C)水管不應埋設於柱內 (D)主筋號數比箍筋號數高 。