所屬科目:研究所、轉學考(插大)◆電路學
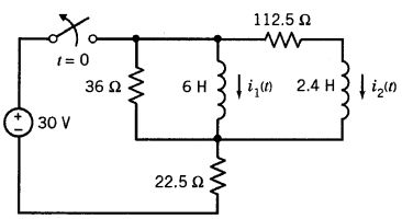
1. (15%) The circuit below is at steady state before switching. Determine the inductor current i2(t) for t > 0.
2. (15%) Determine the inductor current iL(t) for t >0, using Laplace transform:
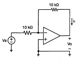
3. (10%) Consider the given circuit. The operational amplifier has an open loop voltage gain of 10 5VN, input impedance of 1 MΩ, and output impedance of 10 Ω. Find the current it when Vs is 1 V.
4. (10%) Find the Thevenin and Norton equivalents with respect to the terminals a and b for the given circuit.
5. (10%) A linear network has a short-circuit current of 20 A and an open-circuit voltage of 12 V. A 2-Ω resistive load is connected to this network. Determine the power dissipation on the load.
9. (10%) Find the steady state of output voltage vo(t) in the given circuit using the superposition technique.