所屬科目:教甄◆生活科技專業
10. 下圖為一個 5V 電壓的脈波寬度調變圖,High 的寬度為 90%,Low 的寬度為 10%, 請問此圖輸出的電壓為多少?(A)5V (B)4.5V (C)3V (D)1.5V。
11. 下圖為 ArduinoIDE 的伺服馬達控制程式,根據程式內容,下列敘述何者錯誤? (A)引用Servo.h函式庫 (B)定義伺服馬達的物件名稱為myservo (C)伺服馬達訊號 線應接在9號腳 (D)伺服馬達會執行一次旋轉180度,停15秒,再反轉180度,停15秒 (E)伺服馬達會重複旋轉180度,停15秒,再反轉180度,停15秒。
30. 有關此電子元件符號的敘述何者錯誤?(A)為 NPN 電晶體 (B)左邊為基極 (C)位於工作區時,集-基極接面為順向偏壓 (D)位於工作區時, 基-射極接面為順向偏壓。
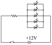
33. 有一電路如右圖,需要一個保護電阻,與並聯的 5 個紅 色發光二極體(LED)串在一起,已知此電路的電源為 12V,所使用的紅色 LED 的工作電壓為 2.5V、工作電流 為 20mA , 請問應該選擇多少歐姆的電阻較 恰當 ?
(A)95 (B)195 (C)295 (D)395。
5. 依下圖,尺寸標註中,箭頭指示的部位名稱為:(1)________、(2)________。
2.想要利用繼電器設計一個自保持迴路,使常開開關按下時,LED燈亮起,直到常閉開關按下時 ,LED熄滅,請將電路繪製出來。
3.依下列的三視圖繪製出立體等角圖: