所屬科目:技檢◆配電線路裝修-甲級
4. 如下波形圖,v1 (t)與 v2 (t)相位關係為(A)v1 (t)領先 v2 (t) 105° (B)v2 (t)領先v1(t) 105° (C)v1 (t)滯後 v2 (t)1 50° (D)v2 (t) 滯後 v1 (t) 150° 。
9. I1= sin ωt 與 i2=sin(ωt-180°)兩電流之差以均方根值表示時應為 (A)2 安培 (B)4 安培 (C)6 安培 (D)8 安培 。
10. 一正弦波電流之有效值為 A 安培,其最大值應 為 (A)(2/π)A 安培 (B)A 安培 (C)安 培 (D)(π/2)A 安培 。
13. 如下圖電路,當開關 S 投入後,電流 Io 為(A)0A (B)5A (C)5.5A (D)6.0A 。
14. 如下圖電路,當開關 S 投入後,流經 A、B 兩點之電流 Io 為(A)0A (B)5A (C)5.5A (D)6.0A 。
15. 如下圖電路,當開關 S 開啟後,電流 Io為(A)0A (B)5A (C)5.5A (D)6.0A 。
19. 下圖(5)電路,流過 8Ω電阻的電流為(A)4A (B)3A (C)2A (D)1A 。
20. 三相平衡之Δ電路,若相電流為 10 A,則其線 電流為 (A) (B)30 A (C)(D)10 A 。
21. 一三相電路如下圖,電源相序為 a-b-c,電壓Vab=173.2∠30°伏特,則(A)10∠90°A (B)17. 3∠90°A (C)10∠60°A (D)17.3∠60°A 。
22. 下圖電路達穩態時,流經 10Ω電阻之電流為(A)0A (B)1A (C)2A (D)4A 。
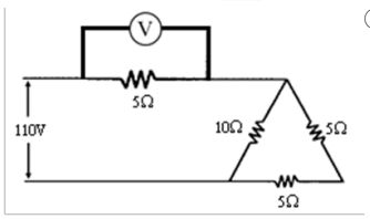
24. 如下電路圖,電壓計指示電壓為(A)45 伏特 (B) 55 伏特 (C)65 伏特 (D)75 伏特 。
27. 一單相三線式電路如下圖,當中性線在 K 處斷線時,bc 間電壓約為(A)75V (B)125V (C)100V (D)150V 。
28. 如下圖所示,三相三線Δ380V 不接地系統,當系統平衡時,其線對地電壓為(A)220V (B)380V (C)視接地電阻高低而定 (D)0V 。
33. 下圖電路 a、b 兩端之等效電阻為(A)(1/3)R (B)(2/3) R (C)R (D)(4/3)R 。
37. 一電路圖如下,其總阻抗為(A)502 ∠-45°Ω (B)502 ∠45°Ω (C)50∠-45°Ω (D)50∠45°Ω 。
40. 電阻 R 與感抗 X 串聯之電路,若 時,其功率因數為 (A) (B)(C)1/2 (D) 。
49. 一 6Ω電阻與一個電感器串聯之電路,接入 60H z 電源時,其功率因數為 0.6,若電源頻率增加為 90Hz 時,該電路功率因數為 (A)(B)(C)0.5 (D)0.4 。
50. 如下圖所示電路,其功率因數為(A)0.25 (B)0.5 (C)0.707 (D)0.866 。