所屬科目:電子學
3.如【圖 3】所示,假設電晶體 β=100、VBE(sat)=0.8V、VCE(sat)=0.2V,欲使電晶體進入飽和狀態, 則 RC 最小值為何?(A) 100Ω (B) 113Ω (C) 200Ω (D) 227Ω
6.如【圖 6】所示電晶體放大電路,若電容 C3 故障開路,則下列何者錯誤?(A)輸入阻抗變小 (B)輸出阻抗變大 (C)電流增益變小 (D)電壓增益變小
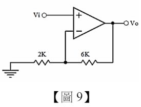
9.如【圖 9】所示電路,運算放大器之飽和電壓為±12V,下列何者正確?(A)若 Vi=+4V 則 Vo=+12V (B)若 Vi=+4V 則 Vo=-12V (C)若 Vi=-2V 則 Vo=+8V (D)若 Vi=2V 則 Vo=+6V
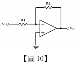
10.如【圖 10】所示之電路,欲使電壓增益為–10,且輸入電阻為 20kΩ。則 R1 及 R2 之值各約為何?(A) R1=2.5kΩ,R2=25kΩ (B) R1=20kΩ,R2=200kΩ (C) R1=25kΩ,R2=2.5kΩ (D) R1=200kΩ,R2=20kΩ
15.如【圖 15】所示電晶體共基極放大電路,已知 VBE=0.7V、β=100、熱電壓 VT=26mV,求該電路 電壓增益 Av=?(A) 3 (B) 99 (C) 149 (D) 200
17.如【圖 17】所示之電路,假設 OPA 為理想,V1=3V、V2=-2V,求其輸出電壓為何?(A) –8V (B) –2V (C) +2V (D) +8V
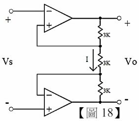
18.如【圖 18】所示為儀表放大電路,假設兩個 OPA 均為理想,若 Vs =3V,試求其輸出電壓 Vo?(A) Vo = 3V (B) Vo = 6V (C) Vo = 9V (D) Vo =12V
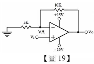
19.如【圖 19】所示之電路,假設 OPA 為理想,若 Vi=4V,運算放大器的飽和電壓為±13V,則 VA 為何? (A) -4V (B) 0V (C) 3V (D) 4V
20.如【圖 20】電路中,U1 為理想運算放大器,若 R1=1kΩ、R2=10kΩ、R3=5kΩ、R4=50kΩ,V1= 8V、V2=7V,試求 Vo=?(A) -15V (B) -10V (C) 1V (D) 15V
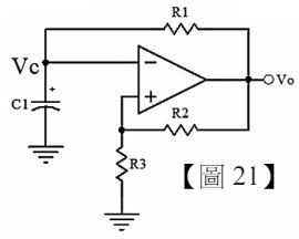
21.如【圖 21】所示之電路,假設 OPA 為理想,運算放大器的飽和電壓為±13V,R1 = R2 = R3 下列何 者錯誤?(A)正回授因數 β 為 0.5 (B) Vc 為三角波,振幅為±6.5V (C)振盪週期為 2R1C1ln(3)秒 (D) Vo 為方波,振幅為±10V
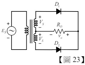
23.中間抽頭式二極體整流電路如【圖 23】所示,若交流側電壓 Vs =12 V(有效值),則二極體 D1 的逆 向峰值電壓(peak inverse voltage, PIV )為何?(A) 12 V (B) 24 V (C) (D)
26.某交流電壓的時間函數,此交流電壓的頻率約為何? (A) 314 Hz (B) 157 Hz (C) 100 Hz (D) 50 Hz
27.週期性的脈波電壓如【圖 27】所示,,若最大值為 10V,則此電壓的平均值為何?(A) 1.5V (B) 2.5 V (C) 5.0 V (D) 7.5 V
28.如【圖 28】所示的電路為何種濾波器?(A)高通濾波器 (B)低通濾波器 (C)帶通濾波器 (D)帶拒濾波器
30.有關 N 通道加強型 MOSFET 在飽和區操作,Vt 為臨界電壓(threshold voltage),VGS 為閘極-源極電壓, K 為 MOSFET 參數,汲極電流 ID為何? (A)(B)(C)(D)
31.有關 N 通道加強型 MOSFET 在飽和區操作,Vt 為臨界電壓(threshold voltage),VGS為閘極-源極電壓, K 為 MOSFET 參數,轉移電導(互導)gm為何? (A)(B) (C)(D)
34.理想運算放大器的電壓隨耦器如【圖 34】所示,其電壓增益為何? (A) -0.5 (B) -1 (C) 1 (D) 0.5
36.運算放大器所組合電路如【圖 36】所示,此電路的名稱為何?(A)微分電路 (B)積分電路 (C)除法電路 (D)乘法電路
38.雙極性接面電晶體(BJT)的直流偏壓電路如【圖 38】所示,若 BJT 切入電壓 VBE = 0.7V,β = 100, VBB = 5.7V,VCC = 10V, RC = 2kΩ , RB = 200kΩ ,則直流偏壓的集極電流IC 為何?
(A) 10 mA (B) 5 mA (C) 2.5 mA (D) 1 mA
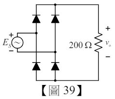
39.橋式整流電路如【圖 39】所示,若交流側輸入電壓有效值ES 為 100V,則輸出電壓平均值約為何?(A) 141.4V (B) 100V (C) 90V (D) 63.6V
40.如【圖 40】所示電路,二極體為理想特性,若 VDD = 6V,R1 =1kΩ,則電流 IR 為何?(A) 2 mA (B) 3 mA (C) 4 mA (D) 6 mA
41.雙極性接面電晶體(BJT)的直流偏壓電路如【圖 41】所示,若 BJT 的 β = 100,RC=500Ω,VCC=10V, IB=1mA,則下列何者正確?
(A)電晶體操作於主動區 (B)電晶體操作於飽和區 (C)電晶體操作於截止區 (D)電晶體集極電流 IC =100mA
42.如【圖 42】所示之理想運算放大電路,R1=R2=10kΩ,Rf=R3=20kΩ,若 V1=2V、V2=3V,則在正常操 作其輸出電壓 V0 為何?
(A) 2V (B) 4V (C) 5V (D) 6V
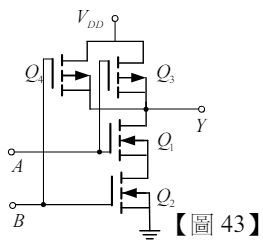
43.由 MOSFET 組成數位邏輯閘如【圖 43】,此為何邏輯閘?(A)及閘(AND gate) (B)或閘(OR gate) (C)反及閘(NAND gate) (D)反或閘(NOR gate)
44.雙極性接面電晶體(BJT)操作於主動區其 T 型小信號模式如【圖 44】所示,BJT 的 β = 50 ,熱電壓 VT =25mV,若直流偏壓的集極電流 IC =1.2mA,則轉移電導(互導)gm為何?(A) 28 mA/V (B) 48 mA/V (C) 68 mA/V (D) 88 mA/V
45.雙極性接面電晶體(BJT)在主動區操作其混合 π 型小信號模式如【圖 45】所示,BJT 的 β = 100 ,熱電壓 VT = 25mV ,若直流偏壓時的電流 IB = 25 μA ,則電阻 rπ 為何?(A) 500Ω (B) 1.0 kΩ (C) 1.5 kΩ (D) 2.0 kΩ
46.共射極放大電路如【圖 46】所示,BJT 的 β = 50 、切入電壓 VBE = 0.7V、RC = 2kΩ,VCC = 12V, 若直流偏壓的 VCE = 6V ,則電阻 RB 約為何?(A) 88 kΩ (B) 188 kΩ (C) 288 kΩ (D) 388 kΩ
47.共源極放大電路如【圖 47】所示,若 MOSFET 小信號模式的轉移電導 gm = 2mA/V 、輸出電阻 rd = 50kΩ ,忽略電容 CD 及 CG效應,則小信號的電壓增益為何?
(A) -100 (B) -75 (C) -50 (D) -25
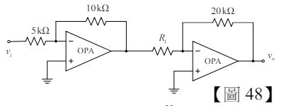
48.理想運算放大電路如【圖 48】所示,若輸入電壓 vi = 0.1sin(250 t ) V ,輸出電壓 vo = 2.0sin(250 t) V, 則電阻 R1 為何?(A) 10 kΩ (B) 5 kΩ (C) 4 kΩ (D) 2 kΩ
49.反相輸入型施密特(Schmitt)觸發器如【圖 49】所示,R1 = 1kΩ,R2 = 9kΩ ,輸出的飽和電壓 Vsat 約 為±10 V,此遲滯(hysteresis)電壓 VH 為何?(A) 2 V (B) 3 V (C) 4 V (D) 5 V
50.考畢子振盪器(Colpitts oscillator)如【圖 50】所示,電路的振盪頻率 fo 為何?(A) (B)(C) (D)