所屬科目:1.電路學 2.電子學
一、如圖一所示之電路,試求電流 I 之值。(25 分)
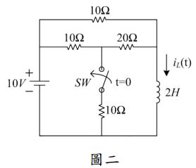
二、如圖二所示之電路,在時間 t = 0 時,開關 SW 閉合。試求時間 t>0 時, 電感電流 iL (t ) 之值。(25 分)
三、如圖三所示之電路,電晶體參數為 VTN = 1 V,Kn = 0.5 mA/V2,試求汲極電流 ID = 0.5 mA,汲極與源極兩端電壓 VDS = 5 V 時,電阻R2 及RS之值。 (25 分)