阿摩線上測驗
登入
首頁
>
技檢◆工業儀器-乙級
> 114年 - 03600 工業儀器 乙級 工作項目 03:工業儀器工程檢查 1-50(2025/10/17 更新)#132399
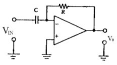
114年 - 03600 工業儀器 乙級 工作項目 03:工業儀器工程檢查 1-50(2025/10/17 更新)#132399
科目:
技檢◆工業儀器-乙級 |
年份:
114年 |
選擇題數:
50 |
申論題數:
0
試卷資訊
所屬科目:
技檢◆工業儀器-乙級
選擇題 (50)
1. 下列那種元件符號為交流電接觸保護器(AC Contact protector) (A)
(B)
(C)
(D)
。
2. 下列何種元件可在交流電中使用雙向觸發 (A)SCR (B)TRIAC (C)Diode (D)Transistor 。
3. 那一種邏輯電路真值為正確 (A)1‧1=0 (B)1⊕1=0 (C)1+1=0 (D)1+0=0 。
4. 壓力儀器之刻度範圍(Scale Range)其操作範圍通常選用在 (A)0~30% (B)0~50% (C)33~75% (D)75~100% 最為適當。
5. 度量單位 g/cm
3
(每立方公分之公克數)是______之單位。 (A)流量 (B)壓力 (C)密度 (D)液位
6. 如下圖所示,為
(A)on-off 控制器 (B)比例控制器 (C)積分器 (D)微分器 。
7. 儀器內部利用電橋電路原理測量溫度,其外接測量元件應為 (A)RTD 電阻球莖 (B)T 型熱電偶 (C)K 型熱電偶 (D)J 型熱電偶 。
8. 差壓配管完畢後所作之氣密試驗,一般試驗壓力應為操作壓力之 (A)1 倍(B)1/2 倍 (C)1 1/2 倍 (D)2 倍 。
9. 對於一般之平衡式記錄控制器而言,檢出端之校正、儀器刻度校正、控制器控制閥操作部之檢查維護均屬於 (A)每日檢查 (B)每週檢查 (C)每月檢查 (D)停俥檢查 之工作。
10. 記錄器之時間調整、放大器之增益調整、記錄墨水檢視、儀器表面清理、記錄紙更新等是______之工作。 (A)每週檢查 (B)每月檢查 (C)平時檢視 (D)大修檢查
11. 儀器信號管線使用金屬導線管套配時,應將金屬導線管加以接地,其接地之方式為 (A)第四種接地 (B)第三種接地 (C)第二種接地 (D)第一種接地 。
12. 噪音指數超過 (A)30 分貝 (B)60 分貝 (C)85 分貝 (D)120 分貝 時應戴耳塞。
13. 欲使電晶體之集極電流(Ic)達到飽和狀態,則其所需之基射極間飽和偏壓
為 (A)鍺電晶體>矽電晶體 (B)矽電晶體>鍺電晶體 (C)二者相同 (D)不一定 。
14. 在污水或化學製品處工作時應穿______保護雙腳。 (A)輕便塑膠鞋 (B)橡膠長靴 (C)布鞋 (D)運動鞋
15. 儀器配線導管之尺寸,應以絕緣電線總斷面積不超過電線導管內斷面積之百分之幾為基準 (A)30% (B)40% (C)50% (D)60% 。
16. 順序控制及連鎖回路測試一般採用之方法為 (A)燈泡模擬 (B)實際操作 (C)校正器組 (D)訊號產生器(Signal Generator) 。
17. 儀器環路校驗(Loop Test)之施行應在 (A)配線配管檢查前 (B)配線配管檢查後 (C)試俥時 (D)儀器安裝後 。
18. 測量儀器驗收時檢查項目不包括: (A)測量範圍 (B)額定壓力 (C)使用材質(D)耐壓試驗 。
19. 儀器信號導線絕緣試驗不包括 (A)導線與導線間 (B)導線與儀器間 (C)導線與接地間 (D)導線與隔離線間 。
20. 外觀檢查不適用於 (A)儀器配管 (B)儀器配線 (C)儀器功能 (D)儀器規範 。
21. 差壓流量計之差壓為 50%時,其流量約為其測量範圍之 (A)25% (B)35%(C)50% (D)70% 。
22. 儀器配管檢查不包括 (A)外觀 (B)耐壓及洩漏 (C)清管 (D)絕緣 。
23. 安裝流孔板時不須注意下列何種事項 (A)流向 (B)流速 (C)流孔對管道的中心位置 (D)洩氣孔之上下 。
24. 空氣信號管之檢查項目應包括 (A)洩漏 (B)耐溫 (C)接地 (D)防爆 。
25. 在何種情況下儀器導壓管須有保溫設施 (A)壓力高 (B)溫度高 (C)流體黏度高 (D)揮發性低 。
26. 儀器導壓管使用材料與下列何種事項無關? (A)壓力 (B)溫度 (C)腐蝕性 (D)儀器型式 。
27. 電子式傳送器信號輸入電腦前須先經 (A)D/A 變換器 (B)A/D 變換器 (C)I/P變換器 (D)P/I 變換器 。
28. 如裝置流孔板(Orifice plate)上游部有阻礙物時,直管部之距離應為 (A)管徑之 5 倍 (B)管徑之 10 倍 (C)管徑之 10~30 倍以上 (D)只要直管即可 。
29. 配線檢查項目中,不含下列何者 (A)誤配線 (B)絕緣電阻 (C)接地電阻 (D)耐壓 。
30. 儀器器材檢查之主要依據為 (A)裝船單 (B)購買規範 (C)廠商說明書 (D)設計圖說 。
31. 數位對類比變換器(DAC)的變換分解度(Conversion Resolution)決定於 (A)參考電壓之高低 (B)類比電壓輸出之大小 (C)位元(bit)的數量 (D)電源頻率的高低 。
32. 下列何者不屬於單體儀器的機能檢查項目 (A)零配件之完整性檢查 (B)輸出反應測量 (C)指示值校正 (D)記錄曲線觀測 。
33. 下圖電路中 L 對 SW 而言,屬於
(A)瞬時動作 (B)延時動作 (C)重覆動作 (D)限時復歸動作 。
34. 微處理機之中央處理單元(C.P.U.),不包含下列何種裝置 (A)控制裝置 (B)演算裝置 (C)輸出入裝置 (D)暫存裝置 。
35. 下列何者為場效電晶體(FET)的正確特性? (A)電流放大 (B)電壓放大 (C)低輸入阻抗 (D)高輸出阻抗 。
36. 在工業配電中主電路電線為黑色,若為明顯區別起見 R.S.T.三相電線之色別分別為 (A)紅、白、黑 (B)紅、黑、藍 (C)黑、紅、藍 (D)黃、白、黑 。
37. 無熔絲開關(NFB)啟斷容量之英文記號為 (A)AT (B)AF (C)IC (D)AC 。
38. 依 CNS 線規之規定,絞線之大小以下列何者表示 (A)mm (B)mm
2
(C)線號(D)重量 。
39. 同一溫度產生電位差最高的熱電偶為______型。 (A)K (B)J (C)E (D)T
40. 由電阻測溫體(R.T.D)接到控制盤指示計之儀器用電纜應選用 (A)2/C (B)3/C (C)4/C (D)5/C 。
41. 熱動電驛電流設定若額定電流為 15A,定於 80%,則此電路超過多少安培時,電路會自動跳脫______安培。 (A)8 (B)10 (C)12 (D)15
42. 儀器接地線之材質應採用 (A)鐵 (B)鋅 (C)鋁 (D)銅 。
43. 電源配線之地線通常以______色區別之。 (A)紅 (B)黑 (C)白 (D)綠
44. 控制盤內(後)之配線整頓以下列何者最為理想 (A)金屬導管 (B)PVC 導管(C)PVC 線槽 (D)線束 。
45. 以功能及用途而言,下列何者不屬於盤面儀器 (A)指示計 (B)記錄器 (C)傳送器 (D)控制器 。
46. 可程式控制器的 D/I 代表意義為 (A)類比輸入 (B)類比輸出 (C)數位輸入 (D)數位輸出 。
47. ( OD)×( R)其中 R 表示 (A)管內徑 (B)管外徑 (C)彎管內徑 (D)彎管長度 。
48. 防爆工程配管,應選用 (A)E.M.T.管 (B)有縫鋼管 (C)螺紋鋼管 (D)無縫鋼管 。
49. 兩段銅管連接,洩漏量最少,而機械強度最強之方法為 (A)喇叭口連接(B)○ Ring 連接 (C)錫焊連接 (D)銀焊連接 。
50. 多蕊銅管線纜彎曲時,其內彎角度不得小於 (A)90° (B)60° (C)45° (D)30° 。
申論題 (0)
相關試卷
114年 - 03600 工業儀器 乙級 工作項目 06:測試儀器及工具使用 1-52(2025/10/17 更新)#132409
114年 · #132409
114年 - 03600 工業儀器 乙級 工作項目 05:儀器維護保養 101-140(2025/10/17 更新)#132408
114年 · #132408
114年 - 03600 工業儀器 乙級 工作項目 05:儀器維護保養 51-100(2025/10/17 更新)#132407
114年 · #132407
114年 - 03600 工業儀器 乙級 工作項目 05:儀器維護保養 1-50(2025/10/17 更新)#132406
114年 · #132406
114年 - 03600 工業儀器 乙級 工作項目 04:儀器校正調整及使用 201-238(2025/10/17 更新)#132405
114年 · #132405
114年 - 03600 工業儀器 乙級 工作項目 04:儀器校正調整及使用 151-200(2025/10/17 更新)#132404
114年 · #132404
114年 - 03600 工業儀器 乙級 工作項目 04:儀器校正調整及使用 101-150(2025/10/17 更新)#132403
114年 · #132403
114年 - 03600 工業儀器 乙級 工作項目 04:儀器校正調整及使用 51-100(2025/10/17 更新)#132402
114年 · #132402
114年 - 03600 工業儀器 乙級 工作項目 04:儀器校正調整及使用 1-50(2025/10/17 更新)#132401
114年 · #132401
114年 - 03600 工業儀器 乙級 工作項目 03:工業儀器工程檢查 51-98(2025/10/17 更新)#132400
114年 · #132400