所屬科目:技檢◆門窗木工-甲級
(A)(140×1.3)/0.6 (B)(140×0.6)/1.3 (C)140×0.6×1.3 (D)140÷0.6×1.3 。
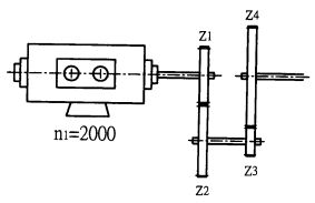
(A)(20×2000)/60 (B)(60×2000)/20 (C)(40×2000)/60 (D)(15×2000)/40 。
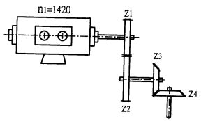
(A)(30×1420)/26 (B)(26×1420)/30 (C)(45×1420)/38 (D)(38×1420)/18 。
(A)(1450×100×500×400)÷(350×200×100) (B)(1450×100×500)÷(350×200×100×400) (C)(350×200×100)÷(1450×100×500×400) (D)(350×200×100×400)÷(1450×100×500×400) 。
(A)a→b→c (B)b→c→a (C)a→c→b (D)c→a→b 。
(A)8 小時 (B)10 小時 (C)9.5 小時 (D)6.5 小時 。
(A)20 度 (B)18 度 (C)24 度 (D)10 度 。