阿摩線上測驗
登入
首頁
>
技檢◆配電線路裝修-甲級
> 114年 - 04000 配電線路裝修 甲級 工作項目 01:電工專業知識 1-50(2025/10/23 更新)#132558
114年 - 04000 配電線路裝修 甲級 工作項目 01:電工專業知識 1-50(2025/10/23 更新)#132558
科目:
技檢◆配電線路裝修-甲級 |
年份:
114年 |
選擇題數:
50 |
申論題數:
0
試卷資訊
所屬科目:
技檢◆配電線路裝修-甲級
選擇題 (50)
1. 電壓 Esin(ωt+30°)與電流 Icos(ωt-90°)間之相角差為 (A)30° (B)60° (C)90°(D)120° 。
2. 正弦波電流 i=300sin(377t-π/6)之頻率為 (A)25Hz (B)30Hz (C)50Hz (D)60Hz 。
3. 1.2×50μS 代表 (A)衝擊電壓波形 (B)短路容量波形 (C)瞬時電流波形 (D)干擾電波波形 。
4. 如下波形圖,v
1
(t)與 v
2
(t)相位關係為
(A)v
1
(t)領先 v
2
(t) 105° (B)v2(t)領先 v
1
(t)105° (C)v
1
(t)滯後 v
2
(t)150° (D)v
2
(t) 滯後 v1(t) 150° 。
5. 一交流電路之電壓瞬時值為 e(t)=141sin(314t+30°),此電壓波有效值之峰值為 (A)141V (B)100V (C)86.6V (D)70.5V 。
6. 三相交流 220V 線路接供 8.6kW、功率因數 80%之三相平衡負載,則線路電流為 (A)16.5 安培 (B)28.2 安培 (C)49 安培 (D)87 安培 。
7. 三個均為 10 歐姆之電阻,連結成△形後各角點再接於三相 220V 電路上,則線電流應為 (A)10 安培 (B)20 安培 (C)38 安培 (D)48 安培 。
8. 一單相三線式線路,當兩條相線電流均為 100 安培時,中性線電流為 (A)0 安培 (B)25 安培 (C)50 安培 (D)100 安培 。
9. I1=
sin ωt 與 i2=
sin(ωt-180°)兩電流之差以均方根值表示時應為 (A)2 安培 (B)4 安培 (C)6 安培 (D)8 安培 。
10. 一正弦波電流之有效值為 A 安培,其最大值應為 (A)(2/π)A 安培 (B)(1/
2)A 安培 (C)
2A 安培 (D)(π/2)A 安培 。
11. 每秒鐘通過導體截面之電量為 1 庫侖時,該電流強度為 (A)0.1 安培 (B)1安培 (C)10 安培 (D)100 安培 。
12. 交流電之有效值亦可稱為 (A)最大值 (B)均方根值 (C)平均值 (D)瞬時值 。
13. 如下圖電路,當開關 S 投入後,電流 I
o
為
(A)0A (B)5A (C)5.5A (D)6.0A 。
14. 如下圖電路,當開關 S 投入後,流經 A、B 兩點之電流 Io 為
(A)0A (B)5A(C)5.5A (D)6.0A 。
15. 如下圖電路,當開關 S 開啟後,電流 Io 為
(A)0A (B)5A (C)5.5A (D)6.0A 。
16. 三相交流 220V 線路接供 8.6kW、無效功率因數為 0.6 之三相平衡負載,該線路的電流約為 (A)28.2A (B)37.6A (C)48.9A (D)65.2A 。
17. 某三相電動機,每相阻抗為 6+j8Ω,連結成 Y 型,接入 220 伏特電路,則線電流約為 (A)12.7A (B)22.0A (C)21.2A (D)15.9A 。
18. 有一交流電流 i(t)=141.4sin377t 安培,下列敘述何者錯誤? (A)電流最大值為 141.4A (B)電流有效值為 100A (C)電流之頻率為 50Hz (D)電流之相位角為 0 。
19. 下圖(5)電路,流過 8Ω電阻的電流為
(A)4A (B)3A (C)2A (D)1A 。
20. 三相平衡之Δ電路,若相電流為 10 A,則其線電流為 (A)10
3 (B)30 A(C)
A(D)10 A 。
21. 一三相電路如下圖,電源相序為 a-b-c,電壓
Vab=173.2∠30°伏特,則
Ic
(A)10∠90°A (B)17.3∠90°A (C)10∠60°A (D)17.3∠60°A 。
22. 下圖電路達穩態時,流經 10Ω電阻之電流為
(A)0A (B)1A (C)2A (D)4A 。
23. 低壓配電線之線路長度、負載、電壓、線徑均一定時,單相三線式之電壓降百分率為單相二線式電壓降百分率之 (A)100% (B)66% (C)50% (D)25% 。
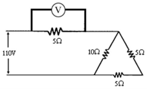
24. 如下電路圖,電壓計
指示電壓為
(A)45 伏特 (B)55 伏特 (C)65 伏特 (D)75伏特 。
25. 一交流電壓為 V(t)=100sin(314t-30゜),則電壓最大值(Vm)及 t=0.01 秒時之瞬間電壓[V
(0.01)
]各為 (A)Vm=141V,V
(0. 01)
=100V (B)Vm=100V,V
(0.01)
=100V (C)Vm=141V,V
(0. 01)
=50V (D)Vm=100V,V(0. 01)=25V 。
26. 一平衡三相 Y 結電源;相序為 a - b - c,若¯Vab=220∠120°,則 (A)¯Vbc=220∠-120° (B)¯Vca=220∠120° (C)¯Vca=220∠0° (D)¯Vbc=220∠0° 。
27. 一單相三線式電路如下圖,當中性線在 K 處斷線時,bc 間電壓約為
(A)75V (B)125V (C)100V (D)150V 。
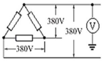
28. 如下圖所示,三相三線Δ380V 不接地系統,當系統平衡時,其線對地電壓為
(A)220V (B)380V (C)視接地電阻高低而定 (D)0V 。
29. 低壓單相三線接戶線之中性線斷線時,負載較大相線之電壓 (A)較高 (B)一樣 (C)較低 (D)時高時低 。
30. 一電感器 L 為 0.025H,接入交流頻率為 60Hz 之電路,則等效電阻約為(A)5.4 歐姆 (B)9.4 歐姆 (C)15.7 歐姆 (D)20 歐姆 。
31. 一線圈加直流 220 伏特電壓時通過電流 55 安培,加交流 220 伏特電壓時通過電流為 44 安培,則此線圈之電阻 R 及電感抗 X 值各為多少歐姆?(A)R=4,X=5 (B)R=5,X=4 (C)R=3,X=4 (D)R=4,X=3 。
32. 一燈泡標註 110V 60W,則該燈泡之電阻約為 (A)60Ω (B)100Ω (C)190Ω(D)200Ω 。
33. 下圖電路 a、b 兩端之等效電阻為
(A)(1/3)R (B)(2/3)R (C)R (D)(4/3)R 。
34. 純電阻性負載之特性為 (A)電流超前電壓相位 90° (B)電壓超前電流相位 90° (C)電流與電壓同相位 (D)電壓超前電流相位 30° 。
35. 電阻並聯之電路,各電阻之電流分流與其電阻值成 (A)正比 (B)反比 (C)平方正比 (D)平方反比 。
36. 一 0.1 亨利之電感線圈與 20 歐姆之電阻串聯,接於 100 伏特、25 赫茲電源,其阻抗約為 (A)20 歐姆 (B)25 歐姆 (C)32 歐姆 (D)45 歐姆 。
37. 一電路圖如下,其總阻抗為
(A)50
2∠-45°Ω (B)50
2∠45°Ω (C)50∠-45°Ω (D)50∠45°Ω 。
38. 一交流三相 11.4kV 配電線路之負載為 800kW,每線之電流均為 50 安培時,該負載之功率因數為 (A)60% (B)80% (C)90% (D)100% 。
39. 功率因數為 0.8 之 100kVA 負載,加入 50kVAR 電容器改善其功率因數後,視在功率約為 (A)80 kVA (B)90 kVA (C)100 kVA (D)110 kVA 。
40. 電阻 R 與感抗 X 串聯之電路,若 X/R=1/
3 時,其功率因數為 (A)1/
2(B)
2/3 (C)1/2 (D)
3/2 。
41. 一交流三相 11.4kV 配電線路,測得每線之電流均為 100A 時,設電力計之指示為 1600kW,則該線路功率因數約為 (A)100% (B)90% (C)80% (D)70% 。
42. 功率因數為 (A)有效功率與無效功率之比值 (B)有效功率與視在功率之比值 (C)無效功率與有效功率之比值 (D)視在功率與有效功率之比值 。
43. 一電路欲將 80kW 負載之功率因數自 0.8 提高為 1,應裝設並聯電容器之容量為 (A)50 kVAR (B)60 kVAR (C)70 kVAR (D)80kVAR 。
44. 一電路中,25kVA 負載之功率因數為 0.8 時,該負載吸收之無效電力為(A)12.5 kVAR (B)15 kVAR (C)20 kVAR (D)25kVAR 。
45. 某三相電路,線電壓為 220V,、線電流為 150A,其負載有效功率為40kW,則該負載之功率因數為 (A)0.6 (B)0.7 (C)0.8 (D)1.0 。
46. 一 60Hz、22kV 三相系統電路,接入一具激磁電流 2.5%、阻抗 6%、容量 2000kVA 變壓器,當變壓器滿載時,無效功率為 (A)50kVAR (B)120kVAR (C)170kVAR (D)500kVAR 。
47. 一負載平衡之電動機接於三相 200 伏特電源,測得電流 15 安培、功率3000 瓦,其功率因數為 (A)1.00 (B)0.87 (C)0.64 (D)0.58 。
48. 一電感性負載消耗功率 200kW,無效功率 200kVAR,如欲將其功率因數提高為 0.8,需加裝電容器容量為 (A)40kVAR (B)50kVAR (C)66.6kVAR (D)80kVAR 。
49. 一 6Ω電阻與一個電感器串聯之電路,接入 60Hz 電源時,其功率因數為0.6,若電源頻率增加為 90Hz 時,該電路功率因數為 (A)
(B)
(C)0.5 (D)0.4 。
50. 如下圖所示電路,其功率因數為
(A)0.25 (B)0.5 (C)0.707 (D)0.866 。
申論題 (0)
相關試卷
114年 - 04000 配電線路裝修 甲級 工作項目 05:活線作業 51-83(2025/10/23 更新)#132575
114年 · #132575
114年 - 04000 配電線路裝修 甲級 工作項目 05:活線作業 1-50(2025/10/23 更新)#132574
114年 · #132574
114年 - 04000 配電線路裝修 甲級 工作項目 04:配電設備 101-123(2025/10/23 更新)#132573
114年 · #132573
114年 - 04000 配電線路裝修 甲級 工作項目 04:配電設備 51-100(2025/10/23 更新)#132572
114年 · #132572
114年 - 04000 配電線路裝修 甲級 工作項目 04:配電設備 1-50(2025/10/23 更新)#132571
114年 · #132571
114年 - 04000 配電線路裝修 甲級 工作項目 03:地下配電施工與運轉維護 101-150(2025/10/23 更新)#132570
114年 · #132570
114年 - 04000 配電線路裝修 甲級 工作項目 03:地下配電施工與運轉維護 51-100(2025/10/23 更新)#132569
114年 · #132569
114年 - 04000 配電線路裝修 甲級 工作項目 03:地下配電施工與運轉維護 1-50(2025/10/23 更新)#132568
114年 · #132568
114年 - 04000 配電線路裝修 甲級 工作項目 02:架空外線施工與運轉維護 251-311(2025/10/23 更新)#132567
114年 · #132567
114年 - 04000 配電線路裝修 甲級 工作項目 02:架空外線施工與運轉維護 201-250(2025/10/23 更新)#132566
114年 · #132566