阿摩線上測驗
登入
首頁
>
技檢◆配電線路裝修-甲級
> 114年 - 04000 配電線路裝修 甲級 工作項目 01:電工專業知識 151-176(2025/10/23 更新)#132561
114年 - 04000 配電線路裝修 甲級 工作項目 01:電工專業知識 151-176(2025/10/23 更新)#132561
科目:
技檢◆配電線路裝修-甲級 |
年份:
114年 |
選擇題數:
26 |
申論題數:
0
試卷資訊
所屬科目:
技檢◆配電線路裝修-甲級
選擇題 (26)
複選題
151. LC 並聯電路,電源頻率(f)>諧振頻率(fo)時,該電路頻率與電路特性間之關係,下列敘述何者正確? (A)電感電抗(X
L
) <電容電抗(X
C
),流經電感器電流(I
L
)>流經電容器電流(I
C
) (B)電源電壓相位滯後電路電流相位90°,電路呈電容性 (C)電路總阻抗大小會隨著頻率增加而減少 (D)電路電流大小會隨著頻率增加而減少 。
複選題
152. 如下圖所示,電路達穩定狀態後,下列何者正確?
(A)I=4A (B)V
2
=0V (C)I
R
=4A (D)I
L
=4A 。
複選題
153. 如下圖所示電路,當開關 S 閉合,電路達穩定狀態後
(A)I=0.1mA (B)I
1
=0.1mA (C)I
2
=0.1mA (D)V
C
=9V 。
複選題
154. 如下圖所示電路,當開關 S 閉合一段時間電路達穩態後,則
(A)I
1
=1mA (B)電感 V
L
成開路 (C)I=1mA (D)電容 Vc 成開路 。
複選題
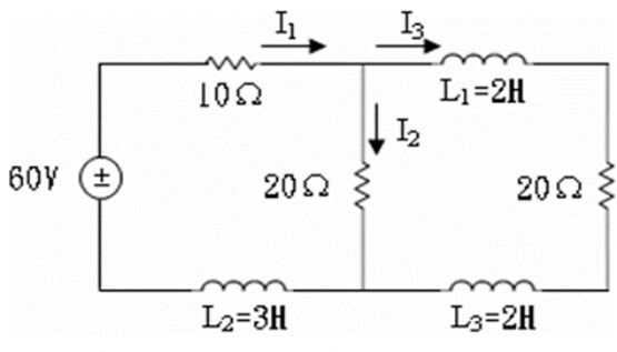
155. 如下圖所示,電路達穩態後,
(A)I
1
=3A (B)I
2
=1A (C)I
3
=1.5A (D)L
1
儲存電能為 2.25 焦耳 。
複選題
156. 一電路如下圖所示,電路已達穩態後,其電流 I 為多少 A 及電容器 Vc所儲存之能量為多少 J(焦耳)?
(A)I=2A (B)I=4A (C)Vc=18J (D)Vc=36J 。
複選題
157. 一電路如下圖所示,其 L
Tab
及 L
Tcd
之等效電感各為多少 H(亨利)?
(A)L
Tab
=10H (B)L
Tab
=12H (C)L
Tcd
=12H(D)( D )L
Tcd
=6H 。
複選題
158. RLC 串聯電路,電源頻率(f)<諧振頻率(fo)時,該電路頻率與電路特性間之關係,下列敘述何者正確? (A)電感電抗(X
L
) <電容電抗(X
C
),電感器二端電壓(V
L
) <電容器二端電壓(V
C
) (B)電源電壓相位領先電路電流相位,電路呈電感性 (C)電路總阻抗大小會隨著頻率增加而增加 (D)電路電流大小會隨著頻率增加而增加 。
複選題
159. RLC 串聯電路,電源頻率(f)=諧振頻率(fo)時,該電路頻率與電路特性間之關係,下列敘述何者正確? (A)電感電抗(X
L
) =電容電抗(X
C
),電感器二端電壓(V
L
) =電容器二端電壓(V
C
),電源電壓相位與電路電流相位相同,電路呈電阻性 (B)電路總阻抗大小等於 R (C)電路電流大小為最小值 (D)電路總虛功為零,視在功率等於有效功率,功率因數等於 1 。
複選題
160. RLC 串聯電路,電源頻率(f)大於諧振頻率(fo)時,該電路頻率與電路特性間之關係,下列敘述何者正確? (A)電感電抗(XL)>電容電抗(XC),流經電感器電流(IL)<流經電容器電流(IC) (B)電源電壓相位導前電路電流相位,電路呈電容性 (C)電路總阻抗大小會隨著頻率增加而減少 (D)電路電流大小會隨著頻率增加而減少 。
複選題
161. RLC 並聯電路,電源頻率(f)小於諧振頻率(fo)時,該電路頻率與電路特性間之關係,下列敘述何者正確? (A)電感電抗(X
L
) <電容電抗(X
C
),流經電感器電流(I
L
)>流經電容器電流(I
C
) (B)電源電壓相位導前電路電流相位,電路呈電感性 (C)電路總阻抗大小會隨著頻率增加而增加 (D)電路電流大小會隨著頻率增加而增加 。
複選題
162. RLC 並聯電路,電源頻率(f)等於諧振頻率(fo)時,該電路頻率與電路特性間之關係,下列敘述何者正確? (A)電感電抗(X
L
) =電容電抗(X
C
),流經電感器電流(I
L
)=流經電容器電流(I
C
) (B)電源電壓相位與電路電流相位相同,電路呈電阻性 (C)電路總阻抗等於 R (D)電路電流大小為最大值 。
複選題
163. RLC 並聯電路,電源頻率(f)大於諧振頻率(fo)時,該電路頻率與電路特性間之關係,下列敘述何者正確? (A)電感電抗(X
L
)>電容電抗(X
C
),流經電感器電流(I
L
)<流經電容器電流(I
C
) (B)電源電壓相位導前電路電流相位,電路呈電感性 (C)電路總阻抗大小會隨著頻率增加而減少 (D)電路電流大小會隨著頻率增加而增加 。
複選題
164. 一電路電阻為 500Ω,接通 30A 電流 20 分鐘後,其電阻所消耗的之電量(P)為多少 瓦特及轉換成熱量(W)有多少焦耳? (A)P=4.5×10
5
瓦特 (B)P=9×10
5
瓦特 (C)W=5.4×10
8
焦耳 (D)W=10.8×10
8
焦耳 。
複選題
165. 一Δ型負載電路如下圖,其總平均功率 P
T
和虛功率 Q
T
分別為
(A)P
T
=7200 W (B)P
T
=9600 W (C)Q
T
=7200 VAR (D)Q
T
=9600 VAR 。
複選題
166. 某變壓器滿載時,銅損為 600W、鐵損為 200W,則其 (A)半載時銅損為200W (B)半載時鐵損為 200W (C)無載時銅損為 0W (D)無載時鐵損為200W 。
複選題
167. 有關磁力線,下列敘述何者正確? (A)為一封閉曲線 (B)由 N 極出發,經介質進入 S 極 (C)出發或進入,均與磁極平行 (D)愈密處,磁場強度愈大 。
複選題
168. 於交流穩態情況下,有關 R、L、C 元件之特性,下列敘述何者正確?(A)純電感與純電容電路功率因素為零 (B)電感的端電壓相角領先電流相角90° (C)電容的端電壓相角滯後電流相角 90° (D)電阻的端電壓相角領先電流相角 90° 。
複選題
169. 有關直、交流電電壓之論述,下列敘述何者正確? (A)電壓極性及大小均不隨時間變化稱為直流電壓 (B)電壓極性及大小均不隨時間變化稱為交流電壓 (C)電壓極性及大小均隨時間變化稱為交流電壓 (D)電壓極性及大小均隨時間變化稱為直流電壓 。
複選題
170. 一理想變壓器如下圖所示,二次側電壓 V
2
、一次側電流 i
1
,其中 N
1
、N
2
為一次側及二次側之線圈匝數,則 V
2
及 i
1
各為
(A)V
2
=168V (B)V
2
=343V (C)i
1
=0.07A (D)i
1
=0.143A 。
複選題
171. RLC 電路達穩態後,下列敘述何者正確? (A)電容為開路 (B)電容為短路(C)電感為短路 (D)電感為開路 。
複選題
172. RLC 電路中,下列敘述何者正確? (A)RLC 串聯電路發生諧振時,電路之阻抗為最小 (B)RLC 串聯電路發生諧振時,電路之阻抗為最大 (C)RLC並聯電路發生諧振時,電路之阻抗為最大 (D)RLC 並聯電路發生諧振時,電路之阻抗為最小 。
複選題
173. 應用戴維寧定理求等效電阻時,係將原始電路系統中的電壓源及電流源以開路或短路取代,下列敘述何者錯誤? (A)電壓源短路、電流源開路(B)電壓源開路、電流源短路 (C)電壓源、電流源皆開路 (D)電壓源、電流源皆短路 。
複選題
174. 台灣電力公司對下列各種因數定義之敘述,何者正確? (A)損失因數為在某一特定時間內,平均電力損失與最高電力損失之百分比 (B)負載因數為某一特定時間內平均負載與最高負載之百分比 (C)利用因數為供電端最高負載與供電設備容量之百分比 (D)參差因數為某系統(或區域)上綜合最高負載之和與該系統(或區域)各個最高負載之百分比 。
複選題
175. 電工學上,下列敘述何者正確? (A)節點電壓法利用 KCL 於節點寫出節點方程式 (B)迴路分析法利用 KVL 於封閉路徑寫出迴路方程式 (C)戴維寧等效電路為等效電壓源與等效電阻並聯而成 (D)戴維寧等效電路為等效電壓源與等效電阻串聯而成 。
複選題
176. 有關交流電,下列敘述何者正確? (A)電壓與電流大小及電壓極性、電流方向均隨時間改變 (B)頻率與週期互為倒數 (C)波峰因數=最大值/有效值(D)峰值因數=有效值/平均值 。
申論題 (0)
相關試卷
114年 - 04000 配電線路裝修 甲級 工作項目 05:活線作業 51-83(2025/10/23 更新)#132575
114年 · #132575
114年 - 04000 配電線路裝修 甲級 工作項目 05:活線作業 1-50(2025/10/23 更新)#132574
114年 · #132574
114年 - 04000 配電線路裝修 甲級 工作項目 04:配電設備 101-123(2025/10/23 更新)#132573
114年 · #132573
114年 - 04000 配電線路裝修 甲級 工作項目 04:配電設備 51-100(2025/10/23 更新)#132572
114年 · #132572
114年 - 04000 配電線路裝修 甲級 工作項目 04:配電設備 1-50(2025/10/23 更新)#132571
114年 · #132571
114年 - 04000 配電線路裝修 甲級 工作項目 03:地下配電施工與運轉維護 101-150(2025/10/23 更新)#132570
114年 · #132570
114年 - 04000 配電線路裝修 甲級 工作項目 03:地下配電施工與運轉維護 51-100(2025/10/23 更新)#132569
114年 · #132569
114年 - 04000 配電線路裝修 甲級 工作項目 03:地下配電施工與運轉維護 1-50(2025/10/23 更新)#132568
114年 · #132568
114年 - 04000 配電線路裝修 甲級 工作項目 02:架空外線施工與運轉維護 251-311(2025/10/23 更新)#132567
114年 · #132567
114年 - 04000 配電線路裝修 甲級 工作項目 02:架空外線施工與運轉維護 201-250(2025/10/23 更新)#132566
114年 · #132566