阿摩線上測驗
登入
首頁
>
技檢◆升降機裝修-乙級
> 114年 - 06400 升降機裝修 乙級 工作項目 02:電機部份 1-50(2025/11/03 更新)#132958
114年 - 06400 升降機裝修 乙級 工作項目 02:電機部份 1-50(2025/11/03 更新)#132958
科目:
技檢◆升降機裝修-乙級 |
年份:
114年 |
選擇題數:
50 |
申論題數:
0
試卷資訊
所屬科目:
技檢◆升降機裝修-乙級
選擇題 (50)
1. 依 CNS 12651 規定,升降階梯的級寬不得小於多少公分? (A)35 (B)45(C)50 (D)55 。
2. 依 CNS 2866 規定,升降機之信號照明回路絕緣電阻在電壓 150V 以下時,應多少 MΩ以上? (A)0.1 (B)0.2 (C)0.4 (D)0.5 。
3. 依 CNS 2866 規定,使用 3V 以上絕緣電阻計或電壓計測量絕緣電阻時,電源正極應接電壓計之 (A)正極 (B)負極 (C)正負極均可 (D)外殼 。
4. 依 CNS 11380 規定,柱塞之有效細長比,除對安全無礙者外,必須在多少以下? (A)100 (B)150 (C)200 (D)250 。
5. 依 CNS 11380 規定,間接式液壓升降機之主鋼索,除直徑必須在 12mm以上,每條鋼索與物體結合部分以合金套筒或鋼套內灌巴氏合金,或者以楔形鋼索頭緊密結合外,其條數必須在多少條以上? (A)1 (B)2 (C)3 (D)4 。
6. 依 CNS 11380 規定,直接式液壓升降機的頂部間隙必須要有因柱塞的寬餘衝程引起的車廂超程距離,加上多少公分以上的數值? (A)30 (B)45(C)60 (D)75 。
7. 依 CNS 11380 規定,液壓升降機之安全閥,必須在動作壓力未超過常用壓力的多少倍以前,可自動開始動作? (A)1.1 (B)1.25 (C)1.3 (D)1.5 。
8. 依 CNS 11380 規定,液壓升降機所設置可調整車廂在停止狀態下自然下降的停車自動水平裝置,應在多少公厘內能自動修正為限? (A)45 (B)60 (C)75 (D)90 。
9. 依 CNS 11380 規定,液壓升降機應設置可保持油溫於攝氏多少度至 60度間之裝置? (A)5 (B)10 (C)15 (D)20 。
10. 依 CNS 11380 規定,液壓升降機於 100%負載上升、下降時之速度應為設計書記載速度之 90%以上、多少%以下? (A)140 (B)135 (C)110 (D)105 。
11. 依 CNS 11380 規定,液壓升降機於 100%負載運轉時,其電動機之電流值,應在其額定電流值之多少%以下? (A)110 (B)120 (C)135 (D)140 。
12. 依 CNS 11380 規定,液壓升降機於 100%負載運轉時,其液壓系統之動作壓力應在設計值之多少%以下? (A)105 (B)110 (C)115 (D)120 。
13. 依 CNS 11380 規定,液壓升降機於 110%負載運轉時,其電動機之電流值,應在其額定電流值之多少%以下? (A)110 (B)120 (C)135 (D)140 。
14. 依 CNS 11380 規定,液壓升降機於 110%負載運轉時,其液壓系統之動作壓力應在設計值之多少%以下? (A)120 (B)115 (C)110 (D)105 。
15. 依 CNS 11380 規定,液壓升降機其液壓橡膠管之安全係數應在多少以上? (A)4 (B)6 (C)7 (D)10 。
16. 依 CNS 12651 規定,升降階梯之欄杆寬度不得小於多少公分? (A)50 (B)55 (C)60 (D)65 。
17. 依 CNS 12651 規定,升降階梯之欄杆寬度各邊踏階側與欄杆內緣之水平距離不得超過多少公分? (A)10 (B)12 (C)15 (D)18 。
18. 依 CNS 12651 規定,升降階梯欄杆寬度各邊踏階側緣之垂直面至扶手帶中心線間,水平距離不得超過多少公分? (A)25 (B)25.5 (C)26 (D)26.5 。
19. 依 CNS 12651 規定,升降階梯之踏板尺寸,依進行方向量得之踏階,深度不得小於多少公分? (A)25 (B)30 (C)35 (D)40 。
20. 依 CNS 12651 規定,升降階梯之踏板尺寸,依進行方向量得之踏階,寬度不得超過多少公分? (A)100 (B)110 (C)120 (D)130 。
21. 依 CNS 12651 規定,升降階梯踏階踏板面必須設有與踏階運行方向平行之溝槽,各溝槽之寬度不得超過多少公厘? (A)6 (B)7 (C)8 (D)9 。
22. 依 CNS 12651 規定,升降階梯踏階踏板面必須設有與踏階運行方向平行之溝槽,各溝槽之深度應不小於多少公厘? (A)6 (B)7 (C)8 (D)9 。
23. 依 CNS 12651 規定,升降階梯踏階踏板面必須設有與踏階運行方向平行之溝槽,同時兩鄰接溝槽之中心距離不得大於多少公厘? (A)8 (B)10(C)12 (D)14 。
24. 依 CNS 12651 規定,升降階梯各邊踏階側與欄杆內緣之水平距離,不得超過多少公分? (A)10 (B)12 (C)15 (D)20 。
25. 依 CNS 12651 規定,升降階梯踏階兩側,每側與其相鄰護裙板間之間隙應不超過多少公厘? (A)5 (B)6 (C)7 (D)8 。
26. 依 CNS 12651 規定,升降階梯之兩條扶手帶於上、下出入口處,其維持著扶手帶正常高度之部分,自梳板齒端算起,至少須向外延伸多少公分? (A)30 (B)35 (C)40 (D)45 。
27. 依 CNS 12651 規定,升降階梯之兩條扶手帶中心線間之水平距離應不超過踏階寬度加多少公分? (A)48 (B)49 (C)50 (D)51 。
28. 依 CNS 12651 規定,升降階梯之欄杆需能承受每米多少公斤之垂直靜力於扶手座頂上? (A)50 (B)60 (C)70 (D)75 。
29. 依 CNS 12651 規定,升降階梯之轉動構肢,以靜載重計之,其安全係數不得小於? (A)4 (B)5 (C)8 (D)10 。
30. 依 CNS 12651 規定,升降階梯轉動機之各部分,若為鋼或青銅製造者,以靜載重計之,其安全係數不得小於? (A)4 (B)5 (C)8 (D)10 。
31. 依 CNS 12651 規定,升降階梯轉動機之各部分若為鑄鐵製造者,以靜載重計之,其安全係數不得小於? (A)4 (B)5 (C)8 (D)10 。
32. 依 CNS 12651 規定,升降階梯之電動機主電路,其絕緣電阻,在電路電壓 300V 以下時,應在多少 MΩ以上? (A)0.1 (B)0.2 (C)0.4 (D)0.5 。
33. 依 CNS 2866 規定,升降階梯之控制電路,其絕緣電阻在電路電壓150V 以下時,應在多少 MΩ以上? (A)0.1 (B)0.2 (C)0.4 (D)0.5 。
34. 依依 CNS 12651 規定,升降階梯與出入口乘降板銜接之樓板面應保持平順,兩者間之高度差不得超過多少公厘? (A)5 (B)6 (C)7 (D)8 。
35. 依 CNS 2866 規定,測量電驛控制式升降機之絕緣電阻,該用何種儀錶? (A)三用電錶 (B)鉤式電錶 (C)比壓計 (D)高阻計 。
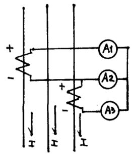
36. 如下圖以三個電流計、二個比流器測量三相平衡負載電流之接線方式,則各電流計之讀值為
(A)A
1
=
I,A
2
=I,A
3
=I (B)A
1
=I,A
2
=
I,A
3
=I(C)A
1
=I,A
2
=I,A
3
=
I (D)A
1
=I,A
2
=I,A
3
=I 。
37. 電樞反應產生後,使得每極有效磁通 (A)增加 (B)減少 (C)不變 (D)不一定 。
38. 通常以電磁開關操作三相馬達之正反轉電路時,應具有何種保護電路?(A)互鎖 (B)互通 (C)均壓 (D)旁通 。
39. 有一理想電動發電機輸入電壓為交流 220V 輸入電流為 10A,若在其輸出端(二次側)接上負載,已知負載端電壓為直流 110V,則負載電流應為多少? (A)5A (B)10A (C)15A (D)20A 。
40. 某一直流電路電阻 1 歐姆,流過電流為 2 安培,其電壓降為多少伏特?(A)1 (B)2 (C)3 (D)4 。
41. 直流機補償線圈之作用 (A)抵消電樞反應 (B)增加磁通 (C)增加轉速 (D)增加轉矩 。
42. 電壓調整率為零的直流發電機是 (A)差複激 (B)分激 (C)平複激 (D)加複激 。
43. 電阻係數相同之兩電阻,加以串聯以後,其電阻係數為原來電阻係數之(A)1/2 倍 (B)不變 (C)2 倍 (D)4 倍 。
44. 某一直流回路電功率為 10 瓦特,電阻為 0.4 歐姆其電壓為多少伏特?(A)10 (B)4 (C)3 (D)2 。
45. 利用振動儀器測量升降機車廂行走,加減速及停止,其判定基準值的單位為 (A)db (B)gal (C)KΩ (D)VA 。
46. 如下圖所示,若以伏特錶(額定值 300V,內阻 300KΩ)跨接於電容器兩端,則伏特錶應指示為
(A)100V (B)125V (C)150V (D)200V 。
47. 極低電阻值的精確測定,以應用下列何儀錶最佳? (A)三用電錶 (B)惠斯登電橋 (C)克爾文電橋 (D)韋恩電橋 。
48. 補償繞組是放置在 (A)電樞槽 (B)極面槽 (C)轉部 (D)換向片 。
49. 某平板電容器接於固定直流電流 E 時,所儲存之能量為 0.1 焦耳,若將二極板距離減半,則所儲存之能量為多少焦耳 (A)0.4 (B)0.2 (C)0.1 (D)0.05 。
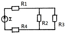
50. 如下圖所示,若 I、R
1
、R
2
、及 R
4
保持不變,若減少 R
3
電阻值時,流過 R
2
之電流將
(A)偶而增加 (B)不變 (C)增加 (D)減少 。
申論題 (0)
相關試卷
114年 - 06400 升降機裝修 乙級 工作項目 04:檢查法規及安衛 151-173(2025/11/03 更新)#132970
114年 · #132970
114年 - 06400 升降機裝修 乙級 工作項目 04:檢查法規及安衛 101-150(2025/11/03 更新)#132969
114年 · #132969
114年 - 06400 升降機裝修 乙級 工作項目 04:檢查法規及安衛 51-100(2025/11/03 更新)#132968
114年 · #132968
114年 - 06400 升降機裝修 乙級 工作項目 04:檢查法規及安衛 1-50(2025/11/03 更新)#132967
114年 · #132967
114年 - 06400 升降機裝修 乙級 工作項目 03:各部機構組裝 151-192(2025/11/03 更新)#132966
114年 · #132966
114年 - 06400 升降機裝修 乙級 工作項目 03:各部機構組裝 101-150(2025/11/03 更新)#132965
114年 · #132965
114年 - 06400 升降機裝修 乙級 工作項目 03:各部機構組裝 51-100(2025/11/03 更新)#132964
114年 · #132964
114年 - 06400 升降機裝修 乙級 工作項目 03:各部機構組裝 1-50(2025/11/03 更新)#132963
114年 · #132963
114年 - 06400 升降機裝修 乙級 工作項目 02:電機部份 201-228(2025/11/03 更新)#132962
114年 · #132962
114年 - 06400 升降機裝修 乙級 工作項目 02:電機部份 151-200(2025/11/03 更新)#132961
114年 · #132961