所屬科目:技檢◆機電整合-丙級
1. 分厘卡螺桿採用之螺距為 0.5mm 之單線螺紋,若其量測精度為 0.02mm,則套筒上需等分刻劃幾格? (A)75 格 (B)50 格 (C)100 格 (D)25 格。
2. 有一個 4 極 60HZ 之 AC 小型感應馬達,搭配 1:10 減速機,其同步轉速為 (A)600 (B)180 (C)120 (D)240 rpm。
3. 如下圖所示,兩個對偶元件互相接觸方式的運動對是
(A)滑行對 (B)旋轉對 (C)平面對 (D)滾動對。
4. 油壓管路內,調壓閥之設定壓力若為 50kgf/cm2,則其絕對壓力應為多少 kgf/cm2? (A)50 (B)51 (C)49 (D)52。
5. 左圖為電氣接點符號為 (A)串並聯 (B)不連接 (C)串聯 (D)並聯。
6. LVDT 可用來檢測油壓缸的 (A)速度 (B)流量 (C)壓力 (D)行程。
7. 電容的單位為何? (A)法拉 (B)安培 (C)伏特 (D)亨利。
8. 下列元件符號何者有誤? (A)元件表示 OFF 延遲型計時器的 a 接點 (B)元件表示 OFF 延遲型計時器的 b 接點 (C)元件表示電氣 b 接點亦即常閉接點符號 (D)元件表示電氣 a 接點亦即常開接點符號。
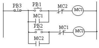
9. 如下圖所示之繼電器電路,當 MC1 與 MC2 OFF 時,若依序押下啟動按鈕 PB2 與 PB1 時,則
(A)MC1 與 MC2 均不動作 (B)MC1 動作,MC2 不動作 (C)MC1 或 MC2 均動作 (D)MC1 不動作,MC2 動作。
10. 如將三相感應電動機之任意兩電源線對調,則此馬達的 (A)轉向不變 (B)轉速減慢 (C)轉速增快 (D)轉向相反。
11. LCD 是何者簡稱 (A)溫度感應器 (B)線性差動變壓器 (C)液晶顯示器 (D)發光二極體。
12. 下列何種方式有助於節省洗衣機的用水量? (A)無需將衣物適當分類 (B)購買洗衣機時選購有省水標章的洗衣機,可有效 節約用水 (C)洗衣機洗滌的衣物盡量裝滿,一次洗完 (D)洗濯衣物時盡量選擇高水位才洗的乾淨。
13. 下圖為二種板狀金屬之接合,其接合方式為
(A)縐縮接合 (B)突緣接合 (C)圓緣接合 (D)插旋接合。
14. 下列何種機械手臂屬於圓筒型水平關節座標式? (A)(B)(C)(D) 。
15. 下列何者符合專業人員的職業道德? (A)未經雇主同意,於上班時間從事私人事務 (B)未經顧客同意,任意散佈或利用顧 客資料 (C)利用雇主的機具設備私自接單生產 (D)盡力維護雇主及客戶的權益。
16. 平台移動精度需調整兩組滑軌或滑桿之 (A)表面粗糙度 (B)垂直度 (C)摩擦力 (D)平行度。
17. 從斜坡道連續緊密送料至水平輸送帶,為避免工件瞬間大量落入,可裝置下列何種機構來處理? (A)平移 (B)倉儲 (C)分離 (D)換向。
18. 下列元件,何者可調整氣壓缸之速度? (A)減壓閥 (B)流量控制閥 (C)電磁閥 (D)邏輯閥。
19. 有關著作權的敘述,下列何者錯誤? (A)我們到表演場所觀看表演時,不可隨便錄音或錄影 (B)高普考試題,不受著作權 法保護 (C)到攝影展上,拿相機拍攝展示的作品,分贈給朋友,是侵害著作權的行為 (D)網路上供人下載的免費軟體,都 不受著作權法保護,所以我可以燒成大補帖光碟,再去賣給別人。
20. 以三用電表量測未知電壓時,應先選擇從何處開始測量? (A)最高檔 (B)最低檔 (C)中間檔 (D)任一檔。
21. 如下圖為油壓之順序閥符號圖,具有
(A)內部引導及不可逆向流動 (B)外部引導及可逆向流動 (C)外部引導及不可逆向流動 (D)內部引導及可逆向流動 的功能。
22. 左圖符號代表 (A)刀形開關 (B)訊號接地 (C)接線盒 (D)設備接地。
23. 下列何者表示三連桿相交於一點,而成為整體機構 (A)(B)(C)(D) 。
24. 齒輪傳動中,齒輪與軸之連接機件是 (A)鉚釘 (B)滑塊 (C)彈簧 (D)鍵。
25. 氣壓管路太長易導致 (A)流量增加 (B)壓力損失 (C)磨損減少 (D)熱量損失。
26. 下列何種銷於使用時需將其末端彎曲,以防脫落? (A)快釋銷 (B)開口銷 (C)定位銷 (D)彈簧銷。
27. 電磁接觸器用來啟閉負載電流的是 (A)主接點 (B)常閉接點 (C)常開接點 (D)輔助接點。
28. 具有連結輪與軸並可傳遞大動力之機件是 (A)螺桿 (B)齒輪 (C)軸承 (D)鍵。
29. 依據我國現行國家標準規定,冷氣機的冷氣能力標示應以何種單位表示? (A)kW (B)BTU/h (C)kcal/h (D)RT。
30. 下列何者非屬電氣災害類型? (A)靜電危害 (B)雷電閃爍 (C)電氣火災 (D)電弧灼傷。
31. 如左圖為油壓之 (A)定排量泵浦 (B)變排量馬達 (C)定排量馬達 (D)變排量泵浦 符號圖。
32. 對一般型繼電器標示有線圈(Coil):DC24V、1.2W,接點(Contactor):5A,係表示 (A)通過接點的額定電流為交流 或直流電 5A (B)通過接點的額定電流為交流電 5A (C)通過接點的額定電流為直流電 5A (D)通過接點的額定電流為交流或 直流電 1.2A。
33. 左圖為兩電氣接點執行邏輯符號為 (A)NOR (B)AND (C)NAND (D)OR。
34. 工作場所化學性有害物進入人體最常見路徑為下列何者? (A)眼睛 (B)口腔 (C)呼吸道 (D)皮膚。
35. 下圖為二種圓形零件之接合,其接合方式為
36. 一定馬力之馬達其輸出轉矩與轉速成何種關係? (A)反比 (B)立方比 (C)正比 (D)平方比。
37. 下列何種元件不適合作非接觸感測器? (A)應變計 (B)焦電元件 (C)光電晶體 (D)光遮斷器。
38. 對於噪音之量測,下列何者錯誤? (A)可於下雨時測量 (B)聲音感應器應置於離地面或樓板延伸線 1.2 至 1.5 公尺之間 (C) 風速大於每秒 5 公尺時不可量測 (D)測量低頻噪音時,僅限於室內地點測量,非於戶外量測。
39. 大氣層中臭氧層有何作用? (A)造成光害 (B)對流最旺盛的區域 (C)吸收紫外線 (D)保持溫度。
40. 三相 10HP 電動機滿載使用中電源突然斷了一條,則該電動機 (A)繼續運轉不受影響 (B)立即停止運轉 (C)減慢運轉,線路 電流大增可能燒斷保險絲後停轉 (D)速度不變但線路電流大增。
41. 彈簧墊圈有輕級、中級、重級及特重級之分,主要不同在 (A)厚度不同 (B)質料不同 (C)外徑不同 (D)內徑不同。
42. 三相交流感應馬達的扭力和下列哪一項成正比? (A)電流 (B)頻率 (C)電壓 (D)相位。
43. 圓形工件在外徑表面鑽孔時,其挾持的方式宜選用 (A)鋼絲鉗 (B)C 形夾 (C)V 形枕 (D)平行虎鉗。
44. 節流閥在機械上安裝時,應注意 (A)周遭溫度 (B)工作方便 (C)閥門的方向 (D)空氣壓力。
45. 供給繼電器線圈電壓若超過額定電壓會造成線圈 (A)接觸不良 (B)燒毀 (C)短路 (D)溫度下降。
46. 數位示波器之"HORIZONTAL.SEC/DIV"旋鈕是調整 (A)每隔秒數值 (B)輸入波形位置 (C)每格電壓值 (D)觸發準位。
47. 下列何種傳動機件在運動時噪音較小? (A)連桿機構 (B)時規皮帶 (C)齒輪 (D)鏈條。
48. 依職業安全衛生設施規則規定,雇主對於物料儲存,為防止氣候變化或自然發火發生危險者,下列何者為最佳之採取措 施? (A)靜置於倉儲區,避免陽光直射 (B)與外界隔離及溫濕控制 (C)保持自然通風 (D)密閉。
49. 一般壓力開關的壓力設定為 (A)可調整 (B)無限制 (C)固定 (D)不可調整。
50. 按菸害防制法規定,對於在禁菸場所吸菸會被罰多少錢? (A)新臺幣 1 萬元至 5 萬元罰鍰 (B)新臺幣 2 萬元至 10 萬元罰 鍰 (C)新臺幣 2 千元至 1 萬元罰鍰 (D)新臺幣 1 千元至 5 千元罰鍰。
51. 物料分離氣壓缸是使用雙活塞桿進行下列那一種順序動作,達到輸送帶上物料分離之目的 (A)A+A-B+B- (B)A+B+A-B- (C)A+B+B-A- (D)A+B-A-B+。
52. 有關觸電的處理方式,下列敘述何者錯誤? (A)通知救護人員 (B)把電源開關關閉 (C)使用絕緣的裝備來移除電源 (D)立即 將觸電者拉離現場。
53. 下列有關墊圈之敘述,何者錯誤? (A)彈簧墊圈又稱為梅花墊圈 (B)普通墊圈又稱為平墊圈 (C)普通墊圈可增加受力面積 (D)齒鎖緊墊圈具有防鬆作用。
54. 下列何種齒輪組可提供較大的減速比? (A)內齒輪 (B)螺旋齒輪 (C)蝸桿與蝸輪 (D)針齒輪。
55. ppr 為 200 之步進馬達,採用全步控制時,每轉一步之旋轉角度(步進角)為 (A)0.72 (B)3.6 (C)1.8 (D)0.9。
56. 如下圖為氣壓式計數器符號圖,有關復歸信號是指什麼的接口?
(A)Y (B)Z (C)P (D)A。
57. 如下圖所示,是一種
(A)切線凸輪 (B)偏心確動凸輪 (C)三角確動凸輪 (D)凹槽式確動凸輪。
58. 機構運動為增進安全性,要避免傷害應裝置 (A)速度感測器 (B)流量計 (C)防護罩 (D)壓力表。
59. 台灣自來水之水源主要取自 (A)河川或水庫的水 (B)灌溉渠道的水 (C)綠洲的水 (D)海洋的水。
60. 為了節能及兼顧冰箱的保溫效果,下列何者是錯誤或不正確的做法? (A)冰箱內上下層間不要塞滿,以利冷藏對流 (B)食 物存放位置紀錄清楚,一次拿齊食物,減少開門次數 (C)冰箱內食物擺滿塞滿,效益最高 (D)冰箱門的密封壓條如果鬆 弛,無法緊密關門,應儘速更新修復。
61. 在數位邏輯中,反或閘(NOR)的符號為 (A)(B)(C)(D) 。
62. 左圖的機構中運動時,機件不分離情況下,可簡化為 (A) (B)(C)(D) 。
63. 具有可傳遞動力或改變轉動方向並有簡單變速的機件是 (A)螺桿 (B)軸承 (C)齒輪 (D)鍵。
64. 供給繼電器線圈電壓若低於額定電壓會造成 (A)無法動作 (B)燒毀 (C)接觸不良 (D)短路。
65. 機械手臂用於大平面鋼板移送,手爪部分宜採用 (A)真空吸盤 (B)機械式夾爪 (C)電磁夾爪 (D)氣壓式夾爪。
66. 如左圖為油壓之______符號圖。 (A)變排量馬達 (B)定排量馬達 (C)變排量泵浦 (D)定排量泵浦
67. 共陽極七段顯示器使用 7447 解碼輸入端為 0010,則七段顯示器顯示數字為 (A)1 (B)3 (C)2 (D)4。
68. 左圖是 (A)OFF 延遲型計時器的 b 接點 (B)ON 延遲型計時器的 b 接點 (C)OFF 延遲型計時器的 a 接點 (D)ON 延遲型計時器的 a 接點。
69. 對一般型繼電器標示有線圈(Coil):DC24V、1.2W,接點(Contactor):5A,下列敘述何者有誤? (A)通過接點的額 定電壓為直流 24V (B)通過線圈的額定功率為 1.2W (C)通過接點的額定電壓為交流或直流電 (D)通過接點的額定電流為交 流或直流電 5A。
70. 左圖元件為 (A)電磁閥線圈 (B)光耦合器 (C)二極體 (D)電晶體。
71. 下列何者是流量單位? (A)rpm (B)lpm (C)rps (D)pps。
72. 下圖輸入 X 及 Y、輸出 A,其邏輯關係為
(A)(B)(C) (D)。
73. 把直流電力變成交流電力的裝置為 (A)變流器 (B)倍壓器 (C)整流器 (D)濾波器。
74. 三相電磁開關接點,其中一組溫度特別高,表示該組接點 (A)無電流經過 (B)接觸良好 (C)正常現象 (D)接觸不好。
75. 下列何者為環保標章? (A)(B)(C)(D) 。
76. 數字 0~9 的 BCD 碼指撥開關,接至 PLC,會佔用多少輸入點? (A)3 (B)4 (C)1 (D)2。
77. 在 CNS 機械製圖中,標註半徑會用那一個大寫的英文字母加上半徑值 (A)D (B)C (C)S (D)R。
78. 下列何者非為防範有害物食入之方法? (A)常洗手、漱口 (B)穿工作服 (C)有害物與食物隔離 (D)不在工作場所進食或飲 水。
79. 檢舉人向有偵查權機關或政風機構檢舉貪污瀆職,必須於何時為之始可能給與獎金? (A)預備犯罪前 (B)犯罪未發覺前 (C) 犯罪未遂前 (D)犯罪未起訴前。
80. 一個接線端子最多可接幾個壓著端子 (A)3 個 (B)2 個 (C)5 個 (D)4 個。