所屬科目:專科學力鑑定◆專(一):機電整合(實習)
1. 單晶片微算機所指的積體電路 IC 晶片中,包含中央處理器 (CPU )、記憶體( Memory ) 及何者?(A) 比較器 (B) 編碼器 (C) 乘法器 (D) 輸入/輸出界面
2. 直流串激電動機假設無載的磁化曲線為線性關係,電樞電流 40 A 時,轉矩為 17 kg - m,求當電樞電流 90 A 時所產生的轉矩 ( kg - m ) 為何? (A) 86.06 (B) 48.64 (C) 64.89 (D) 33.21
3. 以定速馬達驅動的油壓幫浦做設計,若要獲得固定壓力源,除了需要壓力調節閥外,還需要何項元件? (A) 蓄壓器 (B) 電磁閥 (C) 止回閥 (D) 油壓缸
4. 一臺機械手臂的位置控制系統,其實際位置訊號為 y ( t ) ,位置命令訊號為 r ( t ) ,求 r ( t ) - y ( t ) 為何? (A) 位置誤差訊號 (B) 位置回授訊號 (C) 位置干擾訊號 (D) 控制器輸出訊號
5. 永久磁鐵型步進馬達使用開迴路系統控制,正確軸位置可掌握每15°的步進數目,從開始的參考點順時針走100 step,接續逆時針走28 step,其最後的角度值? (A) 10° (B) 30° (C) 20° (D) 0°
6. 有一個20極60Hz的多相感應電動機,滿載時的轉差為2%,求此電動機的滿載轉速(rpm)?(A) 352.8 (B) 1383.1 (C) 865.2 (D) 42.4
7. 圖(一)為一外加交流電壓Vs的截波電路( clipping circuit),直流電壓Ve為20V,二極體峰值為40mA電流限制,則平均二極體電流值ID1為何? (A) 10mA (B) 20mA (C) 30mA (D) 5mA
8. 圖(二)為運算放大器電路,當二極體導通時電壓為0.6V,運算放大器飽和電壓為± 5V, 則二極體最大電流為何?(A) 1.52mA (B) 0.42mA (C) 0.12mA (D) 0.62mA
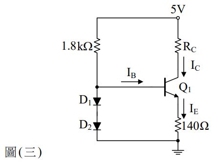
9. 圖(三)為二極體與電晶體所組成的電路,二極體D1與D2的導通電壓為0.7V,電晶體Q1導通的VBE電壓為0.7V,電流增益 β=100,若電晶體Q1操作在主動區,VCE須大於0.3V, 則流過二極體D1與D2的直流電流為何? (A) 1.52mA (B) 0.67mA (C) 9.21mA (D) 1.95mA
10. 圖(四)為理想運算放大器電路,R1=10kΩ、R2=R3=1MΩ,若增益Vo /Vi=–1000,則R4為何?(A) 3.18MΩ(B) 0.82MΩ(C) 0.125MΩ(D) 2.21MΩ
11. 圖(五)中電路的負載電阻RL =20 kΩ,希望設計IZ電流為9mA,則電阻R為何?(A) 1.2 kΩ(B) 2.8 kΩ(C) 3.6 kΩ(D) 4.8 kΩ
12. 圖(六)為二極體橋式整流器,輸入交流電源Vi(t)=220sin(120πt),求RL電阻兩端之輸出電壓平均值?(A) 110.10V(B) 210.45V(C) 140.05V(D) 86.52V
13. 圖 (七)為直流電路在 t = 0秒時將開關S投入,且先前電容及電感沒有儲能狀態,則開關投入t = 0+秒時在電感上的跨壓 VL為何?(A) 4V(B) 8V(C) 10V(D) 6V
14. 圖(八)為電阻與電源之串並聯組合的直流電路,求電流I1為何?(A) 2A(B) – 2A(C) 1A(D) – 1A
15. 圖 ( 九 ) 為包含 2 個電池及 2 個電阻的單迴路電路,忽略電池的內電阻,若電路中的電壓 V1 = 8 V、V2 = 5 V,則此電路的電流值 I 為何?
(A) – 0.2A (B) 0.2A (C) – 0.1A (D) 0.1A
16. 圖(十)中有三個點電荷位於x軸上,希望設計作用於負電荷q3的淨力為0,則q3要置於 x座標何處?(正電荷q1 =6 µC位於x =0m,正電荷q2 =15 µC位於x =2m)(A) 0.775m (B) 1.231m (C) 1.546m (D) 0.559m
17. 有一光電訊號產生器傳遞兩個正弦波的波函數,分別為y1=5sin[π(4x–1200t)]、 y2=5sin[π(4x–1200t–0.25)],則這兩個波的合成波振幅為何?(x、y1、y2單位為公尺, t的單位為秒) (A) 32.45m (B) 17.17m (C) 69.87m (D) 9.24m
18. 機械系統內有一個未知質量的木塊連接於力常數為6.5N/m的彈簧上,並進行振幅強度為0.1m的簡諧運動,當此木塊位於彈簧平衡位置與末端位置的中間點時,它的速率被測得為0.3m/s,則木塊的質量為何? (A) 0.54 kg (B) 1.59 kg (C) 0.13 kg (D) 2.68 kg
19. 洗衣機進行脫水過程中,內部洗衣槽由靜止穩定增加至角速率 5 rev /s需要8秒,此時將洗衣機的蓋子打開,洗衣槽也會以平穩的角速率5 rev /s在12秒內停下,則洗衣槽在運轉期間一共轉了幾圈? (A) 80圈 (B) 40圈 (C) 100圈 (D) 50圈
20. 圖(十一)中的機械系統力學反應,兩力 =20 N和 = 15N作用於質量為5 kg的物體, 則合力的加速度值為何? (A) 6.08m/s2(B) 9.98m/s2 (C) 2.11m/s2 (D) 4.78m/s2
21. 欲測量角速度,可以使用何種感測器?(A) 旋轉編碼器 (B) 陀螺儀 (C) 轉速計 (D) 電位計
22. 一個直流伺服馬達的自動控制系統,馬達的定位控制採用比例積分微分控制(PID),分別由比例單元(Proportional)、積分單元(Integral)和微分單元(Derivative )組成的控制法則, 若定速控制有明顯過速、不足或振盪情況,需要調整哪一個參數? (A) 輸入值調整 (B) 比例值Kp (C) 微分值Kd (D) 積分值Ki
23. PLC程式流程涵蓋哪些內容,下列何者錯誤?(A) 功能方塊圖將邏輯、數值等運算函式以圖形方塊表示(B) 結構文具備函數和功能,且可自定義功能(C) 順序功能圖的要素是步驟、條件、動作(D) 高階物件導向程式
24. 如圖(十二)所示,X0和X1分別為啟動與停止按鈕,X2為熱繼電器,Y0為程序的輸出, 下列何者錯誤? (A) 這是停止優先程序(B) 是非自鎖電路 (C) 按下X1,Y0停止 (D) 按下X2,Y0停止
25. 有一個平衡的機械系統,如圖(十三)所示,則此時的彈簧刻度讀值?(A) 98N(B) 88N(C) 78N(D) 68N
26. 下列何者是自動控制工程其中閉迴路控制系統的範例?(A) 早上六點街道路燈熄掉 (B) 家中客廳的電視遙控器(C) 設定時間與輸出功率的烤麵包機 (D) 太陽能電板基座光電追日控制系統
27. 在電子烤箱內維持一固定溫度,系統包括:設定溫度、控制器、加熱器、熱電偶感測器等,此範例屬於何種控制系統? (A) 順序控制 (B) 位移控制 (C) 程序控制 (D) 伺服控制
28. 有關數值控制(Numerical Control,NC),下列敘述何者錯誤?(A) 是使用在加工機械的數位控制 (B) 車床、銑床均屬此類(C) 其控制變數為時間 (D) 是伺服機構的一種應用
29. 有關微處理器控制器的介面,下列敘述何者錯誤?(A) 有並列介面(Parallel Interface ) (B) RS- 232屬於並列介面(C) 有串列介面(Serial Interface ) (D) 數位轉類比轉換(A/D Conversion )
30. 有關可程式邏輯控制器(PLC)的說明,下列敘述何者錯誤?(A) 內含微處理器單元 (B) 包括輸入/輸出部分(C) 也包含感測器和致動器 (D) 用來取代繼電器邏輯控制器
31. 如圖(十四)所示,下列敘述何者正確?(A) 為一非反相放大器,放大增益值為20(B) 為一反相放大器,放大增益值為– 20(C) 為一反相放大器,放大增益值為– 19(D) 為一非反相放大器,放大增益值為38
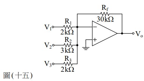
32. 如圖(十五)所示,若Rf=30kΩ、R1及R3=2kΩ、R2=3kΩ,當V1=3V、V2=3V、V3=5V時,則Vo為何?(A) 120V(B) – 150V(C) – 180V(D) – 200V
33. 如圖(十六)電壓電纜線佈置所示,使用美國電線規格AWG#20的電線連接溫度感測器與控制器,溫度感測器輸出電壓範圍為0至10V,控制器的輸入電阻為1 kΩ,若電線上最大電壓降為0.0404V,已知電線的電阻為4.06Ω,則溫度感測器與控制器兩者相距為何? (提示:AWG#20電線的電阻規格是10.15Ω/1000 ft)(A) 200 ft(B) 150 ft (C) 100 ft (D) 50 ft
34. 有關固態繼電器(SSR),下列敘述何者錯誤?(A) 其輸入或控制電壓為5Vdc、24Vdc或120Vac(B) 含有一個稱為零電壓開關的特色(C) 包含一個SCR控制閘流體(D) 用來取代一般繼電器降低電磁干擾雜訊
35. 當SCR矽控整流器導通後,如何將其關斷,下列敘述何者錯誤?(A) 在閘極G端提供觸發電壓(B) 跨在SCR的AK兩端的電壓上升太快,SCR將保持導通狀態(C) 將VAK降低至零電壓,同時讓流經SCR的電流IAK降到低於IH維持一段時間(D) 防止dV/ dt效應可以在SCR的AK兩端接上緩衝器電路
36. 下列何者不是觸發元件?(A) UJT (B) PUT (C) DIAC (D) TRIAC
37. 有一顆100W的電晶體因過熱壞掉,依測量顯示負載電流IC是2A,VCE是35V,機殼溫度上升到125℃。其實際修正功率容量為何?(功率容量在25℃以上、下降率為0.57W/℃) (A) 100W (B) 70W (C) 57W (D) 43W
38. 一鋁質的鑄件重5.2 lb,放在鋼鐵的表面,則 ①使它開始滑動需要多少力?②使它繼續保持滑動狀態需要多少力?(鋁在鋼材上的靜摩擦係數為 0.61、動摩擦係數為 0.47 ) (A) ①3.17 lb、②2.44lb (B) ①6.34 lb、②4.88 lb (C) ①7.12 lb、②5.75lb (D) ①9.51 lb、②7.32lb
39. 一顆電動馬達以100 rpm的轉速提供60 in ‧ oz的扭矩,此馬達透過一齒輪比 1:6來驅動負荷,求輸出的扭矩和速度? (A) 300 in ‧ oz、20.33rpm (B) 340 in ‧ oz、30.45 rpm (C) 360 in ‧ oz、16.67 rpm (D) 380 in ‧ oz、35.33rpm
40. 有一個2 lb的控制箱透過一鋼架連在機器上,若以 20 lb的力推此控制箱,此鋼架有一點彎曲,而控制箱移動約0.25 in,求此控制箱的自然共振頻率為何?( 9.8m/s2=385.8in /s2 )(A) 35.2Hz (B) 29.5Hz (C) 25.4Hz (D) 19.7Hz
41. 下列何者不屬於位置感測器的範疇?(A) 光學尺 (B) 光學旋轉編碼器(C) 線性變化差動變壓器(LVDT) (D) 熱電偶
42. 有一個 500 個槽孔的增量型光學旋轉編碼器,其計數值為 101100011,求此編碼器目前旋轉軸的角度為何? (A) 252 ° (B) 255.6 ° (C) 259.2 ° (D) 273.6 °
43. 有一個具有風箱的差動壓力感應器,兩邊壓力分別是7psi(表壓力)和15.3psi(絕對壓力)。 此時感應器所測得的壓力為何? (A) 6.4 psi (B) 3.5 psi (C) 8.3 psi (D) 19.7 psi
44. 利用一壓力感測器來測量液槽裡液體的高度,若測得液體的高度為 67.6 ft,則此時儀表壓力為何?(已知液體比重為 46、海平面的大氣壓力 14.7 psi、1 lb / in2=144 lb /ft 2)(A) 59.2 psi (B) 45.3 psi (C) 21.6 psi (D) 6.9 psi
45. 使用達靈頓功率電晶體驅動電路,供給直流電壓為15V,已知馬達旋轉速度每100 rpm會產生1.2V的反電動勢,當馬達轉速在500 rpm時,有1A的電流流過馬達,求此電晶體的功率散逸為何? (A) 5W (B) 7W (C) 9W (D) 10W
46. 有一顆7.5 °的步進馬達,由參考點逆時針走50步,然後順時針走27步,最後逆時針再走35步,則最後的位置角度是多少?(A) 順時針一整圈+75 °CCW (B) 逆時針一整圈+75 °CCW(C) 逆時針一整圈+15 °CCW (D) 逆時針一整圈+90 °CCW
47. 單相位60Hz交流馬達,有1695 rpm的額定速度,求其打滑(Slip)值?(A) 3.52% (B) 4.16% (C) 5.83% (D) 6.24%
48. 下列何者不是起動單相交流感應馬達的方法?(A) 蔽極線圈式 (B) 起動電容分相式 (C) 永久電容分相式 (D) 串激式
49. 有一個線性位置比例式控制系統,其增益值KP為5lb/in,受控變數上的摩擦力為0.25lb,求死帶(Dead band)的長度? (A) 0.05 in (B) 0.1 in (C) 0.15 in (D) 0.2 in
50. 利用一電機式線性傳動器來舉起一鑄件重為 800 lb,垂直上升 8 in。其資料如圖 ( 十七 ) 所示,完成此動作需耗時多久? (A) 6.7 s (B) 8.0 s (C) 9.4 s (D) 11.4 s