所屬科目:技檢◆機電整合-丙級
1. 供給繼電器線圈電壓若超過額定電壓會造成線圈 (A)溫度下降 (B)燒毀 (C)短路 (D)接觸不良。
2. 彈簧墊圈有輕級、中級、重級及特重級之分,主要不同在 (A)內徑不同 (B)質料不同 (C)厚度不同 (D)外徑不同。
3. 下列元件,何者可調整氣壓缸之速度? (A)電磁閥 (B)減壓閥 (C)邏輯閥 (D)流量控制閥。
4. 左圖與 (A)(B)(C)(D) 有相同的控制邏輯功能。
5. 感應電動機的轉子多為 (A)繞線式 (B)鼠籠式 (C)凸極式 (D)鑄鐵式。
6. 左圖元件為 (A)二極體 (B)PNP 電晶體 (C)NPN 電晶體 (D)光耦合器。
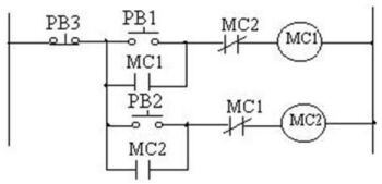
7. 如下圖所示之繼電器電路屬於
(A)互鎖電路 (B)互補電路 (C)互斥電路 (D)互通電路。
8. 數字 0~9 的指撥開關,其編碼方式是 (A)HEX 碼 (B)ASCII 碼 (C)BIN 碼 (D)BCD 碼。
9. 下列何種機械手臂屬於圓柱座標式? (A)(B)(C)(D) 。
10. 常用步進馬達每走一步旋轉多少度(步進角)? (A)1.8 (B)10 (C)18 (D)5。
11. 下列何者為水冷式冷卻器之符號? (A)(B)(C)(D) 。
12. 裝配或安裝機件時,應避免使用下列何種手槌? (A)銅槌 (B)鐵槌 (C)橡膠槌 (D)塑膠槌。
13. 有關「工讀生」之敘述,下列何者正確? (A)屬短期工作者,加班只能補休 (B)國定假日出勤,工資 加倍發給 (C)工資不得低於基本工資之 80% (D)每日正常工作時間得超過 8 小時。
14. 液壓油的流量單位在公制常以 LPM 表示,其中 L 為公升等於 (A)10 4cc (B)10 3cc (C)10 1cc (D)10 2cc。
15. 基於機器之安全考量,下列敘述何者有誤? (A)切換型開關,宜作為不同功能選擇之用 (B)機器過行 程保護開關宜使用常開接點 (C)機器啟動用開關,宜使用非保持型 (D)機器急停開關,宜使用保持 型。
16. 平板墊圈之外徑應比螺帽之對角長度 (A)小 (B)不一定 (C)相同 (D)大。
17. 下列的能源效率分級標示,哪一項較省電? (A)3 (B)4 (C)1 (D)2。
18. 電磁開關上積熱電驛主要目的在保護 (A)斷線 (B)過載電流 (C)接地 (D)短路電流。
19. 小齒輪帶動齒條是何種傳動機構? (A)迴轉轉換曲線 (B)迴轉轉換直線 (C)直線轉換曲線 (D)直線轉換直 線。
20. 下列何者不是藉由蚊蟲傳染的疾病? (A)登革熱 (B)痢疾 (C)日本腦炎 (D)瘧疾。
21. 圓盤離合器是屬於: (A)流體離合器 (B)摩擦離合器 (C)電磁離合器 (D)確動離合器。
22. 下列何者表示三連桿相交於一點,而成為整體機構 (A)(B)(C)(D) 。
23. 某工廠規劃汰換老舊低效率設備,以下何種做法並不恰當? (A)可考慮使用較高效率設備產品 (B)改 善後需進行能源績效評估 (C)先針對老舊設備建立其「能源指標」或「能源基線」 (D)唯恐一直浪費 能源,未經評估就馬上將老舊設備汰換掉。
24. 一般家庭垃圾在進行衛生掩埋後,會經由細菌的分解而產生甲烷氣體,有關甲烷氣體對大氣危機中 哪一種效應具有影響力? (A)臭氧層破壞 (B)溫室效應 (C)煙霧(smog)效應 (D)酸雨。
25. 有關智慧財產權行為之敘述,下列何者有誤? (A)製造、販售仿冒註冊商標的商品雖已侵害商標權, 但不屬於公訴罪之範疇 (B)以 101 大樓、美麗華百貨公司做為拍攝電影的背景,屬於合理使用的範圍 (C)著作權是為促進文化發展為目的,所保護的財產權之一 (D)原作者自行創作某音樂作品後,即可宣 稱擁有該作品之著作權。
26. 從斜坡道連續緊密送料至水平輸送帶,為避免工件瞬間大量落入,可裝置下列何種機構來處理? (A) 換向 (B)平移 (C)分離 (D)倉儲。
27. 常用步進馬達共有多少條線 (A)4 條 (B)2 條 (C)3 條 (D)6 條。
28. 有關電動機之敘述,下列何者有誤? (A)三相驅動電動機比單相驅動效率高 (B)電動機的符號為 (C)感應式電動機轉速不受驅動電源頻率影響 (D)電動機運轉原理是依據佛萊明左手定則。
29. 為保持中央空調主機效率,最好每隔多久時間應請維護廠商或保養人員檢視中央空調主機? (A)半年 (B)2 年 (C)1 年 (D)1.5 年。
30. 在電動機控制中,無熔絲開關主要的目的是 (A)過載保護 (B)過電壓保護 (C)過電流保護 (D)過熱保護。
31. 校正氣體流率時,下列何者屬於一級標準? (A)浮子流量計 (B)皂泡計 (C)乾式氣體計 (D)濕式氣體計量 計。
32. 高效率燈具如果要降低眩光的不舒服,下列何者與降低刺眼眩光影響無關? (A)燈具的遮光板 (B)光 源下方加裝擴散板或擴散膜 (C)採用間接照明 (D)光源的色溫。
33. 下列何者是自動化系統發號指揮命令的器具? (A)控制器 (B)感測器 (C)致動器 (D)機構。
34. 機械試車前,應檢查電路,下列那一項最重要 (A)a 接點 (B)是否短路 (C)繼電器線圈 (D)b 接點。
35. 下列傳動組合,何者傳動背隙較小 (A)小齒輪與齒條 (B)滾珠螺桿與套筒 (C)方形螺桿與套筒 (D)鏈條與 鏈輪。
36. 一般可程式控制器之輸出接點(繼電器型),其額定電流為 (A)2A (B)10A (C)6A (D)8A。
37. 左圖表示氣壓缸 (A)具前進可調式緩衝功能 (B)具前進及後退可調式緩衝功能 (C)具後退 可調式緩衝功能 (D)具前後緩衝又可調整活塞之移動速度。
38. 選用減速機時,首要考量的因素為 (A)減速比 (B)減速上限 (C)負載荷重 (D)傳動效率。
39. 下列何種馬達,必須供應直流電源? (A)變速馬達 (B)同步馬達 (C)直流馬達 (D)交流馬達。
40. 氣壓控制閥所產生的噪音,要如何降低 (A)提高進氣速度 (B)提高進氣壓力 (C)升高排氣口背壓 (D)提高 排氣速度。
41. 有關壓接端子之壓接處理下列何敘述為誤? (A)一個端子不可以同時壓接三條導線 (B)用合適之壓接 鉗來壓接端子 (C)端子之壓接面有方向性 (D)可以使用鋼絲鉗作壓接工具。
42. 熱電偶主要用途是在測量 (A)磁場 (B)位移 (C)壓力 (D)溫度。
43. 下列何種機件無法將圓周運動轉換成間歇運動? (A)日內瓦輪 (B)皮帶輪 (C)凸輪 (D)棘輪。
44. 如下圖為油壓之順序閥符號圖,具有
(A)內部引導及不可逆向流動 (B)內部引導及可逆向流動 (C)外部 引導及可逆向流動 (D)外部引導及不可逆向流動 的功能。
45. 若需控制轉矩、轉速或定位,最常用的交流馬達是 (A)同步型 (B)感應型 (C)通用型 (D)步進型。
46. 如下圖之氣壓符號為
(A)三級壓力放大器 (B)一級壓力放大器 (C)常壓型氣導式三口二位方向閥 (D)二級 壓力放大器。
47. 廢棄物、剩餘土石方清除機具應隨車持有證明文件且應載明廢棄物、剩餘土石方之:A 產生源;B 處理地點;C 清除公司 (A)僅 AB (B)ABC 皆是 (C)僅 AC (D)僅 BC。
48. 活動板手開口與桿柄之間的角度成 (A)0° (B)15° (C)22.5° (D)90°。
49. 線性差動變壓器簡稱 LVDT,主要用在感測何種變化量 (A)磁場 (B)位移 (C)壓力 (D)熱量。
50. 一般使用照光式按鈕開關最主要的考量是 (A)節省空間 (B)控制容易 (C)配線方便 (D)價格便宜。
51. 在電工圖與前一個接點串接的接點,IEC61131-3 IL 指令表示為 (A)OR (B)AND (C)LD (D)ST。
52. 數字 0~9 的 BCD 碼指撥開關,接至 PLC,會佔用多少輸入點? (A)2 (B)4 (C)3 (D)1。
53. 分厘卡螺桿採用之螺距為 0.5mm 之單線螺紋,若其量測精度為 0.02mm,則套筒上需等分刻劃幾 格? (A)25 格 (B)100 格 (C)50 格 (D)75 格。
54. 單相電動機使用電解電容器的目的為 (A)增加馬力 (B)增加轉速 (C)增強起動 (D)減少起動。
55. 可能對勞工之心理或精神狀況造成負面影響的狀態,如異常工作壓力、超時工作、語言脅迫或恐嚇 等,可歸屬於下列何者管理不當? (A)職業安全 (B)職業健康 (C)環保 (D)職業衛生。
56. 如下圖對氣壓缸的移動速度,有
______的效果。(A)前進、後退都慢 (B)前進快、後退慢 (C)前進慢、後退快 (D)前進、 後退都快
57. 油封的標稱直徑是指與其配合之 (A)軸徑 (B)轂深 (C)轂徑 (D)軸長。
58. 下列何行為不是土壤及地下水污染整治法所指污染行為人之作為? (A)洩漏或棄置污染物 (B)仲介或 容許洩漏、棄置、非法排放或灌注污染物 (C)非法排放或灌注污染物 (D)依法令規定清理污染物。
59. 下列何者非為防範有害物食入之方法? (A)穿工作服 (B)有害物與食物隔離 (C)常洗手、漱口 (D)不在工 作場所進食或飲水。
60. 有 20 齒和 40 齒的齒輪嚙合傳動,如果 20 齒的齒輪旋轉 20 圈時,則 40 齒的齒輪應旋轉 (A)20 (B)5 (C)40 (D)10 圈。
61. 齒輪為一種 (A)密封 (B)傳動 (C)連結 (D)結構 機件。
62. 固定電器器具時 (A)須依圖示及器具說明固定之 (B)沒有方向性之限制 (C)必須向右對齊 (D)必須向左對 齊。
63. 真空吸盤的吸力大小 (A)正比於吸附直徑及真空度 (B)與吸附直徑無關 (C)反比於真空度 (D)反比於吸附 直徑。
64. 根據消除對婦女一切形式歧視公約(CEDAW),下列何者正確? (A)只關心女性在政治方面的人權和 基本自由 (B)未要求政府需消除個人或企業對女性的歧視 (C)傳統習俗應予保護及傳承,即使含有歧 視女性的部分,也不可以改變 (D)對婦女的歧視指基於性別而作的任何區別、排斥或限制。
65. 將輪與軸結合為一體,使二者互不滑動的機件宜選用 (A)鉚釘 (B)凸緣 (C)墊圈 (D)鍵銷。
66. 氣壓缸具有 ψ40×16×150ST 之標註係表示 (A)氣壓缸缸筒內徑 150 ㎜ (B)氣壓缸缸筒內徑 16 ㎜ (C)氣 壓缸缸筒內徑 40 ㎜ (D)氣壓缸缸筒外徑 40 ㎜。
67. 依公職人員利益衝突迴避法規定,公職人員甲與其小舅子乙(二親等以內的關係人)間,下列何種 行為不違反該法? (A)甲、乙兩人均自認為人公正,處事坦蕩,任何往來都是清者自清,不需擔心任 何問題 (B)小舅子乙以請託關說之方式,請求甲之服務機關通過其名下農地變更使用申請案 (C)關係 人乙經政府採購法公開招標程序,並主動在投標文件表明與甲的身分關係,取得甲服務機關之年度 採購標案 (D)甲要求受其監督之機關聘用小舅子乙。
68. 關於個人資料保護法的敘述,下列何者錯誤? (A)我的病歷資料雖然是由醫生所撰寫,但也屬於是我 的個人資料範圍 (B)身分證字號、婚姻、指紋都是個人資料 (C)公務機關依法執行公權力,不受個人 資料保護法規範 (D)不管是否使用電腦處理的個人資料,都受個人資料保護法保護。
69. 大齒輪與從動小齒輪中間加入惰輪時,其轉速比 (A)不變 (B)變慢 (C)惰輪大小而定 (D)變快。
70. 下列何種螺紋、螺帽正逆轉的螺桿間隙最小? (A)梯型 (B)方型 (C)滾珠 (D)V 型。
71. 有一測溫用電阻體 pt100,在攝氏溫度 0℃時,其歐姆值約為 (A)50 (B)100 (C)0 (D)1000。
72. 下列何者不是影響交流感應馬達在緊急切斷電源時過轉量大小的主要因素 (A)剎車力量 (B)轉動慣量 (C)馬達轉速 (D)使用電壓。
73. 職場內部常見之身體或精神不法侵害不包含下列何者? (A)脅迫、名譽損毀、侮辱、嚴重辱罵勞工 (B)使勞工執行與能力、經驗相符的工作 (C)過度介入勞工私人事宜 (D)強求勞工執行業務上明顯不必 要或不可能之工作。
74. 滾珠導螺桿與方形導螺桿傳動特性比較,下列敘述何者最正確? (A)精度高、背隙誤差小 (B)精度 差、背隙誤差小 (C)精度差、背隙誤差大 (D)精度高、背隙誤差大。
75. 何者不是機械式量錶(Dial Gage)的用途? (A)同心度檢驗 (B)平行度檢驗 (C)直接量測長度值 (D)真圓度 檢驗。
76. 下列何種螺紋若有磨損仍可補償? (A)方型 (B)梯型 (C)圓頭 (D)V 型。
77. 有關活動扳手(monkey wrench),下列描述何者有誤? (A)方便性相當高,盡量使用 (B)鎖緊螺絲用力 方向,以向活動爪方向使力 (C)鉗口開度大小在一定範圍內可調整 (D)規格大小以鉗口處至手柄末端 的長度稱呼之。
78. 下列哪一種馬達在緊急停止時,過轉數最多? (A)可逆 (B)使用剎車器 (C)感應 (D)附電磁剎車 馬達。
79. 下列何者不屬於三用電表可量測項目? (A)電流 (B)電壓 (C)電阻 (D)電感。
80. 下圖機構迴轉對是兩機件間僅作迴轉運動,其自由度為
(A)3 (B)2 (C)4 (D)1。