所屬科目:技檢◆配電線路裝修-甲級
1. 根據性騷擾防治法,有關性騷擾之責任與罰則,下列何者錯誤? (A)對他人為性騷擾者,如果沒有 造成他人財產上之損失,就無需負擔金錢賠償之責任 (B)對於因教育、訓練、醫療、公務、業務、求職,受自己監督、照護之人,利用權勢或機會為性騷擾者,得加重科處罰鍰至二分之一 (C)意圖性騷擾,乘人不及抗拒而為親吻、擁抱或觸摸其臀部、胸部或其他身體隱私處之行為者,處 2 年以下有期徒刑、拘役或併科 10 萬元以下罰金 (D)對他人為權勢性騷擾以外之性騷擾者,由直轄市、縣(市)主管機關處 1 萬元以上 10 萬元以下罰鍰。
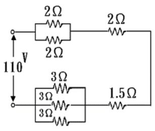
2. 一 RC 並聯電路,電源電壓 v=100 伏特、阻抗 R=10Ω、容抗 Xc=10Ω,則電源電流為多少安培 ( A )? (A) (B)5A (C) (D)。
3. 額定為 50kVA 之變壓器,滿載時銅損為 800W、鐵損為 200W,當 P.f 為 1、負載為 25kW 時,其效率約為 (A)99.6% (B)95.2% (C)97.8% (D)98.4%。
4. 依據「輸配電設備裝置規則」開放式導線之定義,下列何者錯誤? (A)供電線路之導線為經接地遮蔽之絕緣導線,在支持物上經絕緣礙子個別支撐者 (B)供電線路之導線為無接地遮蔽之絕緣導線,在支持物上經絕緣礙子個別支撐者 (C)供電線路之導線為被覆導線,在支持物上經絕緣礙子個別支撐者 (D)供電線路之導線為裸導線,在支持物上經絕緣礙子個別支撐者。
5. 依據台灣電力公司「架空配電線路施工」,架設 AWG#2 ACSR 高壓配電線路,轉彎 25 度時裝桿方式應按 (A)小角度轉彎裝置,使用雙抱裝腳礙子 (B)大角度轉彎裝置,使用兩單終端懸垂礙子 (C) 直線裝置,使用單一裝腳礙子 (D)中角度轉彎裝置,使用雙終端懸垂礙子。
6. 變壓器的開路試驗係測量變壓器之 (A)衝擊電流 (B)衝擊電壓 (C)鐵損 (D)銅損。
7. 勞工不遵守安全衛生工作守則規定,屬於下列何者? (A)不安全行為 (B)管理缺陷 (C)不安全環境 (D)不安全設備。
8. 下列何者「不是」目前台灣主要的發電方式? (A)水力 (B)燃氣 (C)地熱 (D)燃煤。
9. 依據「輸配電設備裝置規則」,超過 750 伏特至 33 千伏之架空線路,導線如使用銅線,其線徑不得小於 (A)20mm2 (B)18mm2 (C)45mm2 (D)15mm2。
10. 根據性別平等工作法,有關雇主防治性騷擾之責任與罰則,下列何者錯誤? (A)僱用受僱者 30 人以上者,應訂定性騷擾防治措施、申訴及懲戒規範 (B)雇主違反應訂定性騷擾申訴管道者,應限期令其改善,屆期未改善者,應按次處罰 (C)雇主違反應訂定性騷擾防治措施之規定時,處以罰鍰即 可,不用公布其姓名 (D)雇主知悉性騷擾發生時,應採取立即有效之糾正及補救措施。
11. 電壓 Esin(ωt+30°)與電流 Icos(ωt-90°)間之相角差為 (A)60° (B)30° (C)120° (D)90°。
12. 下列何者燈泡的發光效率最高? (A)白熾燈泡 (B)LED 燈泡 (C)鹵素燈泡 (D)省電燈泡。
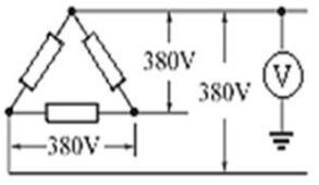
13. 11.4kV 多重接地系統,欲供電三相四線 220/380V 負載,採用單相 6.9kV-120/240V 變壓器,其結線方式須採用 (A)Y-Y (B)V-V (C)Y-Δ (D)Δ-Y。
14. 依據台灣電力公司「地下配電線路施工」,施作 500MCM 高壓交連 PE 電纜直線接頭時,其接頭兩端之同心中性線,以 (A)2/0AWG 交連 PE 電纜(黃色) (B)38mm²PVC 電線 (C)22mm2 PVC 電線 (D)250MCM 交連 PE 電纜(黃色) 連接後,再以 22mm2 PVC 電線作一處接地。
15. 與公務機關有業務往來構成職務利害關係者,下列敘述何者正確? (A)將餽贈之財物請公務員父母代轉,該公務員亦已違反規定 (B)機關公務員藉子女婚宴廣邀業務往來廠商之行為,並無不妥 (C) 與公務機關承辦人飲宴應酬為增進基本關係的必要方法 (D)高級茶葉低價售予有利害關係之承辦公務員,有價購行為就不算違反法規。
16. 依據「輸配電設備裝置規則」,低壓配電線路支線與建築物牆壁之水平間隔不得低於 (A)0.9 公尺(B)1.5 公尺 (C)1.2 公尺 (D)0.6 公尺。
17. 全球暖化潛勢(Global Warming Potential, GWP)是衡量溫室氣體對全球暖化的影響,其中是以何者為比較基準? (A)CH4 (B)N2O (C)CO2 (D)SF6。