所屬科目:技檢◆儀表電子-乙級
(A) (B)(C)(D) 。
(A)(B)(C) (D) 。
(A)00→00→00→00→00 (B)00→01→00→01→00 (C)00→01→10→11→00 (D)00→01→10→00→01 。
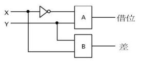
(A)D 型閂鎖(latch) (B)比較器 (C)多工器 (D)解碼器 。
(A)XNOR (B)XOR (C)NOR (D)NAND 。
(A)AND (B)OR (C)NAND (D)NOR 。
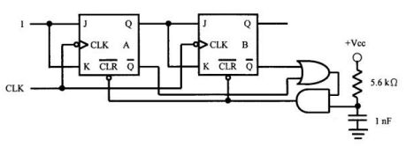
(A)模數 8 (B)模數 7 (C)模數 6 (D)模數 5 。
(A)B(A+B) (B)A+B (C)A+AB (D)A‧B 。
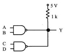
(A)A+B (B)A‧B (C) (D)A⊕B 。
(A)A+B (B)AB(C) (D)。
(A)A>B (B)A=B (C)A<B (D)A≠B 。
(A)A=XOR,B=AND (B)A=XNOR,B=AND (C)A=AND,B=XOR (D)A=AND,B=XNOR 。