阿摩線上測驗
登入
首頁
>
技檢◆數位電子-乙級
> 114年 - 11700 數位電子 乙級 工作項目 05:電子學與電子電路 51-100(2025/12/12 更新)#134874
114年 - 11700 數位電子 乙級 工作項目 05:電子學與電子電路 51-100(2025/12/12 更新)#134874
科目:
技檢◆數位電子-乙級 |
年份:
114年 |
選擇題數:
50 |
申論題數:
0
試卷資訊
所屬科目:
技檢◆數位電子-乙級
選擇題 (50)
51. 下圖之振盪電路,其振盪頻率為
(A)
(B)
(C)
(D)1/2π(R3+R4)(C1+C2) 。
52. 下圖之穩壓電路,設電晶體 B 與 E 間的順向壓降為 Vbe,稽納二極體的稽納電壓為 Vz,則其輸出電壓 Vout 為
(A)Vout=Vin+Vz-Vbe (B)Vout=Vbe(1+R
1
/R
2
) (C)Vout=Vz(1+R
1
/R
2
) (D)Vout=(Vz+Vbe)(1+R
1
/R
2
) 。
53. 下圖為一相鎖 PLL 迴路,其輸出信號的頻率 fout 與輸入信號的頻率 fin之間的關係為何?
(A)fout=fin‧N (B)fout=fin/N (C)fout=fin (D)fout=2(fin)N 。
54. 下圖為一定電流源電路,流經 RL 的電流 I 恆為
(A)5mA (B)10mA (C)15mA(D)20mA 。
55. 超外差接收機的頻率選擇性,主要是由接收機中的哪一個電路來決定?(A)射頻放大器 (B)本地振盪器 (C)變頻電路 (D)中頻放大器 。
56. 下圖為一個低通主動濾波器電路,下列敘述何者正確?
(A)其低頻截止頻率 fL=1/(2πRC) (B)其高頻截止頻率 fH=1/(2πRC) (C)其高頻截止頻率
(D)其低頻截止頻率
。
57. 已知電阻器(R)之 V-I 特性曲線為
,二極體(D)之 V-I 特性曲線為
時,下圖之電路的 V-I 特性曲線為
(A)
(B)
(C)
(D)
。
58. 下圖之電路,其二極體 D 的作用為
(A)補償 Ico 的變化 (B)補償 Vbe 的變化 (C)保護電晶體 (D)整流用 。
59. 下圖之電路,下列敘述何者錯誤?
(A)R
E
開路時電晶體截止 (B)R
E
開路時V
C
=Vcc (C)R2 短路時,V
E
=0V (D)R1 開路時,V
C
=0V 。
60. 電晶體放大電路中,會影響低頻響應的電容器,下列何者正確? (A)交連電容 (B)傍路電容 (C)交連與傍路電容 (D)雜散電容 。
61. 下圖之電路為
(A)對數放大器 (B)指數放大器 (C)均值檢出器 (D)峰值檢出器 。
62. 下圖之電路的輸入阻抗(R
i n
)與輸出阻抗(R
ou t
)分別為
(A)R
in
→∞,R
out
→∞ (B)R
in
→∞,R
out
→0 (C)R
in
→0,R
out
→∞ (D)R
in
→0,R
out
→0 。
63. 下圖之電路為單極點放大器,已知 0dB 時頻寬為 500KHz,則閉迴路頻寬為
(A)500KHz (B)400KHz (C)125KHz (D)100KHz 。
64. 下圖之電路是一個典型的
(A)低通濾波器 (B)高通濾波器 (C)峰值檢出器 (D)對數電路 。
65. 輸送線之入射波振幅為 25V,反射波振幅為 5V,其駐波比(VSWR)為(A)5 (B)1/5 (C)3/2 (D)2/3 。
66. 有一放大電路,其輸入阻抗為 100KΩ,輸出阻抗為 1KΩ,當輸入 2mV信號而輸出為 2V 的狀況下,則此放大電路的功率增益為 (A)30dB (B)58dB (C)80dB (D)100dB 。
67. 若積分電路中,TS 為信號周期,T 為電路中之時間常數,若欲得到較佳之積分特性則 (A)TS>>T (B)TS<<T (C)TS=T (D)兩者無關 。
68. 已知一電晶體β=10,則α為 (A)0.95 (B)0.909 (C)0.99 (D)1.1 。
69. FET 在低的 V
DS
時,可視為 (A)定電流器 (B)定電壓器 (C)電阻 (D)電感器 。
70. 一個 80W 的電晶體(在 25°C 下的額定),其衰減因素為 0.5W/°C,則在 125°C 溫度下,其最大功率消耗值為 (A)30W (B)40W (C)50W (D)60W 。
71. 下圖之電路中,若該矽電晶體之 hfe=30、ICBO=0,則此電晶體動作為
(A)截止 (B)飽和 (C)工作 (D)不動作 。
72. 下圖之放大器中,若 V
i
=2V,則 V
o
為
(A)2V (B)4V (C)8V (D)12V 。
73. 電壓增益+6dB,相當於電壓放大 (A)2 倍 (B)3 倍 (C)4 倍 (D)6 倍 。
74. 某放大器增益為 40,若加上負回授電路,回授量是輸入信號的 10%,則其總增益為 (A)4 (B)8 (C)12 (D)24 。
75. 下圖之高通濾波器,若輸入正弦波之頻率恰等於此電路之-3dB 頻率時(截止頻率),則輸出波形的相位比輸入波形
(A)落後 90° (B)領先 90° (C)落後 45° (D)領先 45° 。
76. 在史密特觸發電路中,若加入一規則的三角波之觸發信號(如正弦波),則其輸出波形為 (A)方波 (B)正弦波 (C)不規則矩形波 (D)鋸齒波 。
77. 下圖之電路中,其電流 I 為
(A)1A (B)2A (C)3A (D)4A 。
78. 若 5KΩ、5W 與 5KΩ、2W 之兩個電阻器相串聯,則其等值電阻與瓦特數各為 (A)5KΩ、7W (B)10KΩ、7W (C)10KΩ、6W (D)10KΩ、4W 。
79. 下圖在 1Ω兩端之壓降為何?(圖中電阻的單位均為Ω)
(A)1V (B)1.2V(C)1.5V (D)2V 。
80. 下圖所示,設 V
O(sat)
=±12V,求臨界電壓上限 V 為
(A)+6V (B)-6V (C)+12V (D)-12V 。
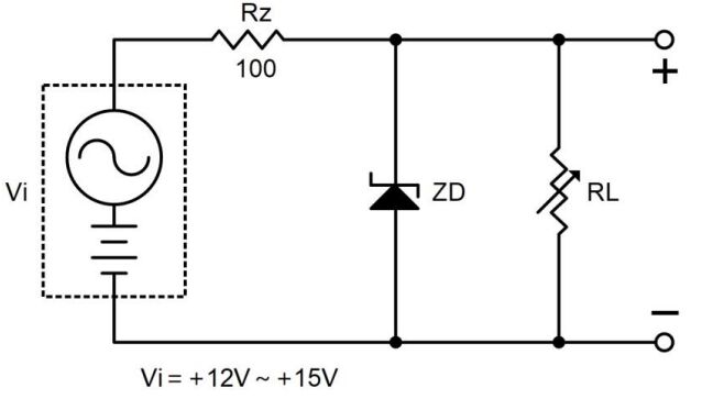
81. 下圖所示,設稽納二極體 I
z(min )
=0mA,VZ=10V,PZ=400mW,求達到正常穩壓時之 RL 最大值為
(A)100Ω (B)250Ω (C)500Ω (D)1000Ω 。
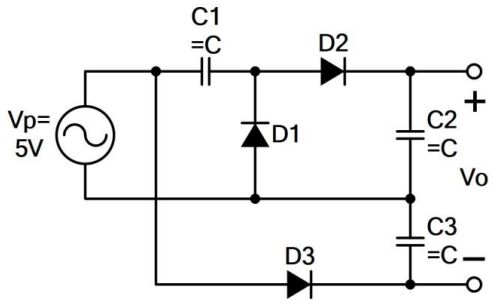
82. 下圖之倍壓電路中,設 D1、D2 及 D3 皆為理想二極體,求直流平均輸出電壓 Vo 為
(A)0V (B)+5V (C)-5V (D)+10V 。
83. 若某電路的頻率轉移函數 H(f)呈-20dB/decade 衰減,是表示其轉換增益隨頻率每增加 10 倍,其增益下降為原來的 (A)0.01 (B)0.1 (C)10 (D)100 。
84. 下圖之 Q1 與 Q2 的 V
BE
均視為 0.6V,求 I
OUT
的限流值為
(A)0.5mA (B)1mA (C)0.5A (D)1A 。
85. 某電壓調節電路,當空載(IL=0)時,輸出 Vo 為 10V,當滿載(IL=100mA)時,輸出 Vo 為 9.5V,則其負載調整率為 (A)+5% (B)+5.26% (C)-5% (D)-5.26% 。
86. 下圖所示,電路的電壓增益為 100 倍,求電路有效輸入電容量 Cin 約為
(A)0.1pF (B)1pF (C)10pF (D)100pF 。
87. 有關熱阻(thermal resistance)愈大的電晶體,下列敘述何者正確? (A)接合面的溫度愈低 (B)容許外殼溫度愈高 (C)接合面與外殼溫差愈大 (D)集極容許消耗功率愈大 。
88. 設差動放大器的共模增益 AC 為 0.01,差模增益 AD 為 100,則此差動放大器的共模拒斥比 CMRR 應為 (A)+10dB (B)+20dB (C)+40dB (D)+80dB 。
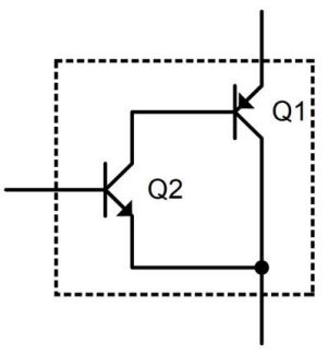
89. 下圖之達靈頓對(Darlington-Pair),其電路特質為
(A)異型 PNP 靈頓對(B)同型 PNP 靈頓對 (C)異型 NPN 靈頓對 (D)同型 NPN 靈頓對 。
90. 某甲類功率放大器,以變壓器耦合輸出到負載時,若 Vcc=20V,NP:NS=5,喇叭阻抗為 8Ω,則最大理想輸出功率為 (A)0.25W (B)0.5W (C)0.75W (D)1W 。
複選題
91. 有關二極體特性之敘述,下列何者正確? (A)稽納二極體摻雜濃度高於一般二極體 (B)稽納二極體工作於逆向偏壓,具有穩壓作用 (C)稽納二極體在順向偏壓時,具有整流作用 (D)二極體內的過渡電容(TransitionCapacitance),電容量隨逆向偏壓增加而增加 。
複選題
92. 兩個共射極放大器構成 RC 耦合串級放大電路,下列敘述何者正確? (A)第一級直流工作點的變化不會影響到第二級的直流工作點 (B)高頻的電壓增益受到極際電容的影響而降低 (C)第一級直流工作點的變化會影響到第二級的交流電壓增益 (D)低頻的電壓增益受到耦合電容的影響而降低 。
複選題
93. 下圖之電路,下列敘述何者正確?
(A)該電路為 RC 耦合電路,容易隔離兩級間直流電壓的相互干擾 (B)R
1
、R
2
為偏壓電阻,提供電晶體偏壓 (C)C
E2
為旁路電容,可提高電壓增益 (D)R
E1
及 R
E2
為正回授電阻,可穩定直流偏壓,不受溫度變化影響 。
複選題
94. 下列哪些型振盪器之輸出電壓為正弦波? (A)RC 相移振盪器 (B)電晶體組成不穩態多諧振盪器 (C)Wien bridge 振盪器 (D)Colpitts 振盪器 。
複選題
95. 電阻器在下列哪些情況會過熱而燒毀? (A)0.5k-1W 電阻器流過 50mA (B)3W 電阻器流過 0.3A 與兩端電壓為 13V (C)2k-1/2W 電阻器兩端電壓為20V (D)1-3.5W 電阻器流過 2A 。
複選題
96. 已知一顆高亮度 LED 正常點亮的順向電壓為 3.2V 與順向電流為 10~15mA,則下列哪些為下圖中之 R
1
合理值?
(A)390 (B)270 (C)200 (D)100 。
複選題
97. 下列哪些元件具有正電阻的特性? (A)稽納二極體 (B)隧道(透納)二極體 (C)變容二極體 (D)場效應電晶體 。
複選題
98. 理想的電壓運算放大器(OPA)的敘述,下列何者正確? (A)輸入阻抗=無限大;輸出阻抗=0 (B)輸入阻抗=0;輸出阻抗=無限大 (C)輸入阻抗=無限大;輸出阻抗=無限大 (D)頻帶寬度=無限大;輸出增益=無限大 。
複選題
99. 有關電子電路回授的敘述,下列何者正確? (A)正回授常用來產生震盪(B)負回授會降低電路之電壓增益 (C)回授是指將放大器的輸出訊號取出一部分或全部,重新送回輸入電路 (D)負回授可以穩定電路,但是容易使輸出波形失真 。
複選題
100. 已知交流電壓 v(t)=5sin(60t+30°)V,下列敘述何者正確? (A)有效值為 5V(B)最大值為 5V (C)頻率為 60Hz (D)相角為 30° 。
申論題 (0)
相關試卷
114年 - 11700 數位電子 乙級 工作項目 10:微控制器系統 1-40(2025/12/12 更新)#134885
114年 · #134885
114年 - 11700 數位電子 乙級 工作項目 09:網路技術與應用 1-42(2025/12/12 更新)#134884
114年 · #134884
114年 - 11700 數位電子 乙級 工作項目 08:程式語言 51-81(2025/12/12 更新)#134883
114年 · #134883
114年 - 11700 數位電子 乙級 工作項目 08:程式語言 1-50(2025/12/12 更新)#134882
114年 · #134882
114年 - 11700 數位電子 乙級 工作項目 07:電腦與周邊設備 101-129(2025/12/12 更新)#134881
114年 · #134881
114年 - 11700 數位電子 乙級 工作項目 07:電腦與周邊設備 51-100(2025/12/12 更新)#134880
114年 · #134880
114年 - 11700 數位電子 乙級 工作項目 07:電腦與周邊設備 1-50(2025/12/12 更新)#134879
114年 · #134879
114年 - 11700 數位電子 乙級 工作項目 06:數位邏輯設計 101-140(2025/12/12 更新)#134878
114年 · #134878
114年 - 11700 數位電子 乙級 工作項目 06:數位邏輯設計 51-100(2025/12/12 更新)#134877
114年 · #134877
114年 - 11700 數位電子 乙級 工作項目 06:數位邏輯設計 1-50(2025/12/12 更新)#134876
114年 · #134876