阿摩線上測驗
登入
首頁
>
技檢◆機器腳踏車修護-丙級
> 114年 - 14500 機器腳踏車修護 丙級 工作項目 03:檢查、調整及更換引擎相關裝備 151-200(2025/12/18 更新)#135247
114年 - 14500 機器腳踏車修護 丙級 工作項目 03:檢查、調整及更換引擎相關裝備 151-200(2025/12/18 更新)#135247
科目:
技檢◆機器腳踏車修護-丙級 |
年份:
114年 |
選擇題數:
50 |
申論題數:
0
試卷資訊
所屬科目:
技檢◆機器腳踏車修護-丙級
選擇題 (50)
151. 機器腳踏車點火線圈經第二次誘導可產生約多少的電壓? (A)1000~2000V(B)10000~20000V (C)60000~80000V (D)40000~60000V 。
152. 引擎高速回轉中,加油握把急速放鬆時,歧管內之負壓會 (A)降低 (B)增高(C)不變 (D)依壓縮壓力而定 。
153. 下列何者無法提高引擎之容積效率? (A)增大汽門頭直徑 (B)增加汽門數目(C)減低引擎排氣背壓 (D)增加引擎進氣溫度 。
154. 汽油引擎使用舉桿、推桿及搖臂以操作進、排汽門開閉之引擎通常稱為何種引擎? (A)H 型 (B)T 型 (C)I 型 (D)L 型 。
155. 某機器腳踏車引擎之機械效率為 80%,若摩擦馬力為 2.5PS,則其制動馬力為 (A)12PS (B)15PS (C)8PS (D)10PS 。
156. 某單缸四行程機器腳踏車引擎,若其排氣門早開 45°、晚關 15°,則其動力行程為 (A)540° (B)135° (C)90° (D)180° 。
157. 引擎汽缸哪一個方向稱為推力面? (A)與活塞銷垂直之方向 (B)與活塞銷平行之方向 (C)與活塞銷成 60°之方向 (D)與活塞銷成 45°之方向 。
158. 引擎之動力行程終止於 (A)進汽門開啟時 (B)活塞下死點位置 (C)活塞上死點位置 (D)排氣門開啟時 。
159. 引擎之壓縮行程開始於 (A)進汽門關閉時 (B)活塞下死點位置 (C)活塞上死點位置 (D)排氣門關閉時 。
160. 引擎排氣溫度高時,通常表示 (A)引擎較為省油 (B)引擎馬力較大 (C)引擎熱效率高 (D)引擎熱效率低 。
161. 下列何者為引擎汽門燒壞的原因? (A)汽門座與汽門面密合不良 (B)汽缸床有漏氣現象 (C)引擎壓縮比過低 (D)汽門腳間隙過大 。
162. 下列何者對引擎之容積效率影響較小? (A)引擎之點火正時 (B)引擎之進氣溫度及壓力 (C)進、排氣管路之斷面積及彎曲度 (D)進、排汽門之大小及早開晚關 。
163. 對汽油引擎而言,使用揮發性高之汽油容易產生下列何種現象? (A)較不易與空氣充分混合導致燃燒不完全 (B)冷引擎發動時較為困難 (C)曲軸箱機油容易被沖淡 (D)熱引擎時容易造成氣阻 。
164. 進排汽門早開晚關的目的為 (A)增加汽缸之進氣容積效率 (B)防止汽門燒毀(C)減低引擎運轉時之震動 (D)防止汽門產生漏氣現象 。
165. 汽油引擎正常燃燒時,產生最大動力是在哪一時期? (A)後燃時期 (B)火焰核時期 (C)孵化時期 (D)繁殖時期 。
166. 燃油噴射引擎採用含氧感知器測知排氣中氧的濃度,以作為控制下列何者之依據? (A)汽門正時 (B)節流閥開度 (C)空氣燃料比 (D)點火正時 。
167. 有關汽油燃料之性質,下列何者錯誤? (A)揮發性高,較不易產生氣阻 (B)辛烷號數高時,抗爆性較佳 (C)含膠量高時,容易造成汽門膠著 (D)汽油中含硫量愈低愈好 。
168. 當火星塞間隙不變時,下列何者正確? (A)壓縮壓力增高時,會使跳火電壓降低 (B)點火時間提前時,會使跳火電壓增高 (C)混合汽變稀時,會使跳火電壓降低 (D)火星塞電極溫度增高時,會使跳火電壓降低 。
169. 下列何者為機油壓力太高的原因? (A)機油油道阻塞 (B)機油壓力開關損壞(C)機油被沖淡變稀 (D)機油量太少 。
170. 下列何者不是電晶體點火系統之優點? (A)能供電壓較高 (B)無白金接點裝置,壽命較長 (C)點火性能穩定 (D)構造簡單,價格便宜 。
171. 燃油噴射系統之噴油嘴,係利用下列何種方法將油針打開使汽油噴出? (A)利用進汽歧管的真空吸力 (B)利用活塞下行時之真空吸力 (C)利用汽油泵浦所建立之燃油壓力 (D)利用電磁線圈所產生之磁力 。
172. 將汽門重疊角度適度調大時,可減少引擎排氣中下列何者之排放量? (A)CO (B)HC (C)CO 及 HC (D)NOx 。
173. 汽油引擎運轉中 NOx 的產生量,在何種情形下較多? (A)汽缸內燃燒溫度低時 (B)汽缸內燃燒溫度高時 (C)引擎點火時間過遲時 (D)混合比過濃時 。
174. 下列何者不是噴射引擎機器腳踏車之元件? (A)曲軸位置感知器 (B)真空式燃油泵浦 (C)噴油嘴 (D)燃油壓力調節器 。
175. 有關機器腳踏車噴射引擎供油系統之敘述,下列何者錯誤? (A)燃油壓力約2.5~2.8 ㎏/cm2 (B)噴油嘴為機械驅動式 (C)具有燃油回油系統 (D)燃油泵浦為電動式 。
176. 有關噴射引擎進氣系統之敘述,下列何者錯誤? (A)大部分車型使用歧管壓力感知器,進行進氣量之感測 (B)節流閥位置感知器,用以感測節流閥的開啟度 (C)以怠速調整螺絲來調整混合比 (D)怠速控制閥,用以調整怠速時之進氣量 。
177. 量測汽缸壓力不需要何種條件? (A)電瓶需充滿電之狀態 (B)需將火星塞拆除 (C)節流閥需位於關閉位置 (D)引擎需達工作溫度 。
178. 下列何者不是機器腳踏車噴射引擎之點火系統元件? (A)火星塞 (B)點火線圈 (C)曲軸位置感知器 (D)外電阻 。
179. 下列何者不是機器腳踏車噴射引擎之燃油系統元件? (A)電動燃油泵浦 (B)噴油嘴 (C)油壓調整器 (D)怠速油嘴 。
180. 有關點火系統之敘述,下列何者錯誤? (A)一次線圈繞線較粗 (B)火星塞間隙愈大,跳火電壓愈低 (C)電瓶電壓的高低會影響跳火電壓 (D)火星塞的電阻值會影響跳火電壓 。
181. 就目前市售之噴射引擎機器腳踏車而言,下列何種感知器不存在? (A)曲軸位置感知器 (B)節流閥位置感知器 (C)空氣流量感知器 (D)進氣壓力/溫度感知器 。
182. 機器腳踏車噴射引擎中,能夠將汽油霧化的機件是 (A)汽缸 (B)活塞 (C)噴油嘴 (D)火星塞 。
183. 機器腳踏車噴射引擎之機油,作用時產生泡沫或氣泡會使引擎油道壓力 (A)升高 (B)降低 (C)無關 (D)忽高忽低 。
184. 機器腳踏車噴射引擎系統的點火開關(主開關)key-on 之供應電源是 (A)不經繼電器直接由電瓶供應 (B)經繼電器由電瓶供應 (C)經點火開關供應電源(D)由發電機電壓調整器供應電源 。
185. 機器腳踏車噴射引擎系統的含氧感知器,屬於下列何種形式的感知器? (A)頻率型 (B)百分比型 (C)電流型 (D)電壓型 。
186. 機器腳踏車噴射引擎系統中,電子式轉速錶的轉速信號來自 (A)發電機 (B)車速感知器 (C)節流閥位置感知器 (D)曲軸位置感知器 。
187. 如圖所示,曲軸位置感知器為何種型式?
(A)光電式 (B)磁感式 (C)可變電阻式 (D)壓容式 。
188. 有關曲軸位置感知器,A 技師說:由 ECU 提供 5V 電壓,並依電壓信號修正噴油及點火時間;B 技師說:感知器利用磁場變化產生之感應電壓信號,以供 ECU 修正噴油及點火時間,下列何者正確? (A)A 對 B 錯 (B)A 錯B 對 (C)A 與 B 都錯 (D)A 與 B 都對 。
189. 有關針對燃料噴射系統之電動燃油泵,下列何者正確? (A)由點火開關控制,key-on 後開始泵油 (B)當電瓶電壓降至 8V 以下時,將無法泵油 (C)可使油管燃油壓力維持在 4kg/cm2 以上 (D)除油泵損壞更新,否則油泵上濾網不必定期更換 。
190. 如圖所示,使用 NTC 型之溫度感知器,當溫度達 40℃時,感知器之電阻值為
(A)0.1Ω (B)1Ω (C)1KΩ (D)20KΩ 。
191. 燃油噴射式機器腳踏車,會切斷電腦(ECU)電源之元件為何? (A)含氧感知器 (B)傾倒感知器 (C)進氣溫度及壓力感知器 (D)引擎溫度感知器 。
192. 使用電腦診斷器,清除燃油噴射式機器腳踏車故障碼時,必須處於下列何種狀態? (A)點火開關 OFF,引擎不運轉 (B)點火開關 ON,引擎怠速運轉(C)點火開關 ON,引擎不運轉 (D)點火開關 ON,引擎低速運轉 。
193. 二次空氣噴射系統,使空氣噴入排氣歧管中,主要目的為減少排氣中何種氣體含量? (A)NOx (B)H
2
O (C)CO 及 HC (D)CO
2
。
194. 如圖所示,含氧感知器輸出電壓持續偏高,下列何者正確?
(A)噴油時間增加 (B)混合比濃度維持於理論值 (C)廢氣含氧量過多 (D)混合比濃度過稀 。
195. 如圖所示,節流閥位置感知器,其搭鐵腳位為何?
(A)1 號端子 (B)2 號端子(C)3 號端子 (D)2 與 3 號端子均可 。
196. 如圖所示,節流閥位置感知器,其信號腳位為何?
(A)1 號端子 (B)2 號端子(C)3 號端子 (D)2 與 3 號端子均可 。
197. 水冷式機器腳踏車,節溫器過早開啟,容易造成下列何種情形? (A)引擎不易達到正常工作溫度 (B)引擎容易過熱 (C)怠速不穩定 (D)無法啟動 。
198. 水冷式機器腳踏車,節溫器一般裝於何處? (A)副水箱與水箱連接水管 (B)引擎冷卻液進水管 (C)副水箱回水管 (D)引擎冷卻液出水管 。
199. 水冷式機器腳踏車,旋開機油量尺,發覺機油有白乳化之情形,其主要原因為 (A)燃油泵浦壓力過高 (B)機油泵密封不良 (C)水泵浦油封損壞 (D)活塞環磨損 。
200. 有關水泵浦之敘述,下列何者正確? (A)機械油封與內油封可分開單獨更換(B)機械油封可重複拆裝使用 (C)新油封安裝時必須塗抹密封膠 (D)安裝機械式油封時,直接以鐵槌輕敲入曲軸箱蓋 。
申論題 (0)
相關試卷
114年 - 14500 機器腳踏車修護 丙級 工作項目 07:檢查、調整及更換懸吊、傳動 1-38(2025/12/18 更新)#135254
114年 · #135254
114年 - 14500 機器腳踏車修護 丙級 工作項目 06:檢查、更換車輪相關裝備 1-35(2025/12/18 更新)#135253
114年 · #135253
114年 - 14500 機器腳踏車修護 丙級 工作項目 05:檢查、調整及更換煞車系統相 1-45(2025/12/18 更新)#135252
114年 · #135252
114年 - 14500 機器腳踏車修護 丙級 工作項目 04:檢查、更換電系系統相關裝備 101-153(2025/12/18 更新)#135251
114年 · #135251
114年 - 14500 機器腳踏車修護 丙級 工作項目 04:檢查、更換電系系統相關裝備 51-100(2025/12/18 更新)#135250
114年 · #135250
114年 - 14500 機器腳踏車修護 丙級 工作項目 04:檢查、更換電系系統相關裝備 1-50(2025/12/18 更新)#135249
114年 · #135249
114年 - 14500 機器腳踏車修護 丙級 工作項目 03:檢查、調整及更換引擎相關裝備 201-249(2025/12/18 更新)#135248
114年 · #135248
114年 - 14500 機器腳踏車修護 丙級 工作項目 03:檢查、調整及更換引擎相關裝備 101-150(2025/12/18 更新)#135246
114年 · #135246
114年 - 14500 機器腳踏車修護 丙級 工作項目 03:檢查、調整及更換引擎相關裝備 51-100(2025/12/18 更新)#135245
114年 · #135245
114年 - 14500 機器腳踏車修護 丙級 工作項目 03:檢查、調整及更換引擎相關裝備 1-50(2025/12/18 更新)#135244
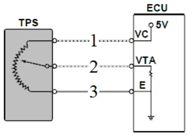
114年 · #135244