所屬科目:教甄◆控制科
1. 工廠內有一台直流電動機,額定功率為 5 馬力、額定轉速為 1000 rpm,求該機的額定輸出轉矩為多少牛頓-米? (A)0.59 (B)7.46 (C)30 (D)35.6
2. 當 V-V 接線所提供之三相容量為 43.3kVA,今欲再增加一部變壓器做三相接線,則此時的三相容量約為多少 kVA? (A)75 (B)50 (C)40 (D) V-V 接線無法再增加變壓器做三相接線
3. 某三相、八極、60Hz、440V、Y 接同步電動機,每相定子電抗為 10Ω,若每相反電勢為 250V,則此電動機最大輸出功率約為多少 kW? (A)33 (B)19 (C)11 (D)6.3
4. 一部四相可變磁阻型步進電動機,採用單相激磁並在每相每秒加入 300 個脈波,今轉子轉速為 5 rps,則該機的齒數為何? (A)80 齒 (B)30 齒 (C)40 齒 (D)60 齒
5. 某部三相感應電動機以額定電源的一半做直接啟動時所得之線路電流為 200A,若改用自耦變壓器啟動並接上額定電源,今欲將自耦變壓器的分接頭置於 80%的位置 上,試求啟動時電源電流及電動機側電流分別為何? (A)256A、256A (B)128A、160A (C)160A 、128A (D)256A、320A
6. 一部 4 極、60Hz 的三相感應電動機在靜止下每相等效電路相關參數如下: 定子繞組電阻為 3Ω、定子漏磁電抗為 2Ω、轉子繞組電阻等效至定子側為 0.2Ω、 轉子漏磁電抗等效至定子側為 2Ω,試求該機發生最大轉矩時轉速為多少 rpm? (A)1728 (B)1746 (C)1764 (D)1800
7. 如下圖所示電路,若 C 點接地時,Vae 等於多少伏特? (A) -4 (B)-2 (C)2 (D)6
8. 如下圖所示電路,I=? (A) 5A (B) 2.5A (C) -7.5A (D) 8A
9. 如下圖所示電路,ab 兩端的電壓是多少? (A) -2 (B) -5 (C) -6 (D) -7
10. 如下圖所示電路,電容器 C1 所儲存電量為 500μC,求 C1=? (A) 20μF (B) 50μF (C) 80μF (D) 100μF
11. 如下圖所示電路,電路已達穩態,若在 t=0 時,將開關 S 閉合,則在閉合 1 小時後, 再將開關打開,求開關打開瞬間,電感電流 iL=? (A) 0A (B) 5A (C) -5A (D) -3A
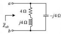
12. 如下圖所示電路,電路總阻抗 Zab=?及電路屬何種負載? (A) 4+j4 電容性 (B) 4-j4 電感性 (C) 4-j4 電容性 (D) 4 電阻性
13. 有兩個相鄰線圈 N1=600 匝,N2=900 匝,當線圈 2 通 6A 時,產生磁通為 18x10-3 韋伯,其中有 15x10-3 韋伯交鏈至線圈 1,則線圈 1 的自感 L1=? (A) 0.6H (B) 0.8H (C) 1.2H (D) 1.5H
14. 有三個電容器接成△連接,所消耗的功率為 P△,接成 Y 連接,所消耗的功率為 PY, 則下列何者正確? (A) P△/PY = 3 (B) P△/PY =1/3 (C) P△-PY = 4 (D) P△-PY =0
15. 如下圖所示之電晶體放大電路,β 極大,=0.7V,VCE(SAT)=0.2V,則 VCE=? (A) 0.2V (B) 2.1V (C) 4.8 (D) 9
16. 如下圖所示之電晶體放大電路,rπ1=rπ2 =2KΩ;β1=β2 =40,求電壓增益 Vo/Vi 為 多少? (A) -100 (B) -50 (C) -25 (D) -1
17. 如下圖所示電路,VDD= 20V,夾止電壓 Vp = –2V,IDSS=8mA,工作點之 ID= 2mA, 則 RG1 =? (A) 202K (B) 90K (C) 160K (D) 112.6K
18. 如下圖所示電路,VDD=10V、RG1=90KΩ、RG2=10KΩ、RS1=1KΩ、IDSS=12mA、 VGS(OFF)=-4V,求 ID=? (A) 3 mA (B) 5 mA (C) 7 mA (D) 9 mA
19. 如下圖所示電路,兩電晶體參數相同,K=20 mA/V2、VT = 2 V,電壓錶之數值為何? (A) 1V (B) 2V (C) 3V (D) 4V
20. 如下圖所示電路,求遲滯電壓 VH =? (A) 12V (B) 16V (C) 18V (D) 20V