阿摩線上測驗
登入
首頁
>
教甄◆控制科
>
115年 - 115 臺北市立內湖高級工業職業學校_正式教師甄選試題:控制科(電工機械、基本電學、電子學 )#139178
> 試題詳解
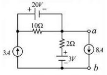
9. 如下圖所示電路,ab 兩端的電壓是多少?
(A) -2
(B) -5
(C) -6
(D) -7
答案:
登入後查看
統計:
尚無統計資料
相關試題
10. 如下圖所示電路,電容器 C1 所儲存電量為 500μC,求 C1=? (A) 20μF (B) 50μF (C) 80μF (D) 100μF
#3871745
11. 如下圖所示電路,電路已達穩態,若在 t=0 時,將開關 S 閉合,則在閉合 1 小時後, 再將開關打開,求開關打開瞬間,電感電流 iL=? (A) 0A (B) 5A (C) -5A (D) -3A
#3871746
12. 如下圖所示電路,電路總阻抗 Zab=?及電路屬何種負載? (A) 4+j4 電容性 (B) 4-j4 電感性 (C) 4-j4 電容性 (D) 4 電阻性
#3871747
13. 有兩個相鄰線圈 N1=600 匝,N2=900 匝,當線圈 2 通 6A 時,產生磁通為 18x10-3 韋伯,其中有 15x10-3 韋伯交鏈至線圈 1,則線圈 1 的自感 L1=? (A) 0.6H (B) 0.8H (C) 1.2H (D) 1.5H
#3871748
14. 有三個電容器接成△連接,所消耗的功率為 P△,接成 Y 連接,所消耗的功率為 PY, 則下列何者正確? (A) P△/PY = 3 (B) P△/PY =1/3 (C) P△-PY = 4 (D) P△-PY =0
#3871749
15. 如下圖所示之電晶體放大電路,β 極大,=0.7V,VCE(SAT)=0.2V,則 VCE=? (A) 0.2V (B) 2.1V (C) 4.8 (D) 9
#3871750
16. 如下圖所示之電晶體放大電路,rπ1=rπ2 =2KΩ;β1=β2 =40,求電壓增益 Vo/Vi 為 多少? (A) -100 (B) -50 (C) -25 (D) -1
#3871751
17. 如下圖所示電路,VDD= 20V,夾止電壓 Vp = –2V,IDSS=8mA,工作點之 ID= 2mA, 則 RG1 =? (A) 202K (B) 90K (C) 160K (D) 112.6K
#3871752
18. 如下圖所示電路,VDD=10V、RG1=90KΩ、RG2=10KΩ、RS1=1KΩ、IDSS=12mA、 VGS(OFF)=-4V,求 ID=? (A) 3 mA (B) 5 mA (C) 7 mA (D) 9 mA
#3871753
19. 如下圖所示電路,兩電晶體參數相同,K=20 mA/V2、VT = 2 V,電壓錶之數值為何? (A) 1V (B) 2V (C) 3V (D) 4V
#3871754
相關試卷
115年 - 115 臺北市立內湖高級工業職業學校_正式教師甄選試題:控制科(電工機械、基本電學、電子學 )#139178
2026 年 · #139178
113年 - 113 新北市公立高級中等學校教師聯合甄選試題:控制科、電機科#119728
2024 年 · #119728
112年 - 112 高雄市市立高級中等學校聯合教師甄選試題:控制科#114483
2023 年 · #114483
111年 - 111 新北市公立高級中等學校教師聯合甄選試題:控制科#108078
2022 年 · #108078
109年 - 109 高雄市市立高級中等學校聯合教師甄選:控制科#87884
2020 年 · #87884
108年 - 高雄市高中教師聯招甄選-控制科#76503
2019 年 · #76503
108年 - 新北市立高級中等學校 108 學年度教師聯合甄選 控制科 #76108
2019 年 · #76108