所屬科目:船用電機與自動控制(概要)
1. 在一般直流發電機或電動機電樞鐵心大都採矽鋼片推疊而成,其主要原因為何?(A) 減少銅損失(B) 減少磁滯損失(C) 減少渦流損失(D) 減少重量
2. 使用整步指示燈檢驗兩發電機是否同步,出現「三燈輪流明滅」情形時,其原因為何?(A) 相序相同、頻率一致,但電壓大小稍異(B) 相序相同、電壓相等,但頻率稍異(C) 頻率一致、電壓相等,但相位不同(D) 相序不同且電壓稍異,但頻率相同
3. 下列何者不是氣壓控制系統的優點?(A) 安全可靠(B) 輸出力大(C) 可遠距離傳輸(D) 可過載保護
4. 下列何者不是船用柴油主機控制系統的主要功能?(A) 燃油油櫃高度控制(B) 轉速與負荷控制(C) 邏輯程式控制(D) 安全保護與緊急操作
5. 三相對稱負載有效功率,不論是三角形或Y形接線均適用的表示式為何(L表示線、P表示相)?(A)(B)(C)(D)
6. 船舶配電線盤及電熱設備等之絕緣電阻,依規定最低應不小於何值?(A) 100 MΩ(B) 10 MΩ(C) 1 MΩ(D) 0.1 MΩ
7. 三相感應電動機的轉差率小於1時,轉子繞組中的電流有何特性?(A) 為低於定子電流頻率的交流電(B) 為高於定子電流頻率的交流電(C) 為等於定子電流頻率的交流電(D) 為直流電
8. 應變規(Strain Gauge)式的壓力量測,當拉長時,下列何者敘述是正確的?(A) 其長度縮短,截面積減小,電阻變大(B) 其長度縮短,截面積減小,電阻變小(C) 其長度拉長,截面積減小,電阻變大(D) 其長度拉長,截面積減小,電阻變小
9. 直流發電機的主磁場若由外部的直流電源供應,是屬於何種直流發電機?(A) 他激式(B) 並激式(C) 串激式(D) 複激式
10. 船舶航行中有碰撞之虞,實施緊急倒俥(Crash Astern),主機在運轉中進行換向並切斷油門。為儘快倒俥,起動所採用的控制為柴油主機的何種控制? (A) 運轉中換向與制動邏輯程序控制 (B) 停俥時的換向邏輯控制 (C) 積極啟動邏輯控制 (D) 重複起動邏輯程序控制
11. 使用PID控制器於船用系統出現量測雜訊,下列何者不宜單獨出現?(A) 比例動作+積分動作(B) 比例動作(C) 微分動作(D) 比例動作+微分動作
12. 遙控操俥系統主機,俥鐘自低速直接移到高速,為了避免轉速急劇上升造成主機過負荷,因此控制系統需具備下列何種限制? (A) 隨動速率限制 (B) 減速速率限制 (C) 程序負荷限制 (D) 最低轉速限制
13. 下列有關緊急配電盤之敘述,何者錯誤?(A) 緊急配電盤與主配電盤相同,均應裝在機艙內(B) 緊急配電盤通常是由緊急發電機控制盤和緊急分電盤組成(C) 緊急配電盤可控制和監視緊急發電機組(D) 緊急配電盤緊急供應船舶重要電機、照明設備電力
14. 同步發電機並聯後進行負載的轉移和分配,需調節下列何項裝置?(A) 發電機的調壓器(B) 原動機的調速器(C) 激磁迴路的磁場變阻器(D) 負載的功率因數計
15. 下列何種型式的直流發電機不屬於自激式直流發電機?(A) 並激式(B) 串激式(C) 永磁式(D) 複激式
16. 下列何種型式之直流發電機面對負載變動,其輸出電壓比較平穩?(A) 串激式(B) 平複激式(C) 欠複激式(D) 並激式
17. SCR的導通條件,下列敘述何者正確?(A) 陽極-陰極間加「正向電壓」,同時閘極-陰極間加「正向觸發電壓」(B) 陽極-陰極間加「負向電壓」,同時閘極-陰極間加「負向觸發電壓」(C) 陽極-陰極間加「正向電壓」,同時閘極-陰極間加「負向觸發電壓」(D) 陽極-陰極間加「負向電壓」,同時閘極-陰極間加「正向觸發電壓」
18. 三相、220V、60Hz、6極、10馬力之電動機,其滿載功率因數為cosθ=0.6(滯後),今欲將功率因數提高至cosθ=0.8 (滯後)時,所須加入電容器之總容量為? (A) 746VAR (B) 1000VAR (C) 1224VAR (D) 4352VAR
19. 當受控制系統存在著不可控制的外界干擾(Disturbance),以下何種控制模式不宜使用?(A) 開路控制(B) 閉路控制(C) 定值控制(D) 遙控
20. 關於光電晶體(Photo-transistor)之敘述下列何者錯誤?(A) 光電晶體是一種三個端點的元件(B) 當光線照射到光電晶體外殼之鏡窗時便產生和入射光成正比之基極電流(C) 當光線中斷時光電晶體為截止狀態(D) 光電晶體只能對紅外線敏感
21. 一個24V標稱30Ah(安培-小時)的鉛酸電池,在不考慮內阻、效率與能量損失的情況下,經過直流轉換器降壓後供應12V/5A的設備,大概可使用多少小時? (A) 7.5 小時 (B) 8.5小時 (C) 12小時 (D) 24小時
22. 二進位數0110111之2的補數為何?(A) 1001000(B) 101000(C) 10101(D) 1001001
23. 如圖中,電流I為多少?(A) 1A(B) 2A(C) 4A(D) 6A
24. 如圖所示,試求4Ω電阻消耗之功率為何?(A) 4W(B) 8W(C) 16W(D) 20W
25. 如圖電路中,R是幾歐姆=?(A) 2Ω(B) 4Ω(C) 6Ω(D) 8Ω
26. 某交流電路,其電源電壓為,電源電流為,則該電路之視在功率S為 多少? (A) 2000W (B) 2000VA (C) 1000W (D) 1000VA
27. 如圖所示,求電流源上的電壓V為何?(A) -12V(B) +12V(C) -16V(D) +16V
28. 如圖所示電路,如圖所示電路,若則 v(t)應為多少? (A) (B) (C) (D)
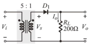
29. 如圖所示電路中之二極體為理想二極體,若,Vo電壓平均值約為何? (A) 31.85V (B) 35.35V (C) 63.7V (D) 70.7V
30. 電晶體的特性參數受溫度的影響,下列何者正確?(A) 隨著溫度的上升而上升(B) β值隨著溫度的上升而上升(C) 溫度對直流工作點沒有影響(D) 漏電流隨著溫度的上升而下降
31. BJT(三極管)三個工作組態中,B、C、E 三個端點,何者不可作為輸入端?(A) B 基極(B) C 集極(C) E 發射極(D) 視工作組態而定
32. 關於電感器(L)與電容器C.作為電路元件時,在該元件電壓V與電流I描述,下列何者正確?(A)(B)(C)(D)
33. 若電晶體輸入端為E 極,則電晶體的工作組態應為?(A) CE組態(B) CB組態(C) CC組態(D) 視輸入端決定
34. 關於船舶電氣設備的絕緣檢測,其下列說明何者正確?(A) 絕緣檢驗使用一般三用電表的歐姆檔進行檢測即可(B) 絕緣檢驗大多是在電機溫昇試驗後,立即以直流高阻計測量其絕緣電阻(C) 環境溫濕度不影響絕緣檢驗之結果(D) 絕緣定期檢驗以每年爲原則
35. 關於感應電動機的運轉與啟動特性,以下描述何者正確?(A) 啟動時線圈接線用Y-Δ接,以減少啟動負載電流(B) 啟動時線圈接線用Δ-Y接,以減少啟動負載電流(C) 啟動時線圈接線用Δ-Δ接,以減少啟動負載電流(D) 啟動時線圈接線用Y-Y接,以減少啟動負載電流
36. 如圖所示之RL 並聯電路,其中電阻R=3Ω,電源電壓為24V/50Hz∠0°`,此時電感感抗為 j4Ω,若將電源頻率改為100Hz,則流經電感器的電流為何? (A) 10A (B) 7A (C) 5A (D) 3A
37. 關於布林代數的運算規則,以下何者錯誤?(A) A+B=B+A(B) A+AB=A(C) A(A+B)=AB(D) A+(BC)=(A+B)(A+C)
38. 兩發電機G1與G2之特性曲線分別為GEN1與GEN2,其並聯之頻率與負載特性圖如下圖所示,以下描述何者正確? (A) G1為待並聯發電機 (B) 當發電機G2移動到GEN2曲線時,相當於G2發電機承擔75%的匯流排電力 (C) 發電機G2停留在GEN2’曲線時,相當於G1發電機在60Hz承擔匯流排100%的電力 (D) G2發電機從GNE2’移動到GEN2位置時,相當於調速器往Raise方向減少油門
39. 三種基本交流BJT放大電路之功率增益大小順序為?(A) CE>CB>CC(B) CB>CC>CE(C) CC>CE>CB(D) CB>CE>CC
40. 關於自耦變壓器的敘述,以下何者錯誤?(A) 自耦變壓器只有一個繞組,原邊和副邊有一部分是公用的(B) 高壓繞組的一部分兼作低壓繞組(C) 輸入與輸出的電流上限與線圈線徑有關,與變壓比無關(D) 輸入端電壓的火線要接在自耦變壓器線圈的共點位置