阿摩線上測驗
登入
首頁
>
技檢◆銑床-CNC 銑床-乙級
> 115年 - 18201 銑床-CNC 銑床 乙級 工作項目 04:銑削條件之判斷及處理及傳統銑床、CNC銑床-銑削實習 201-247(2026/01/05 更新)#136137
115年 - 18201 銑床-CNC 銑床 乙級 工作項目 04:銑削條件之判斷及處理及傳統銑床、CNC銑床-銑削實習 201-247(2026/01/05 更新)#136137
科目:
技檢◆銑床-CNC 銑床-乙級 |
年份:
115年 |
選擇題數:
47 |
申論題數:
0
試卷資訊
所屬科目:
技檢◆銑床-CNC 銑床-乙級
選擇題 (47)
複選題
201. 量測工件的間隙可使用下列何者? (A)高度規 (B)厚薄規 (C)塊規 (D)投影機 。
複選題
202. 下列何者屬於逆銑切削特性? (A)切屑由薄而厚,銑刀受力先輕後重 (B)受螺桿背隙影響較大 (C)適合銑削薄件 (D)適合銑削黑皮面鑄件 。
複選題
203. 下列何者屬於順銑切削特性? (A)加工時摩擦較少,銑刀刃口壽命較長(B)受螺桿背隙影響較大 (C)進給消耗功率較大 (D)適合銑削黑皮面鑄件 。
複選題
204. 一斜度工件長 30mm,標註為 1:5±0.002,量測出小端高度 10.05mm,則大端的容許高度為______mm。 (A)15.95 (B)16.00 (C)16.05 (D)16.10
複選題
205. 對傳統銑床的操作下列敘述何者正確? (A)重切削應採用順銑法 (B)搪孔可用自動向下進刀功能 (C)作 X 方向銑削時,應固定 Y 方向的移動 (D)面銑削時,應鎖緊主軸套筒 。
複選題
206. 若切削進給率為 140mm/min 時,每刃進給不得超過 0.25mm,下列切削條件何者適用? (A)2 刃 300rpm (B)4 刃 120rpm (C)5 刃 100rpm (D)6 刃95rpm 。
複選題
207. 在傳統銑床上以直徑 20mm 端銑刀作深度 50mm 側邊粗銑,應避免下列何種銑削方式?(A)
(B)
(C)
(D)
。
複選題
208. 如下圖所示,若要在 10 度斜面處再銑一 50 度斜面,則下列 x 方向移動量與量錶數據的關係何者有誤?
(A)x 軸走 10mm 量錶指針轉 6.43mm (B)x軸走 8mm 量錶指針轉 7.95mm (C)x 軸走 7.78mm 量錶指針轉 5.0mm (D)x軸走 6.58mm 量錶指針轉 6.0mm(sin40°=0.64278) 。
複選題
209. 若銑床 X 方向的進給手輪每格刻度 0.02mm,一轉 2.5mm,已知背隙有5 格 。要鑽三孔,如圖所示,若手輪正轉定位 A 孔,鑽完後,再鑽 BC兩孔,下列定位過程何者有誤?
(A)正轉 4 圈鑽 B 孔,再正轉 4 圈鑽 C孔 (B)正轉 8 圈鑽 C 孔,再反轉 4 圈鑽 B 孔 (C)正轉 8 圈鑽 C 孔,再反轉5 格加 4 圈後鑽 B 孔 (D)正轉 8 圈加 5 格鑽 C 孔,再反轉 4 圈鑽 B 孔 。
複選題
210. 工件夾持於虎鉗作端銑與側銑的情況下,將兩端面平行的圓錐形工件,銑成具有 24 個直角的六面體,如下圖所示,應如何安排各面的銑削順序?
(A)1→2→3→6→4→5 (B)4→6→3→5→2→1 (C)3→1→4→5→6→2 (D)3→5→4→6→1→2 。
複選題
211. 下列何指令與補正有關? (A)G44 (B)G46 (C)G48 (D)G50 。
複選題
212. 下列敘述何者正確? (A)執行 G91 G00 X86.6 Y50.0 時,刀具移動先與 X軸成 45°夾角 (B)執行 G91 G01 X86.6 Y50.0 F200 時,刀具移動與 X 軸成30°夾角 (C)執行 G91 G18 G01 X86.6 Y50.0 Z20.0 F200 時,刀具無 Y 軸的移動 (D)執行 G91 G17 G02 I-20.0 時,因缺少 X 及 Y 座標以致於刀具無法移動 。
複選題
213. 執行 G92 X50.0 Y50.0 Z50.0 單節之前,下列刀具相對位置的敘述,何者錯誤? (A)刀具至機械原點的相對座標為 X50.0 Y50.0 Z50.0 (B)程式原點至刀具的相對座標為 X50.0 Y50.0 Z50.0 (C)機械原點至刀具的相對座標為 X50.0 Y50.0 Z50.0 (D)刀具至程式原點的相對座標為 X50.0 Y50.0Z50.0 。
複選題
214. 以 G41 的方式銑削長方體的外輪廓,得到偏大 0.1mm 的尺寸,此時可採用下列何方法修正? (A)刀徑補正值減 0.05mm (B)刀徑補正值減 0.1mm (C)程式路徑向內縮 0.05mm (D)程式路徑向內縮 0.1mm 。
複選題
215. 執行 G91 G01 X86.6 Y50.0 F100 時,刀具的速率下列何者正確? (A)X軸的移動速率為 100mm/min (B)X 軸的移動速率為 86.6mm/min (C)Y 軸的移動速率為 100mm/min (D)Y 軸的移動速率為 50mm/min 。
複選題
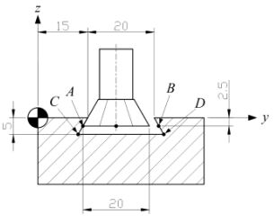
216. 精銑削 60°鳩尾槽,如下圖,刀端中心為刀具基準點,下列何者正確?
(A)銑削 A 點時刀具的 Y 座標為 23.56mm (B)銑削 B 點時刀具的 Y 座標為26.44mm (C)銑削 C 點時刀具的 Y 座標為 22.11mm (D)銑削 D 點時刀具的Y 座標為 26.88mm 。
複選題
217. 在 NC 銑床上銑削工件的刀具路徑為長方形,銑削後的工件尺寸未達圖面要求,可使用下列何種方法修正? (A)修改 F 值 (B)修改 S 值 (C)修改 D值 (D)修改程式 。
複選題
218. 在立式 NC 銑床上銑削斜面,若此斜面垂直於 XY 平面並與 XZ 平面成一夾角,可採用下列何種方法 (A)旋轉虎鉗 (B)執行程式 (C)墊斜度墊塊於工件底面 (D)使用錐度銑刀 。
複選題
219. 程式中利用同一端銑刀銑削兩個深度後,發現兩個深度差值未達要求,不應修改 (A)刀長補正值 (B)刀徑補正值 (C)程式原點的位置 (D)程式中某一個深度值 。
複選題
220. 在立式 NC 銑床上以端銑刀精銑削長方形外輪廓後,得到偏大的尺寸,不須修改下列何者之設定值? (A)G92 (B)G54 (C)H (D)D 。
複選題
221. 在立式 NC 銑床上以端銑刀的側刃銑削長方體工件的一面之後,發現該面與相鄰面的直角度不佳,下列何者為可能原因? (A)虎鉗鉗口與運動軸不平行 (B)F 值太大 (C)S 太小 (D)切深不足 。
複選題
222. 在立式 NC 銑床上以虎鉗夾持薄工件時,下列敘述何者不正確? (A)活動鉗口傾斜可能造成工件向上移 (B)用大鐵鎚敲工件使工件向下貼平 (C)不必考慮工件變形的問題 (D)以軟鎚邊敲邊鎖緊 。
複選題
223. 如圖所示之凹槽欲利用 NC 銑床作最後一道精銑,宜選用下列何直徑之端銑刀
(A)6mm (B)8mm (C)10mm (D)12mm 。
複選題
224. NC 銑床在下列何種模式(Mode)下,可手動裝卸刀把? (A)自動執行程式(Auto) (B)寸動操作(Jog) (C)手動資料輸入(MDI) (D)手動原點復歸(Home) 。
複選題
225. 下列有關 NC 銑床的敘述何者正確? (A)NC 程式是以刀具中心為基準來描寫切削路徑 (B)程式加工之刀具宜設定長度補正 (C)G54 座標系用於設定刀具由「程式原點」移動到「機械原點」之位移 (D)尋邊器可配合使用於設定工作座標系 。
複選題
226. NC 銑床程式執行中,按壓那些鍵可立即停止刀具移動 (A)RESET (B)OPTSTOP (C)CYCLE STOP (D)EMERGENCY STOP 。
複選題
227. NC 銑床在 XY 平面上的圓弧銑削(O 為圓心,P 為起點,Q 為終點),下列敘述何者正確? (A)
(B)
(C)
(D)
。
複選題
228. 工件如圖所示,欲在 XY 平面上鑽直徑 8mm 數孔,O 為程式原點,執行程式 G90 G81 X10.0 Y10.0 R3.0 Z-20.0 F150;G91 X12.0 Y12.0 K5;下列敘述何者正確?
(A)數孔中心為一直線排列且與 X 軸呈 45 度 (B)共鑽 5 孔(C)最終孔之位置為(60,60) (D)鑽孔深度為 20mm 。
複選題
229. 執行 G00 快速定位指令,由 A 點至 B 點路徑,下列圖形何者正確?(A)
(B)
(C)
(D)
。
複選題
230. 在不同的加工平面上以 G03 沿箭頭方向切削圓弧,下列何者正確?(A)
(B)
(C)
(D)
。
複選題
231. 使用 G41D01 指令精銑削外形尺寸
mm,若端銑刀直徑 8mm,理論上 D 值可設定為 (A)4.02 (B)4.00 (C)3.98 (D)3.96 。
複選題
232. 使用 G41D01 指令精銑削外形尺寸
mm,若端銑刀直徑 8mm,理論上 D 值可設定為 (A)4.02 (B)4.00 (C)3.98 (D)3.96 。
複選題
233. 使用 G42D01 指令精銑削溝槽尺寸
mm,若端銑刀直徑 8mm,理論上D 值可設定為 (A)4.02 (B)4.01 (C)4.00 (D)3.98 。
複選題
234. 使用 G42D01 指令精銑削溝槽尺寸
mm,若端銑刀直徑 8mm,理論上 D 值可設定為 (A)4.02 (B)4.00 (C)3.99 (D)3.96 。
複選題
235. 使用 G41D01 指令精銑削外形時,若端銑刀直徑 8mm 且 D 值 4.05,得尺寸 30.15mm,同一加工條件下,若外形尺寸為
mm,則 D 值可設定為 (A)4.02 (B)4.00 (C)3.98 (D)3.96 。
複選題
236. 使用 G42D01 指令精銑削溝槽時,若端銑刀直徑 8mm 且 D 值 4.05,得尺寸 29.85mm。同一加工條件下,若溝槽尺寸為
mm,則 D 值可設定為 (A)4.02 (B)4.00 (C)3.97 (D)3.95 。
複選題
237. 使用刀徑補正(正值)與其刀具路徑方向,下列圖形何者正確?(A)
(B)
(C)
(D)
。
複選題
238. 銑削不同工作座標系標示的數個相同輪廓,可使用下列何指令? (A)G53(B)G55 (C)G58 (D)G60 。
複選題
239. 如圖所示,欲設定 G43 之刀長補正值,當工作座標系之 Z 值設為 0.0時,則下列補正值何者正確?
(A)H1=0.0 (B)H1=-120.0 (C)H2=20.0 (D)H2=-100.0 。
【已刪除】
複選題
240. (本題刪題)如圖所示,欲設定 G43 之刀長補正值,當工作座標系之 Z 值設為-120.0 時,則下列補正值何者正確? (A)H1=0.0 (B)H1=-120.0 (C)H2=20.0 (D)H2=-100.0 。
複選題
241. 如圖,欲設定各刀之 G43 刀長補正值,當控制器內 G54 之 Z 值已設定為-50.0 時,則下列補正值何者正確?
(A)H1=-200.0 (B)H1=-250.0 (C)H2=-180.0 (D)H2=-230.0 。
複選題
242. NC 銑床上定義軸向敘述何者正確? (A)XY 平面永遠是在水平方向 (B)刀具主軸為 Z 軸 (C)當刀具移向工件方向定義為正 (D)繞 X 軸之旋轉軸為 A軸 。
複選題
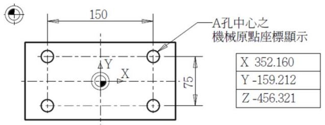
243. 機械原點與工件原點之相對位置如下圖,若測出右上 A 孔之機械座標如表所示,則工件原點之機械座標為何?
(A)X=277.160 (B)Y=–121.712 (C)Y=–196.712 (D)X=427.160 。
複選題
244. 將一長方形工件夾於虎鉗,以球頭直徑 10mm 光電尋邊器尋找程式原點,碰觸時之座標如下圖所示,程式原點的機械座標為何?
(A)X=247.160 (B)Y=–125.10 (C)X=305.20 (D)Y=–191.902 。
複選題
245. 如下圖所示,程式原點位於工件頂面正中央,以光電尋邊器尋找程式原點,若球頭直徑為 10mm,則程式原點的機械座標為何?
(A)X=410.5 (B)Y=–185.21 (C)X=400.118 (D)Y=–163.431 。
複選題
246. 欲以 NC 銑床攻 M12×1.75 的螺紋,若牙深 25mm 且下刀開始及提刀停止均在 Z=5.0mm 處,則可使用到下列何單節程式? (A)G99G86X30.0Y20.0Z-25.0R5.0F87.5; (B)M03S50; (C)G99G84X30.0Y20.0Z-25.0R5.0F87.5; (D)G01Z-25.0F87.5; 。
複選題
247. 如圖所示要在銑床上鑽出六孔,則下列何者非此六孔的座標?
(A)(-75,129.9) (B)(0,150) (C)(75,129.9) (D)(-129.9,75) 。
申論題 (0)
相關試卷
115年 - 18201 銑床-CNC 銑床 乙級 工作項目 06:傳統銑床、CNC銑床-故障排除及機具維護 51-76(2026/01/05 更新)#136141
115年 · #136141
115年 - 18201 銑床-CNC 銑床 乙級 工作項目 06:傳統銑床、CNC銑床-故障排除及機具維護 1-50(2026/01/05 更新)#136140
115年 · #136140
115年 - 18201 銑床-CNC 銑床 乙級 工作項目 05:傳統銑床、CNC銑床-二又二分之一次圓弧及輪廓 51-85(2026/01/05 更新)#136139
115年 · #136139
115年 - 18201 銑床-CNC 銑床 乙級 工作項目 05:傳統銑床、CNC銑床-二又二分之一次圓弧及輪廓 1-50(2026/01/05 更新)#136138
115年 · #136138
115年 - 18201 銑床-CNC 銑床 乙級 工作項目 04:銑削條件之判斷及處理及傳統銑床、CNC銑床-銑削實習 151-200(2026/01/05 更新)#136136
115年 · #136136
115年 - 18201 銑床-CNC 銑床 乙級 工作項目 04:銑削條件之判斷及處理及傳統銑床、CNC銑床-銑削實習 101-150(2026/01/05 更新)#136135
115年 · #136135
115年 - 18201 銑床-CNC 銑床 乙級 工作項目 04:銑削條件之判斷及處理及傳統銑床、CNC銑床-銑削實習 51-100(2026/01/05 更新)#136134
115年 · #136134
115年 - 18201 銑床-CNC 銑床 乙級 工作項目 04:銑削條件之判斷及處理及傳統銑床、CNC銑床-銑削實習 1-50(2026/01/05 更新)#136133
115年 · #136133
115年 - 18201 銑床-CNC 銑床 乙級 工作項目 03:工件夾持及校正及傳統銑床、CNC銑床-刀具選用及裝卸 101-130(2026/01/05 更新)#136132
115年 · #136132
115年 - 18201 銑床-CNC 銑床 乙級 工作項目 03:工件夾持及校正及傳統銑床、CNC銑床-刀具選用及裝卸 51-100(2026/01/05 更新)#136131
115年 · #136131