所屬科目:技檢◆機工類共同科目
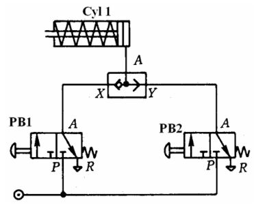
(A)2/2 方向閥 (B)3/2 方向閥 (C)4/2 方向閥 (D)4/3方向閥 。
(A)梭動閥 (B)雙壓閥 (C)快速排氣閥 (D)止回閥 。
(A)雙動缸 (B)雙動雙緩衝缸 (C)單動缸 (D)雙桿式氣壓缸 。
(A)3/2 常閉閥 (B)3/2 常開閥 (C)3/3 中位封閉閥 (D)3/3 中位常閉閥 。
(A)柱塞作動 (B)雙向輥輪作動 (C)單向輥輪作動 (D)手柄作動 。
(A)PB1 作動 (B)PB2 作動 (C)PB1 與 PB2 同時作動 (D)PB1 與 PB2 不作動 。