阿摩線上測驗
登入
首頁
>
統測◆04電機與電子群資電類◆(二)數位邏輯、數位邏輯實習、電子學實習、計算機概論(110以前)
> 92年 - 92 四技二專統測_電子類_專業科目(二):電子電路實習、計算機概論與微處理機實習#21445
92年 - 92 四技二專統測_電子類_專業科目(二):電子電路實習、計算機概論與微處理機實習#21445
科目:
統測◆04電機與電子群資電類◆(二)數位邏輯、數位邏輯實習、電子學實習、計算機概論(110以前) |
年份:
92年 |
選擇題數:
40 |
申論題數:
0
試卷資訊
所屬科目:
統測◆04電機與電子群資電類◆(二)數位邏輯、數位邏輯實習、電子學實習、計算機概論(110以前)
選擇題 (40)
1.下列有關二極體的敘述,何者有誤? (A)可以使用三用電表檢驗二極體的材質 (B)實驗中常用的二極體編號為2N4xxx系列 (C)一般的二極體有記號或標註的那一端,通常為N極 (D)鍺比矽有較小的障壁電壓(barrier potential),更適合用在截波電路。
2.電晶體做為開關電路,負載為電感性時的保護措施為: (A)將電阻器與負載並聯 (B)將電阻器與負載串聯 (C)將電容器與負載串聯 (D)將二極體與負載並聯。
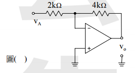
3.圖(一)所示的電路,運算放大器的飽和電壓為±12V,下列選項何者正確?
(A)若v
A
=-5V則v
O
=+12V (B)若v
A
=-5V則v
O
=-12V (C)若v
A
=+2V則v
O
=+4V (D)若v
A
=-2V則v
O
=+4V。
4.圖(二)所示的電路,運算放大器的飽和電壓為±12V,下列選項何者正確?
(A)若v
A
=-5V則v
O
=-12V (B)若v
A
=-5V則v
O
=+12V (C)若v
A
=-2V則v
O
=+3V (D)若v
A
=+2V則v
O
=+1V。
5功能為: (A)單穩態電路 (B)放大電路 (C)無穩態電路 (D)波形整形電路。 圖(三)
6.承第5題,運算放大器的飽和電壓為±12V,下列選項何者正確? (A)若v
A
=-2V則v
O
=+6V (B)若v
A
=+5V則v
O
=+12V (C)若v
A
=-2V則v
O
=-6V (D)若v
A
=-5V則v
O
=+12V。
7.下列有關振盪器的敘述,何者有誤? (A)石英晶體振盪器的頻率最為穩定 (B)石英晶體是一種壓電材料 (C)石英晶片愈薄振動頻率愈低 (D)低頻振盪器一般採用RC電路為主。
8.功能為: (A)單穩態電路 (B)雙穩態電路 (C)無穩態電路 (D)波形整形電路。 圖(四)
9.承第8題,運算放大器的飽和電壓為±11V,下列選項何者有誤? (A)回授因數β約為0.09 (B)上下臨界電壓約為±1V (C)振盪週期為2RC ln(0.83)秒 (D)輸出為方波、工作週期為50%。
10.下列有關BCD加法器/減法器的敘述,何者有誤? (A)1101
( B )
減1010
( BCD )
等於3
( D )
(B)7483為4位元二進制加法器 (C)可用7483與邏輯電路完成BCD減法器 (D)38
( D )
的10’s補數為62
( D )
。
11.下列有關n位元串加法器的敘述,何者正確? (A)須用n個單一位元全加器,配合移位暫存器組合完成 (B)可由一個單一位元全加器,配合移位暫存器組合完成 (C)傳輸延遲時間比並加法器較為短 (D)屬於組合電路不是序向電路。
12.下列有關555定時IC的敘述,何者有誤? (A)第6腳為輸出 (B)第8腳為電源正端(V
cc
) (C)第1腳為接地端(GND) (D)外加電阻、電容即可完成定時功能。
13.圖(五)所示電路,輸入為30kHz的計時脈衝,Q
C
的輸出脈波波形為:
(A)頻率5kHz、工作週期33.3% (B)頻率5kHz、工作週期66.7% (C)頻率6kHz、工作週期33.3% (D)頻率6kHz、工作週期66.7%。
14.下列有關顯示器的敘述,何者有誤? (A)LCD的耗電較低 (B)LCD的驅動電壓較高 (C)共陰極的七段顯示器可由7448來驅動 (D)LCD顯示方式中,背光式較反射式為佳,在夜間仍能正常顯示。
15.下列有關ROM的敘述,何者有誤? (A)可用來製作組合邏輯電路 (B)EPROM可以清除資料再規劃 (C)2716-12的IC存取時間為12ns (D)2716-12的IC容量為16k Bits。
16.下列有關ADC0804積體電路的敘述,何者正確? (A)第4隻接腳為時脈輸入端 (B)為4位元的A/D轉換器 (C)第22隻接腳為電源正端 (D)第24隻接腳為電源正端。
17.在4位元R-2R階梯電阻D/A實驗中,高低電位分別為8V與0V,下列選項何者正確? (A)MSB的輸出加權電壓為8V (B)LSB的輸出加權電壓為0.5V (C)MSB的輸出加權電壓為2V (D)LSB的輸出加權電壓為2V。
18.下列有關濾波器的敘述,何者有誤? (A)RC低通濾波器的電阻值與截止頻率成反比 (B)RC低通濾波器的電容值與截止頻率成反比 (C)將高通濾波器與低通濾波器串聯,可組成帶通濾波器 (D)RC高通濾波器的電容值與截止頻率成正比。
19.下列有關穩壓IC的敘述,何者有誤? (A)7900系列為負電壓穩壓IC (B)7800系列與7900系列的接腳排列不一樣 (C)7805的輸入電壓不可以超過10V (D)7912的輸出電流可以高達1安培。
20.以AD590與LM741元件為主電路的主要功能為: (A)超音波電路 (B)溫度感測電路 (C)煙霧感測電路 (D)酒精感測電路。
21.電腦系統中,下列存取速度最快者為: (A)光碟 (B)DRAM (C)SRAM (D)硬碟。
22.如圖(六),若供給CPU的Clock為10MHz、50%工作週期,記憶體讀取週期為T1、T2、T3和T4,CPU在T1的正緣送出位址訊號,在T3的負緣讀取資料匯流排,忽略holding time與setup time,當位址控制電路延遲33ns,資料電路延遲20ns時,不加入等待週期,讓電路正常運作所需ROM的讀取時間,最慢為:
(A)250ns (B)200ns (C)150ns (D)100ns。
23.某記憶體映對I/O(Memory Mapped I/O)的微處理機系統,有16條位址線,8條資料線,此系統需4k Bytes的I/O空間,則可規劃的最大記憶體空間為: (A)4k Bytes (B)68k Bytes (C)64k Bytes (D)60k Bytes。
24.在IBM PC系統,ISA匯流排的AEN訊號為Hi時,正在使用系統匯流排者為: (A)CPU (B)DMA (C)Polling (D)Interrupt。
25.如圖(七)所示,A
0
~A
9
為CPU的位址線,則8255A的解碼位址為:
(A)238H~23BH (B)030H~033H (C)134H~137H (D)24CH~24FH。
26.某4k×16 Bits的記憶體,讀取週期(read cycle time)為10ns,則記憶體的最大頻寬(讀取速率)為: (A)100M Bits/s (B)800M Bits/s (C)1600M Bits/s (D)160M Bits/s。
27.若要定址到實際位址320C0H,下列選項何者有誤? (A)CS=2B4DH,IP=6BF0H (B)CS=300AH,IP=2020H (C)CS=3000H,IP=20C0H (D)CS=2ABCH,IP=8500H。
28.在80x86系統中,記憶體片段如圖(八),若暫存器DS=0001H,BX=1000H,則執行完指令MOV AX, 02H[BX]後,AX暫存器的內容為:
(A)0102H (B)0403H (C)0605H (D)0807H。
29.8086 CPU經RESET後,開始執行指令的位址為: (A)FFFF0H (B)FFFFFH (C)00000H (D)FFFFEH。
30.下列有關8255的敘述,何者有誤? (A)Mode-0時,Port A、B和C可規劃成輸入Port (B)Mode-1時,Port C提供Port A所需的交握信號(Handshaking signals) (C)Mode-2時,Port B可被規劃成雙向匯流排 (D)BSR(bit set/reset)模式時,可對Port C的每一位元設定其輸出值為0或1。
31.提供IP位址與網域名稱轉換的伺服器為: (A)DNS伺服器 (B)URL伺服器 (C)Proxy伺服器 (D)Cache伺服器。
32.具有“多人多工”的作業系統為: (A)OS/2 (B)Linux (C)Windows 95 (D)Windows 98。
33.執行主記憶體與I/O設備間的大量資料傳送時,擁有最高效能的方式為: (A)Interrupt I/O (B)DMA (C)CPU I/O (D)Memory-mapped I/O。
34.下列有關10 BaseT網路特色的敘述,何者有誤? (A)為環狀拓蹼(Ring Topology) (B)使用UTP纜線 (C)屬於乙太網路(Ethernet)的一種 (D)最高傳輸速度為10 Mbps。
35.具有熱插拔特性的界面為: (A)PCI界面 (B)ISA界面 (C)USB界面 (D)AGP界面。
36.下列有關CRT顯示器的敘述,何者有誤? (A)點距為螢幕上相鄰二同色光點之間的距離 (B)影像的形成是透過RGB三種光點組合而成 (C)解析度設成1000×800、全彩,一張畫面需要2400000 Bytes的記憶體儲存 (D)0.27 dpi、0.25 dpi為一般常見的點距規格之一。
37.某CPU平均執行一個指令所需的時間為10ns,則CPU的執行速度為: (A)100 MIPS (B)10 MIPS (C)1 MIPS (D)20 MIPS。
38.OSI網路七層(OSI 7-Layer)參考模型中,IP協定所屬層級為: (A)資料連結層 (B)網路層 (C)傳輸層 (D)應用層。
39.下列有關網路與郵件收發設定的敘述,何者有誤? (A)匯流排拓蹼(Bus Topology)網路對傳送的封包,具有廣播(Broadcast)的特性 (B)TCP/IP是目前應用最廣泛的網際網路通訊協定 (C)環狀拓蹼(Ring Topology)網路中,有任一節點故障,會造成整個網路停擺 (D)設定郵件收發工具時,內收郵件伺服器與外寄郵件伺服器的內容必需相同,才可正常收信。
40.下列Visual Basic程式,印出的結果為:
(A)8 (B)6 (C)2 (D)0。
申論題 (0)
相關試卷
110年 - 110 四技二專統測_電機與電子群資電類_專業科目(二):數位邏輯、數位邏輯實習、電子學實習、計算機概要#98528
110年 · #98528
109年 - 109 四技二專統測_電機與電子群資電類_專業科目(二):數位邏輯、數位邏輯實習、電子學實習、計算機概論#85147
109年 · #85147
108年 - 108 四技二專統測_電機與電子群資電類_專業科目(二):數位邏輯、數位邏輯實習、電子學實習、計算機概論#79903
108年 · #79903
107年 - 107 四技二專統測_電機與電子群資電類_專業科目(二):數位邏輯、數位邏輯實習、電子學實習、計算機概論#68897
107年 · #68897
106年 - 106 四技二專統測_電機與電子群資電類_專業科目(二):數位邏輯、數位邏輯實習、電子學實習、計算機概論#61688
106年 · #61688
105年 - 105 四技二專統測_電機與電子群資電類_專業科目(二):數位邏輯、數位邏輯實習、電子學實習、計算機概論#75548
105年 · #75548
104年 - 104 四技二專統測_電機與電子群資電類_專業科目(二):數位邏輯、數位邏輯實習、電子學實習、計算機概論#21059
104年 · #21059
103年 - 103 四技二專統測_電機與電子群資電類_專業科目(二):數位邏輯、數位邏輯實習、電子學實習、計算機概論#17890
103年 · #17890
102年 - 102 四技二專統測_電機與電子群資電類_專業科目(二):數位邏輯、數位邏輯實習、電子學實習、計算機概論#75549
102年 · #75549
102年 - 102 四技二專統測_電機與電子群資電類_專業科目(二):數位邏輯#10661
102年 · #10661