阿摩線上測驗
登入
首頁
>
大地工程學
> 94年 - 094年專門職業及技術人員高等建築師、技師暨普通不動產經紀人、地政士、記帳士土木工程技師#39131
94年 - 094年專門職業及技術人員高等建築師、技師暨普通不動產經紀人、地政士、記帳士土木工程技師#39131
科目:
大地工程學 |
年份:
94年 |
選擇題數:
0 |
申論題數:
5
試卷資訊
所屬科目:
大地工程學
選擇題 (0)
申論題 (5)
一、有一正常壓密粘土其飽和單位重為 γ
sat
= 18 kN/m
3
,其排水剪力摩擦角為 φd= 28o 。 取該土壤試體進行壓密不排水(CU)三軸壓縮試驗,圍壓σ
3
= 105 kN/m
2
,破壞時 之軸差應力△σ
df
= 90 kN/m
2
。則此一試體破壞時之孔隙水壓△uf 及孔隙水壓參數 Af 為何?如該正常壓密粘土層分佈於地表至地表下 10m 間,地下水面位於地表下 2m 處,推求地表下深度 5m 處之土壤不排水剪力強度 Cu。(20 分)
【已刪除】二、有一厚 3m 之砂土層,其下方為厚 5m 之正常壓密粘土層,地下水面位於地表下 1m 處 。今如在該地層開挖至地表下 4m 後進行建築結構,該構造物施加之荷重為 60 kN/m
2
,構造物之寬度遠超過粘土層厚度。砂土位於地下水面以上及以下之單位重均視為 γ
sat
= 18 kN/m
3
;粘土層飽和單位重為 γsat= 17.5 kN/m
3
,由試驗得其壓縮係數 Cc= 0.2, 再壓縮係數 C
r
= 1/5.Cc。繪製該粘土層位於結構物中心點下方 2m 處(A 點,其初始 孔隙比為 e0= 0.8)之孔隙比 e 對對數有效應力 ′ v logσ 關係,並於圖上標示開挖至完成 構造物過程之孔隙比隨荷重變化情形,此粘土層於結構物中心點下方處之最終壓縮量 為何?(25 分)
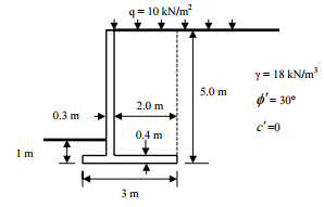
【已刪除】三、圖示一高 5 m 之懸臂式擋土牆,牆頂之載重 q = 10 kN/m
2
。土壤之剪力強度參數 c ′= 0,φ′= 30°,單位重 γ = 18 kN/m
3
。地下水位很深,牆底與土壤間之摩擦角 δ = 20° ,混凝土之單位重 γc = 24.0 kN/m
3
。試求此擋土牆抗水平滑動與抗傾倒之安全係數。 (20 分)
四、現將興建一地上 3 層(高 12 米)、地下五層(深 15 米)之量販商場。基地長 80 米,寬 40 米,地層為粘土層其 SPT-N 值介於 4~6,常態地下水位在地表下 2 米, 基地四鄰道路寬 12 米,有 20 層高大樓。未來開挖時,將採用順打工法。 請繪圖初步設計:最可能之地下結構、基礎形式及開挖支撐方式。並請於圖中註明 地下基礎設立之主要目的與功能及設計時必須分析和檢核之項目。(15 分)
【已刪除】五、如下圖所示,有一東西向隧道將沿 PQ 線興建,須進行工程地質評估。圖中:a<b<c<d 為沉積岩地層,沉積年代 a
相關試卷
114年 - 114 專技高考_土木工程技師:大地工程學(包括土壤力學、基礎工程與工程地質)#133697
114年 · #133697
114年 - 114 專技高考_應用地質技師:大地工程學(包括土壤力學與岩石力學)#133666
114年 · #133666
114年 - 114 專技高考_水利工程技師:大地工程學(包括土壤力學、基礎工程與工程地質)#133611
114年 · #133611
113年 - 113 專技高考_土木工程技師:大地工程學(包括土壤力學、基礎工程與工程地質)#123955
113年 · #123955
113年 - 113 專技高考_應用地質技師:大地工程學(包括土壤力學與岩石力學)#123941
113年 · #123941
113年 - 113 專技高考_水利工程技師:大地工程學(包括土壤力學、基礎工程與工程地質)#123918
113年 · #123918
112年 - 112 專技高考_應用地質技師:大地工程學(包括土壤力學與岩石力學)#117679
112年 · #117679
112年 - 112 專技高考_水利工程技師:大地工程學(包括土壤力學、基礎工程與工程地質)#117676
112年 · #117676
112年 - 112 專技高考_土木工程技師:大地工程學(包括土壤力學、基礎工程與工程地質)#117649
112年 · #117649
111年 - 111 專技高考_應用地質技師:大地工程學(包括土壤力學與岩石力學)#111950
111年 · #111950