阿摩線上測驗
登入
首頁
>
電力系統
> 95年 - 095年原住民族電力工程(三等)#39041
95年 - 095年原住民族電力工程(三等)#39041
科目:
電力系統 |
年份:
95年 |
選擇題數:
0 |
申論題數:
7
試卷資訊
所屬科目:
電力系統
選擇題 (0)
申論題 (7)
⑴電壓源 E
1
送出或吸收之有效功率與無效功率值為多少?
⑵電壓源 E
2
送出或吸收之有效功率與無效功率值為多少?
【已刪除】二、某一含次暫態阻抗之電力系統滙流排阻抗矩陣(Bus impedance matrix)Z
bus
如下所 示。若各滙流排的電壓均設定為 1∠0°標么,且不考慮負載電流的情況之下,若在 滙流排 2 發生三相短路故障,故障阻抗 Z
f
= j 0.16 Ω,計算故障時各滙流排的電 壓。(20 分)
【已刪除】三、如下圖之電力系統,當滙流排 1 發生直接三相短路故障時,正以額定電壓的方式運 行。若不計故障前負載電流,試計算次暫態發電機與電動機的電流大小,以標么值 表示之。(20 分)
⑴計算此時從單相電壓源流出之電流。
⑵若用電容補償將整體負載之功因改善至 0.95 落後,求此時單相電壓源流出之 電流。
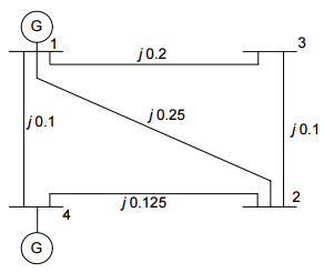
【已刪除】五、如下圖所示之電力系統,圖內輸電線路旁所標示的數值,是該輸電線路依據共同基 準值的阻抗標么值。請依圖中所標示的滙流排編號,建立出該系統之滙流排導納矩 陣(Bus admittance matrix)Y
bus
。(20 分)
相關試卷
115年 - 115 關務特種考試_三等_電機工程(選試英文):電力系統#138944
115年 · #138944
114年 - 114 地方政府公務特種考試_三等_電力工程:電力系統#134738
114年 · #134738
114年 - 114 專技高考_電機工程技師:電力系統#133708
114年 · #133708
114年 - 114 公務升官等考試_薦任_電力工程:電力系統#133165
114年 · #133165
114年 - 114 高等考試_二級_電力工程:電力系統#131586
114年 · #131586
114年 - 114 高等考試_三級_電力工程:電力系統#128774
114年 · #128774
114年 - 114 關務特種考試_三等_電機工程(選試英文):電力系統#126644
114年 · #126644
113年 - 113 臺灣菸酒股份有限公司_從業職員及從業評價職位人員甄試試題_電子電機:電力系統(含電路學)#133978
113年 · #133978
113年 - 113 地方政府公務特種考試_三等_電力工程:電力系統#124553
113年 · #124553
113年 - 113 專技高考_電機工程技師:電力系統#123952
113年 · #123952