阿摩線上測驗
登入
首頁
>
大地工程學
> 95年 - 095年專門職業及技術人員高等建築師、技師暨普通不動產經紀人、地政士應用地質技師#27814
95年 - 095年專門職業及技術人員高等建築師、技師暨普通不動產經紀人、地政士應用地質技師#27814
科目:
大地工程學 |
年份:
95年 |
選擇題數:
0 |
申論題數:
8
試卷資訊
所屬科目:
大地工程學
選擇題 (0)
申論題 (8)
⑴ compression index
⑵ coefficient of earth pressure at rest
⑶ longitudinal velocity
⑷ point load strength
⑸ rock quality designation
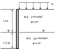
【已刪除】二、有一擋土牆如圖所示,牆背平滑,其上方有一均布載重 q = 9 kN/m
2
。水位上方之砂土 單位重γ= 17 kN/m
3
,摩擦角 φ = 35°,水位以下之砂土飽和單位重γsat = 20 kN/m3 , 有效摩擦角 φ' = 35°。試求此擋土牆發生主動破壞時,擋土牆所受之主動土壓力大 小及其合力之位置。(25 分)
三、試比較分析岩石邊坡及土壤邊坡之穩定性有何異、同之處?試從破壞面、破壞型態、 分析方法等討論之。(25 分)
四、岩體內有一逆斷層與水平面成 20°之傾角。若岩體內節理面之平滑摩擦角(friction angle of smooth joint)φµ = 30°,膨脹角(dilatancy angle)i = 5°。試求此岩體內深度 500 m 處之岩石所能承受之最大水平應力為多少?。(25 分)
相關試卷
114年 - 114 專技高考_土木工程技師:大地工程學(包括土壤力學、基礎工程與工程地質)#133697
114年 · #133697
114年 - 114 專技高考_應用地質技師:大地工程學(包括土壤力學與岩石力學)#133666
114年 · #133666
114年 - 114 專技高考_水利工程技師:大地工程學(包括土壤力學、基礎工程與工程地質)#133611
114年 · #133611
113年 - 113 專技高考_土木工程技師:大地工程學(包括土壤力學、基礎工程與工程地質)#123955
113年 · #123955
113年 - 113 專技高考_應用地質技師:大地工程學(包括土壤力學與岩石力學)#123941
113年 · #123941
113年 - 113 專技高考_水利工程技師:大地工程學(包括土壤力學、基礎工程與工程地質)#123918
113年 · #123918
112年 - 112 專技高考_應用地質技師:大地工程學(包括土壤力學與岩石力學)#117679
112年 · #117679
112年 - 112 專技高考_水利工程技師:大地工程學(包括土壤力學、基礎工程與工程地質)#117676
112年 · #117676
112年 - 112 專技高考_土木工程技師:大地工程學(包括土壤力學、基礎工程與工程地質)#117649
112年 · #117649
111年 - 111 專技高考_應用地質技師:大地工程學(包括土壤力學與岩石力學)#111950
111年 · #111950