阿摩線上測驗
登入
首頁
>
鋼筋混凝土學與設計
> 96年 - 96 交通事業郵政升資考試_員級晉高員級_土木工程:鋼筋混凝土學與設計#38619
96年 - 96 交通事業郵政升資考試_員級晉高員級_土木工程:鋼筋混凝土學與設計#38619
科目:
鋼筋混凝土學與設計 |
年份:
96年 |
選擇題數:
0 |
申論題數:
4
試卷資訊
所屬科目:
鋼筋混凝土學與設計
選擇題 (0)
申論題 (4)
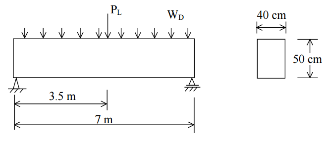
【已刪除】一、試列式說明如何以桁架模式(truss model)設計圖示鋼筋混凝土簡支樑之撓曲及剪 力鋼筋?(25 分) 已知:W
D
=1.0 tf/m(含樑自重),P
L
=2 tf, f 'c = 280 kgf/cm
2
, f
y
= 4200 kgf/cm
2
二、試列式說明如何由鋼筋混凝土結構之鑽心試體強度(core strength)推算該結構之混 凝土抗壓強度?(25 分)
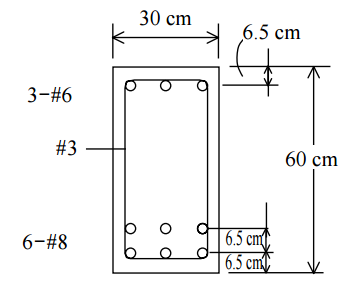
【已刪除】三、試檢核圖示樑斷面的標稱彎矩強度。(25 分) 已知: f 'c = 280 kgf/cm
2
, f
y
= 4200 kgf/cm
2
一支#6 鋼筋之截面積為 2.87 cm
2
,
一支#8 鋼筋之截面積為 5.07 cm
2
【已刪除】四、試列式說明如何設計圖示外柱的樑柱接頭?(25 分) 已知: f 'c = 280 kgf/cm
2
, f
y
= 4200 kgf/cm
2
一支#9 鋼筋之截面積為 6.47 cm
2
,一支#8 鋼筋之截面積為 5.07 cm
2
Vc =
相關試卷
114年 - 114 地方政府公務、離島地區公務特種考試_三等_土木工程:鋼筋混凝土學與設計#134753
114年 · #134753
114年 - 114 高等考試_三級_土木工程:鋼筋混凝土學與設計#128726
114年 · #128726
113年 - 113-2 國營臺灣鐵路股份有限公司_從業人員甄試試題_第9階-技術員-土木工程:鋼筋混凝土學與設計概要#137156
113年 · #137156
113年 - 113 國營臺灣鐵路股份有限公司_從業人員甄試_第8階-助理工程師-土木工程:鋼筋混凝土學與設計#137104
113年 · #137104
113年 - 113-2 國營臺灣鐵路股份有限公司_從業人員甄試_第8階-助理工程師-土木工程:鋼筋混凝土學與設計#137090
113年 · #137090
113年 - 113-2 國營臺灣鐵路股份有限公司_從業人員甄試_第 9 階-技術員-土木工程:鋼筋混凝土學與設計概要#135450
113年 · #135450
113年 - 113 地方政府公務、離島地區公務特種考試_三等_土木工程:鋼筋混凝土學與設計#124342
113年 · #124342
113年 - 113 高等考試_三級_土木工程:鋼筋混凝土學與設計#121483
113年 · #121483
113年 - 113 國營臺灣鐵路股份有限公司_從業人員甄試_第 9 階-技術員-土木工程:鋼筋混凝土學與設計概要#119089
113年 · #119089
112年 - 112 地方政府特種考試_三等_土木工程:鋼筋混凝土學與設計#118382
112年 · #118382