阿摩線上測驗
登入
首頁
>
結構學概要與鋼筋混擬土學概要
> 96年 - 96 身心障礙特種考試_四等_土木工程:結構學概要與鋼筋混凝土學概要#36036
96年 - 96 身心障礙特種考試_四等_土木工程:結構學概要與鋼筋混凝土學概要#36036
科目:
結構學概要與鋼筋混擬土學概要 |
年份:
96年 |
選擇題數:
0 |
申論題數:
4
試卷資訊
所屬科目:
結構學概要與鋼筋混擬土學概要
選擇題 (0)
申論題 (4)
【已刪除】一、試繪製圖示剛架之彎矩圖(請將彎矩圖繪在桿件之壓力側)。(25 分)
【已刪除】二、試求解圖示桁架內桿件 a、b 及 c 之內力。(25 分)
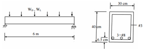
【已刪除】三、試檢核圖示簡支梁斷面是否能提供足夠之撓曲強度?(25 分) 已知條件:W
D
=2 tf/m(含梁自重),W
L
=1 tf/m,f
c
’ =280 kgf/cm
2
,f
y
=4200 kgf/cm
2
, 一根#3 鋼筋之直徑 db=10 mm,一根#8 鋼筋之截面積為 5.07 cm
2
【已刪除】四、試檢核圖示簡支梁在 x=1.5 m 處之剪力強度是否足夠?(25 分) 已知條件:W
D
=2 tf/m(含梁自重),W
L
=1 tf/m,f
c
’ =280 kgf/cm
2
,f
y
=2800 kgf/cm
2
, 一根#3 鋼筋之截面積為 0.71 cm
2
相關試卷
115年 - 115 身心障礙特種考試_四等_土木工程:結構學與鋼筋混凝土學概要#138950
115年 · #138950
114年 - 114 地方政府公務、離島地區公務特種考試_四等_土木工程:結構學與鋼筋混凝土學概要#134785
114年 · #134785
114年 - 114 原住民族特種考試_三等_土木工程:結構學與鋼筋混凝土學#130980
114年 · #130980
114年 - 114 原住民族特種考試_四等_土木工程:結構學與鋼筋混凝土學概要#130949
114年 · #130949
114年 - 114 普通考試_土木工程:結構學與鋼筋混凝土學概要#128751
114年 · #128751
114年 - 114 身心障礙特種考試_四等_土木工程:結構學與鋼筋混凝土學概要#126635
114年 · #126635
113年 - 113-2 國營臺灣鐵路股份有限公司_從業人員甄試試題_第10階-助理技術員-土木工程:結構學概要與鋼筋混凝土學大意#137204
113年 · #137204
113年 - 113 國營臺灣鐵路股份有限公司_從業人員甄試_第 10 階-助理技術員-土木工程:結構學概要與鋼筋混凝土學大意#137172
113年 · #137172
113年 - 113 地方政府公務、離島地區公務特種考試_四等_土木工程:結構學與鋼筋混凝土學概要#124558
113年 · #124558
113年 - 113 地方政府公務、離島地區公務特種考試_四等_土木工程:結構學與鋼筋混凝土學概要#124322
113年 · #124322